Ilan Iwumbwe and Benny Liu did undergraduate research placements with me this summer, and I’m very pleased that they will be presenting their work at the Programming Languages for Quantum Computing (PLanQC) workshop at POPL next month.
Ilan and Benny built a tool called QuteFuzz that randomly generates descriptions of quantum circuits. The idea is to use these randomly generated circuits to fuzz-test quantum compilers, such as Quantinuum’s Pytket, IBM’s Qiskit, and Google’s Cirq. We want to check that they don’t crash and that any optimisations they do on the quantum circuits don’t change their behaviour.
QuteFuzz is not the first random generator of quantum circuits – there exist a handful of tools that do this already, such as QDiff and MorphQ – but it does aim to test a couple of language features that prior tools don’t reach. Specifically, QuteFuzz focuses on producing random quantum circuits that contain subcircuits and control flow.
- Subcircuits are analogous to subroutines in ordinary programming: they allow a piece of computation to be defined once and then instantiated many times.
- Control flow refers to quantum circuits where the qubits can pass through different sequences of quantum gates depending on the outcome of a measurement.
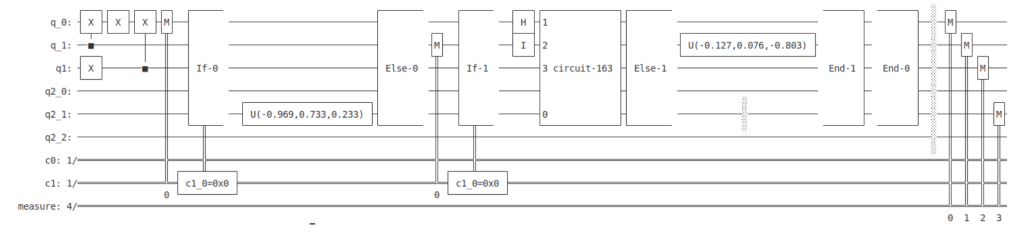
Below is an example of a quantum circuit generated by QuteFuzz. I won’t explain it line-by-line, but I’ve labelled the part that defines a subcircuit and the parts that define if-statements for control flow.

Here is a graphical representation of that same circuit. We see the subcircuit (circuit-163), the one-armed if-statement (If-0 to End-0), and the two-armed if-statement (If-1 to Else-1 to End-1).

The natural way to deploy these randomly generated quantum circuits is to use differential testing: checking that the circuits behave the same way if compiled by two different compilers, or at two different optimisation levels. The problem with this approach is that two circuits producing different final qubit values doesn’t necessarily indicate a compiler bug – it could just be the inherent non-determinism of quantum computing. One workaround for this is to simulate the circuits hundreds of times, until we are reasonably confident (via the Kolmogorov–Smirnov test) that the two circuits are using the same probability distribution of final qubit values.
For example, the graph below shows the final qubit values observed from 1024 simulation runs of that randomly generated circuit when compiled using Qiskit with no optimizations. The output is “16” on 790 of the runs, and “48” on all the rest.

The next graph shows the result of simulating that same circuit having compiled it with the same compiler at optimisation level 3. It is immediately obvious that the qubit values are following a completely different distribution. This turned out to be the result of an invalid optimisation being performed by the Qiskit compiler.

All in all, QuteFuzz found seventeen bugs in the quantum compilers that Benny and Ilan tested – some miscompilations, some crashes, and some in the simulators that were used to produce graphs like the ones above. All but two of those bugs have since been confirmed by the developers, and three have already had fixes deployed.
For more information about QuteFuzz, check out Benny and Ilan’s Github repo and their paper.