0% found this document useful (0 votes)
69 views20 pages

Chirag Parmar Developed by

The document discusses the design and development of a USB to RS-232/485 converter device. Key points: - The device interfaces RS-232 and RS-485 signals from a laboratory to a PC using a USB port. - A microcontroller chip (TUSB3410) with USB and serial interface capabilities is used. Firmware is developed to convert serial data to USB format. - Device drivers, descriptors, and a host application are required to enable communication over USB. - The device presents as a virtual COM port, allowing use of terminal programs. It also supports multiplexing of RS-232 and RS-485 signals over a single USB connection.

Uploaded by

Sunil Pillai
Copyright
© Attribution Non-Commercial (BY-NC)
We take content rights seriously. If you suspect this is your content, claim it here.
Available Formats
Download as PPS, PDF, TXT or read online on Scribd
0% found this document useful (0 votes)
69 views20 pages

Chirag Parmar Developed by

The document discusses the design and development of a USB to RS-232/485 converter device. Key points: - The device interfaces RS-232 and RS-485 signals from a laboratory to a PC using a USB port. - A microcontroller chip (TUSB3410) with USB and serial interface capabilities is used. Firmware is developed to convert serial data to USB format. - Device drivers, descriptors, and a host application are required to enable communication over USB. - The device presents as a virtual COM port, allowing use of terminal programs. It also supports multiplexing of RS-232 and RS-485 signals over a single USB connection.

Uploaded by

Sunil Pillai
Copyright
© Attribution Non-Commercial (BY-NC)
We take content rights seriously. If you suspect this is your content, claim it here.
Available Formats
Download as PPS, PDF, TXT or read online on Scribd
You are on page 1/ 20

Design and Development of Hardware and

Software for RS-232/485 to USB (Optical)


Converter

developed by:
Chirag Parmar

Exeternal Guide: Internal Guide:


Madam Chhaya Chavda Mrs. N. D. Mehta
AIM

Signals coming from laboratory are in RS-232 and RS-485 form


They are needed to be interfaced with PC
Application software must be developed to monitor and control the
signals
Project is to interface the signals with PC using USB port and
develop a device application to monitor and control the signals
RS-232 and RS-485
Serial data line with two lines Rx
and Tx
Comparatively low speed up to
20 Kbps
Voltage level of signal 3 - 25v
for high and -3 to -25 for low
Have additional pins like
CTS,DTR etc.
RS-485 same as RS-232 except
only 4 lines are there and
differential data goes on data
lines
Same connector for both
Long distance and high speed in
RS-485
Basic About USB

USB
Universal Serial Bus
4-Pin connector
Differential data on D+ and D-
High speed up to 12 Mbps
Two version 1.0 and newer one is
2.0
Data transfer of basically four
types
USB Transfer Types

Control
For control requests and data transfer
Must be supported by each device
Very data critical, Full error correction
Interrupt
For generic data transfer
Requires polling from host
Bulk
For time uncritical bulk data transfer
Used where data quality is important
Isochronous
For streaming of real time data
Guaranteed delivery time but no error correcting
Why USB?

High speed – 12 Mbps in comparison to 20 Kbps of RS-232


Up to 127 ports are available on PC – Only 1 port of RS-232
Due to differential data lines noise immunity is high
Ease of interface
Multiplexing of RS-232 and RS-485 can be done with USB
Here we choose chip TUSB3410
Plug and Play capability
Requirements of USB
Communication

A controller chip with USB support

Host that supports USB

Device Driver

Firmware

Host Application Software


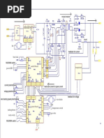
TUSB3410 Interface

Chip Features
8052 core, 10K ROM, 16K RAM
Supports USB 2.0 full speed specification
Two channel DMA controller
Programmable serial-interface characteristics
TUSB 3410 ARCHITECTURE
USB to RS-232 Implementation
Boot code

As shown in chip architecture TUSB3410 has 10K ROM which has


in built boot code designed by “TI”
In boot mode it’s mapped from 0000h to 27FFh
Boot code searches for valid signature from I2C port, if it gets valid
bytes then it loads firmware from EEPROM
If it can not get valid signature it downloads firmware using USB port
directly
After downloading firmware it’s mapped from 8000h to A7FFh and
16K code RAM acts as read only memory during application
Once firmware downloading is complete it releases control to
firmware
Device Driver
What is device driver?
Software component that enables application to access a
hardware
Insulates application from details

Design
Trivial task. Requires fair amount of knowledge of C
programming

Embedded drivers in OS
Includes generic and popular drivers

INF files
Provides info about which driver to load
Firmware

This is the main program that defines the functionality of the chip
Program size can be 16K anywhere from 0000h to 3FFFh
Based on 8052 instruction set
Here it is required to convert serial data on RS-232 lines to USB
compliant format
It can be stored in EEPROM or can be stored on the PC
Using EEPROM for firmware storage makes the device universal
We used Pc to store the firmware, so it is easy to change the
firmware
Descriptors
All the basic information about device is stored in descriptors.
Device Descriptor
USB version that the device supports, device class, protocol,
vendor ID, product ID, strings, and number of configuration. The
OS reads this descriptor to decide which device driver should be
used to communicate to this device
Vector ID – 0X0451, Product ID – 0X3410

Configuration Descriptor
Number of interfaces supported, power configuration and
current consumption

Interface Descriptor
Number of endpoints supported by this interface, interface
class, subclass and protocol
Descriptors

Endpoint Descriptor
Describes the type and size of communication pipe supported
by this endpoint. Supports only one output endpoint with the size of
64 bytes in addition to control endpoint 0

String Descriptor
Manufacturers name, product model, and serial number in
human readable format
USB as a Virtual COM Port

VCP driver available from “Texas Instruments” web site


To test hardware we use it to make a virtual communication port on
computer
Using hyper terminal we communicate between COM port of RS-
232 and virtual COM port of USB
For some specific functionalities those are not available in hyper
terminal, we make separate VB application that can access COM
port. These features are:
Multiplexing of RS-232 and 485

USB as a com port works well


But with com port maximum achievable speed is 20 Kbps
So we make USB as HID class device
USB full speed can be utilized by multiplexing RS-232 and 485
signals
Host Application Software

Software development environment


Visual Basic

Enumeration
Handled by OS

Finding Device
Device can be find using GUID of device

API functions of windows


CreateFile, WriteFile, ReadFile, CloseHandle
RS-232 Transmission on FO

To bring all the diagnostics signals from SST Hall to control rack we
need to convert RS-232 signals to optical signals.
For that we use MAX 232 to change RS-232 signals’ voltage level to
5V(TTL)
We use HFBR 1414T as a transmitter and HFBR 2412 as receiver
Develop a driver circuit to have sufficient amount of current and
speed

You might also like