0% found this document useful (0 votes)
468 views1 page

FY6600 PS Schematic V1

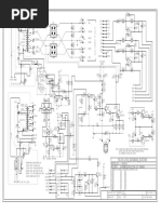
The document describes an upgraded power supply circuit diagram. Key components were replaced with new values in red. The upgraded power supply now provides 13.5V, -13.5V, and 5.5V output voltages.

Uploaded by

estenio
Copyright
© © All Rights Reserved
We take content rights seriously. If you suspect this is your content, claim it here.
Available Formats
Download as PDF, TXT or read online on Scribd
0% found this document useful (0 votes)
468 views1 page

FY6600 PS Schematic V1

The document describes an upgraded power supply circuit diagram. Key components were replaced with new values in red. The upgraded power supply now provides 13.5V, -13.5V, and 5.5V output voltages.

Uploaded by

estenio
Copyright
© © All Rights Reserved
We take content rights seriously. If you suspect this is your content, claim it here.
Available Formats
Download as PDF, TXT or read online on Scribd
You are on page 1/ 1

1 2 3 4 5

A A

1 -12v
T1
IN D7* 1N5819 2 +12v
230V 1N4007 1M 51k
C6* 3 GND
2
1 220u
25v 4 GND
CN2 1N4007 100n
C7* 5 +5v
B 220u B
1N5819
T1 D8*
25v 6 +5v
C2
1N4007 68µ*
1,5M 2x 2,2n YG911S2
400v U1 D9*
SWITCH OB OC

2 1N4007 C9*
VCC RM6203 OC
1 GND SENS
1000u 470u
CT FB
10v 10v R6*
2,2n
CN1 220 1k 12k
1kv LowESR

10µ 560p 100n


1,2 1,2 1
50v 817c
4 1 10k
Important note 3 2 3 2
100n
TL431ACLP
C All components with an * were upgraded by myself. C
(new value in red)

Stock values are :


R6 : 10k
C2 : 10µ 450v
C6 : 220µ 16v
C7 : 220µ 16v
C9 : 470µ 10v
D7 : LT7506
D8 : LT7506
D9 : FR503

D D
New output features :
+ 13,5v
TITLE:
- 13,5v REV: 1.1
FY6600 - Power Supply (upgraded)
+ 5,5v (old value = 4,75v)
Date: 2018-02-18 Sheet: 1/1
EasyEDA V5.1.3 Drawn By: ebel0410
1 2 3 4 5

You might also like