0% found this document useful (0 votes)
2K views17 pages

Sa Akx200 Sa Akx400 Diagrama 80957

The document provides a block diagram of an audio system. It shows the main components including a CD mechanism unit with optical pickup unit, main PCB with various ICs and controllers, panel PCB, and remote sensor. The block diagram outlines the signal lines between the CD input, USB, keys, switches, volume control, and other components in the system.

Uploaded by

Daniel Briceño
Copyright
© © All Rights Reserved
We take content rights seriously. If you suspect this is your content, claim it here.
Available Formats
Download as PDF, TXT or read online on Scribd
0% found this document useful (0 votes)
2K views17 pages

Sa Akx200 Sa Akx400 Diagrama 80957

The document provides a block diagram of an audio system. It shows the main components including a CD mechanism unit with optical pickup unit, main PCB with various ICs and controllers, panel PCB, and remote sensor. The block diagram outlines the signal lines between the CD input, USB, keys, switches, volume control, and other components in the system.

Uploaded by

Daniel Briceño
Copyright
© © All Rights Reserved
We take content rights seriously. If you suspect this is your content, claim it here.
Available Formats
Download as PDF, TXT or read online on Scribd
You are on page 1/ 17

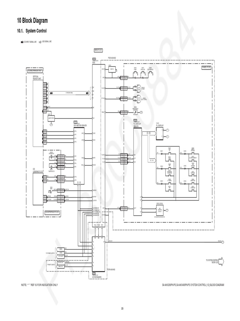
10 Block Diagram

10.1. System Control


: CD INPUT SIGNAL LINE : USB SIGNAL LINE

MAIN P.C.B.

IC2001 FOR AKX400


C1AB00004188
SOC
Q2002
S6200 S6201 S6202 PANEL P.C.B.
KEY INT 32 SWITCH POWER OPEN/CLOSE STOP/TUNE MODE
CD MECHANISM UNIT

OPTICAL KEY1 39
KEY1 CN2500 CN6100 KEY1
PICKUP UNIT 8 10

P2005
16
P2005 50 AC VOL JOG CN2500 CN6100 VOL JOG
15 VOL JOG 36 VR9000
13 5 VOLUME
P2005 51 BD
20
CD TRACKING SIGNAL
P2005 54 E
19
P2005 55 F ROT JOG CN2500 CN6100 ROT JOG VR9001
10 ROT JOG 41
14 4 MULTI CONTROL
P2005
14

P2005 MD/LPD
56 MD IR6500
5 REMOTE SENSOR
P2005 CD-LD
6 REM IN 120
RMT CN2500 CN6100 RMT
+3.3V
9 9
Q2001

LASER DRIVE 57 LDO


IC6000
IC2004 C0HBB0000057
FL6000
+3.3V
C0GBY0000213 FL DISPLAY
5CH MOTOR DRIVER DRIVER FL DISPLAY
F- 44 F-
P2005 F+
14 VOFC+
23 GR1 ~ GR12
VINFC 1 61 FODRV SG1 ~ SG16
P2005 F-
13 VOFC-
24
F+ 1 F+
P2005 T-
16 VOTK-
21
VINTK 26 62 TRDRV
P2005 T+
15 VOTK+
22

S6221 S6226
LATIN MEMORY
D6201 EQ D6206 REC/PAUSE
M7302* SG1 SG6
SPINDLEMOTOR FL DI CN2500 CN6100 FL DI
FL DATO 24 7 DIN
+ SPM- CN7002 P2004 SPM-
18 VOLD- 12 6
9 2 S6211 S6216
VINLD 23 64 SPDRV FL CLK CN2500 CN6100 FL CLK D.BASS DJ JUKEBOX/SAMPLER
FL CLK 23 8 CLK
SPM+ CN7002 P2004 SPM+
17 VOLD+ 10 8
10 1 SG1 ~ SG6
FL CE CN2500 CN6100 FL CE
FL CS 21 9 STB
TRV+ CN7002 P2004 TRV+ 11 VOSL+ 11 7 S6225
1 10 S6222 USB
VINSL+ 4 63 TRVDRV RWD
+ TRV- CN7002 P2004 TRV- D6202 D6205 REC/PAUSE
12 VOSL-
2 9 SG2 SG5
CD M7301* S6212
LOADING P.C.B. TRAVERSE MOTOR
ALBUM/TRACK S6215
- ILLUMINATION PLAY/PAUSE

CN7001 LDM+ LDM+ CN7002 P2004 LDM+


10 VOTR+
5 3 8
CN7001 LDM- LDM- CN7002 P2004 LDM- S6223 S6224
9 VOTR- BT -PAIRING MEMORY/USB
4 4 7 D6203 D6204
REV FWD SG3 SG4
7 6

S6213 S6214
S7201 FWD CD/RADIO/AUX
RESET
RESET SW CN7002 P2004 RESET SW
31 INNER SW
7 4

CN7001 OPEN SW OPEN SW CN7002 P2004 OPEN SW


29 OPEN SW K1 10
3 5 6
CN7001 CLOSE SW CLOSE SW CN7002 P2004 CLOSE SW
30 CLOSE SW K2 11
1 8 3
QR6003,QR6004

FL DO CN2500 CN6100 FL DO
5 LD-CW/EMMC DAT1 KEY3 38
6 12
6 DOUT P3 4 LED
6 LD CCW/EMMC DAT0 LIGHTING +5V
CIRCUIT
CD INTERFACE P.C.B. 9
10
BT PCONT/EMMC DAT3
USB-A/EMMC DAT2
P2 3

4 USB-B/EMMC NRST FL DIN 22


D6102,D6103,D6104,D6105

SP SCL SP SDA SP INT


113 114 115

14 15 13
SCL SDA /INT

USB A LED USB A LED


6 P2 P4 9 1

7 P3

USB-B
USB-B 5 P1

USB-A
TO POWER SUPPLY USB-A 4 P0

BT PCONT
BT PCONT 10 P5

TO SYSTEM CONTROL
MPORT DET
MPORT DET
11 P6 BLOCK (2/2)
FROM/TO AUDIO ANAL_SEL
ANAL_SEL 12 P7

FOR AKX400
IC2006
C0ZBZ0001747
I/O EXPANDER

NOTE: “ * ” REF IS FOR INDICATION ONLY SA-AKX200PN/PS,SA-AKX400PN/PS SYSTEM CONTROL (1/2) BLOCK DIAGRAM

35
: CD INPUT SIGNAL LINE : USB SIGNAL LINE

MAIN P.C.B.
FOR AKX200
IC2003
RFKWFKX200LM...AKX200 IC2001
RFKWFKX400LM...AKX400 C1AB00004188
16M FL6801
SOC
FLASH MEMORY FL DISPLAY
Q6801,Q6816
D6801,D6802
CS# 1 88 FLASH CS

DO(DQ1) 2 87 FLASH DAT1 FL DATO 24


FL DAT CN2500 CN6001 FL DAT
+12V
12 6
FL DISPLAY
WP#(DQ2) 3 86 FLASH DAT2 FL CLK 23
FL CLK CN2500 CN6001 FL CLK
+5V
10 8 CIRCUIT
DI(DQ0) 5 91 FLASH DAT0 FL CS CN2500 CN6001 FL CS
FL CS 21 +3.3V
11 7
CLK 6 90 FLASH CLK

HOLD#(DQ3) 7 89 FLASH DAT3

IC2002
IR6500
RFKWEKX200LM REMOTE SENSOR
EEPROM RMT CN2500 CN6001 RMT
REM IN 120 +3.3V
9 9
SCL 6 118 I2C SCL

SDA 5 119 I2C SDA

Q2002
IC2007 S6200 S6201 S6202 S6222 S6225
KEY INT 32 SWITCH POWER OPEN/CLOSE STOP/TUNE MODE RWD USB REC/PAUSE
RFKB5157F...AKX400PN
RFKB5157G...AKX400PS
2GB NAND
FLASH MEMORY KEY1 39
KEY1 CN2500 CN6001 KEY1
8 10
FOR AKX400 DAT0 3 6 LD CCW/EMMC DAT0
S6221
DAT1 4 5 LD-CW/EMMC DAT1 S6212 S6215 S6216 S6211 LATIN
DAT2 5 10 USB-A/EMMC DAT2 ALBUM/TRACK PLAY/PAUSE DJ JUKEBOX D.BASS EQ
DAT3 2 9 BT PCONT/EMMC DAT3
DAT3 16

KEY2 34
KEY2 CN2500 CN6001 KEY2
7 11

IC7000*
S6213 S6223 S6224 S6214 S6226
BLUETOOTH FWD BT/~PAIRING USB/CD RADIO/AUX DISPLAY
MODULE
UART TX 2 101 BT UART RX
KEY3 38
KEY3 CN2500 CN6001 KEY3
UART RX 4 102 BT UART TX 6 12

BLUETOOTH FREQUENCY HOST WAKE 11 106 HOST WAKE


DEVICE
LDO ON 13 105 BT WAKE

BT CTS 15 103 BT UART RTS


VOL JOG 36
VOL JOG CN2500 CN6001 VOL JOG VR9000
13 5 VOLUME

IC2500
ROT JOG 41
ROT JOG CN2500 CN6001 ROT JOG VR9001
C1JBAS000401 14 4 MULTI CONTROL
USB SELECTOR
PANEL P.C.B.
SELECT 10 2 USB SEL

/OE 8 13 USB MUX OE

D- 2 97 USB D-

USB P.C.B. D+ 1 98 USB D+

1D+

2D+
1D-

2D-
JK6400
4 5 6 7

USB5V 1 +5V

USB PORT A -D 2
USB A D- CN6402 CN2503
1 1
USB A D-

(PLAY) USB A D+ CN6402 CN2503 USB A D+


+D 3
2 2

124 XTAL32.768K

X2002
JK6401
125 XTAL32.768K

USB5V 1 +5V

USB PORT B -D 2
USB B D- CN6402 CN2503 USB B D-
127 XTAL16.9344M

(REC/PLAY) 3 3 X2001
+D 3
USB B D+ CN6402 CN2503 USB B D+ 128 XTAL16.9344M
4 4

D6400 Q2500

PW D5V CN6402 CN2503 PW D5V


SWITCH +5V
8 8

QR2500

LED DRIVE 14 USB REC LED AM BP 84 AM BP

PCONT 26 PCONT

PROTECT 107 PROTECT


D6401 Q2501
SMPS ID 37 SMPS ID
PW D5V A CN6402 CN2503 PW D5V A
9 9
SWITCH +5V FROM/TO
SYNC 15 SYNC POWER SUPPLY
TO SYSTEM CONTROL QR2501
DC DET PWR 109 DC DET PWR
BLOCK (1/2)
USB OVC 94 USB OVC
LED DRIVE
NRST 1 NRST

USB A LED
1

NOTE: “ * ” REF IS FOR INDICATION ONLY SA-AKX200PN/PS,SA-AKX400PN/PS SYSTEM CONTROL (2/2) BLOCK DIAGRAM

36
10.2. Audio
: CD INPUT SIGNAL LINE : TUNER/AUX INPUT SIGNAL LINE : AUDIO OUTPUT SIGNAL LINE : FM SIGNAL LINE : AM SIGNAL LINE

FOR AKX400
MAIN P.C.B.
TO SYSTEM CONTROL MPORT DET

MUSIC PORT P.C.B.

IC6100
JK6301
C0JBAR000367
5 SELECTOR
4
MPORT DET CN6300 CN2507 MPORT DET
1 1
R MPORT R CN6300 CN2507 MPORT R
3 14 R1
4 4
L MPORT L CN6300 CN2507 MPORT L
AUX IN 2 2
2 2
5 L1

10 A(LSB) IC6500 IC6000


QR6100 VUEALLPT090 C1AB00003994...AKX200
C1AB00004014...AKX400
DSP
FROM SYSTEM CONTROL ANAL SEL SWITCH POWER AMPLIFIER
SPEAKERS
9 LRCK BST A 44

10 BCK
OUT A 40
OUT A 39
JK6000 -
JK6002 4
41 XI
JK6000 LEFT
R
IC2001 OUT B 35 +
2 12 R0 X6500 3
C1AB00004188
AUX IN...AKX200 SOC 42 XO

L BST B 43
AUX IN 1...AKX400 3 1 L0

1
DSP RESET 72 2 RST N PWM1B 27 6 INPUT B BST D 23

DSP MUTE 77 3 SMUTE PWM1A 28 5 INPUT A


OUT D 27
OUT D 28
JK6000 +
IC52 DSP ERROR 73 16 ERRIN PWM2A 30 14 INPUT C
VUEALLPT087
1
JK6000
RIGHT
OUT C 32 -
FM/AM I2S SDO0 81 8 SDIN1 PWM2B 29 15 INPUT D 2
JK51
RADIO RECEIVER
BST C 24

FM ANT 2 FMI LIN 15 3 L CH

RIN 16 13 R CH

83 I2S WCK
82 I2S BCK +32V
DC DETECT
JK52 L52 CIRCUIT

2 3 4 4 AMI DCLK 17 111 TUN BCK DAMP VALID 93 24 VALID Q6001,Q6002


Q6007,Q6300
AM ANT 2 DFS 14 110 TUN WCK

SDIN2
SDA
SCL
1 1 6
RST 5 117 TUN RST
5 4 7
GCGPIO2 18 116 TUN INT

DOUT 13 112 TUN SDO

SDIO 8 76 DSP SDA 4 /RESET

SCLK 7 75 DSP SCL DAMP OTW 95 17 DAMP OTW

16 FAULT

DC DET AMP FAN 74

SA-AKX200PN/PS,SA-AKX400PN/PS AUDIO BLOCK DIAGRAM

37
10.3. Power Supply

MAIN P.C.B.

PW 32V
+32V

FOR AKX400 Q1000


PW 16V +12V VOLTAGE PW 12V PW 12V
REGULATOR +12V
SMPS MODULE
PW 12V
D1005 1
IC1002
C0DBAYY01594 D1011
+16V DC-DC DC DET PWR
2
CONVERTER Q1008,QR1008

- CN1002 32.5V +32.5V PW 16V DC DETECT DC DET PWR


DC DET PWR
TO
2 VIN PH 10
- 1,2 CIRCUIT SYSTEM CONTROL
BOOT 1

PW 16V
VSENSE 7 +16V
D1008
- CN1002 PCONT
3 EN RT/CLK 5
- 5 PW +16V
QR1006 3

SWITCH AM BP
IC1003
IC2005
C0DBAYY01594
C0EBY0000664 FROM/TO
+6V DC-DC VOLTAGE SYSTEM CONTROL
CONVERTER DETECTOR
RT/CLK 5
PW SYS 3R3V NRST NRST
2 VIN VOUT 4 NRST
+32.5V QR1007
2 VIN PH 10

BOOT 1 SWITCH
IC1004
VSENSE 7
C0DBGYY00911
+1.5V VOLTAGE
REGULATOR
IC1005
PW SYS 3R3V
C0DBGYY03909 4 VIN PW SOC 1R5V PW SOC 1R5V
VO 3 +1.5V D1002
+3.3V VOLTAGE 1 CN

AC INLET REGULATOR
D1007
PW SYS 5V PW SYS 3R3V PW SYS 3R3V
SMPS MODULE 3 VIN VOUT 2 +3.3V

Q1007 PW SYS3R3V
SWITCH 4

+6V PW 6V PW 6V
4 S D 1 +6V
QR1003 D 2
D 5 IC1000
SWITCH 3 G D 6 C0DBGYY03909
D1001 D1006 D1009 +3.3V VOLTAGE
REGULATOR
PW 3R3V PW 3R3V
PCONT
FROM 3 VIN VOUT 2 +3.3V
SYSTEM CONTROL

IC7001 PW CD3R3V
5
C0DBGYY00969
+5V VOLTAGE
D1003
REGULATOR
PW BT 5V
4 VIN
+5V +5V
VOUT 3 +5V
1 CE

BT PCONT
FROM
D1013 SYSTEM CONTROL

PW USB5V
+5V

D1014 IC2502
- CN1002 PROTECT C0DBZYY00723
- 8
PROTECT
- CN1002 SMPS ID FROM/TO
HIGH SIDE
- 7
SMPS ID
SYSTEM CONTROL SWITCH
- CN1002 SYNC
- 9
SYNC PW USB5V PW USBB 5V PW USBB 5V
1 VIN VOUT 6 6
USB-B
EN 3 USB-B

/OC 4

IC2501 TO POWER SUPPLY


C0DBZYY00723 FROM/TO BLOCK (2/2)
SYSTEM CONTROL
HIGH SIDE
SWITCH
PW 5V USB OVC
1 VIN /OC 4 USB OVC
USB-A
EN 3 USB-A
PW USBA 5V PW USBA 5V
VOUT 6 7

PW 5V,
PW CD5R6V
8

PW 5V
+5V

SA-AKX200PN/PS,SA-AKX400PN/PS POWER SUPPLY (1/2) BLOCK DIAGRAM

38
MAIN P.C.B.

PANEL P.C.B.

PW 12V PW 12V CN2500 CN6001 PW 12V +12V


1 3 15
12V
PW +5V CN2500 CN6001 PW +5V +5V
5V
FOR AKX200
1 17
PW SYS 3R3V CN2500 CN6001 PW SYS 3R3V +3.3V
4 14
3.3V
PW 3R3V CN2500 CN6001 PW 3R3V +3.3V
2 16
3.3V

PANEL P.C.B.

PW CD3R3V PW CD3R3V CN2500 CN6100 PW CD3R3V +3.3V


5 2 16
+3.3V
PW SYS3R3V PW SYS3R3V CN2500 CN6100 PW SYS3R3V +3.3V
4 4 14
+3.3V
PW 5V,
PW CD5R6V PW CD5R6V CN2500 CN6100 PW CD5R6V +5V
8 1 17
+5V
DC DET PWR DC DET PWR CN2500 CN6100 DC DET PWR
2 7 11

T6000 FOR AKX400


SWITCHING
TRANSFORMER
Q6001

DC DET PWR
FL DISPLAY
PW +16V PW +16V CN2500 CN6100 PW +16V +16V VOLTAGE SUPPLY F- F-
3 F-
3 15 CIRCUIT
F+ F+
F+

USB P.C.B.

PW USBB 5V PW USBB 5V CN2503 CN6402 PW USBB 5V PW USBB 5V


6 7 7
+5V
PW USBA 5V PW USBA 5V CN2503 CN6402 PW USBA 5V PW USBA 5V
7 6 6
+5V

TO POWER SUPPLY
BLOCK (1/2)

SA-AKX200PN/PS,SA-AKX400PN/PS POWER SUPPLY (2/2) BLOCK DIAGRAM

39
11 Wiring Connection Diagram

TO SMPS MODULE

9P
CN1002

C USB P.C.B.
ZJ6402*
9P

CN2503

A MAIN P.C.B. 9P

CN2500

17P

CN2507
4P

P2005 P2004
24P 10P
B PANEL P.C.B.

TO OPTICAL PICKUP UNIT


(CD MECHANISM UNIT)

E MUSIC PORT P.C.B. (For AKX400)

CN6001...AKX200
CN6300 CN6100...AKX400
4P 17P

CN7002

10P

CN7001 D CD INTERFACE P.C.B.


5P

TO CD LOADING P.C.B.
(CD MECHANISM UNIT)

NOTE: " * " REF IS FOR INDICATION ONLY. SA-AKX200PN/PS, SA-AKX400PN/PS WIRING CONNECTION DIAGRAM

40
12.2. Main (Micon) Circuit (1/3)
1 2 3 4 5 6 7 8 9 10 11 12 13 14

SCHEMATIC DIAGRAM - 1
A

A MAIN (MICON) CIRCUIT : +B SIGNAL LINE : CD INPUT SIGNAL LINE : TUNER/AUX INPUT SIGNAL LINE : USB SIGNAL LINE

P1

FLASH_DAT0
FLASH_CLK
FLASH_DAT3
FLASH_CS
FLASH_DAT1
FLASH_DAT2
AM_BP
VR AM_BP
DC_DET_AMP_FAN
B

AM_BP
I2S_WCK
I2S_BCK
I2S_SDO0

DSP_MUTE
DSP_SDA
DSP_SCL
DC_DET_AMP_FAN

DSP_RESET
DA DC_DET_AMP_FAN
DSP_MUTE
DS DSP_MUTE
DSP_RESET
DS DSP_RESET

DSP_SCL
TU DS DSP_SCL
DSP_SDA
TU DS DSP_SDA
I2S_SDO0 TUN_BCK R2033 2.2K
DS I2S_SDO0
I2S_BCK TUN_WCK R2024 2.2K
DS I2S_BCK GND
I2S_WCK
DS I2S_WCK
DAMP_OTW

1.2K
1.2K
LB2007
C J0JYC0000656 C2104 TO MAIN (MICON)

R2110
R2111
0.1
CIRCUIT (2/3)

LB2004 C2185 6.3V100


J0JYC0000656

C2105 C2127
C2124 C2111 C2123 0.1 10
10 0.1 10 LB2003
J0JYC0000656 PW_SYS_3R3V
US USB_OVC
96 95 94 93 92 91 90 89 88 87 86 85 84 83 82 81 80 79 78 77 76 75 74 73 72 71 70 69 68 67 66 65 C2120 0.1
US USB_D-

DAMP_VALID
DVDD_M2
FLASH_DAT0
FLASH_CLK
FLASH_DAT3
FLASH_CS
FLASH_DAT1
FLASH_DAT2
DVSS
AM_BP
I2S_WCK
I2S_BCK
I2S_SDO0
VSS
VDD
DVDDI3
DSP_MUTE
DSP_SDA
DSP_SCL
DC_DET_AMP_FAN
DSP_ERROR
DSP_RESET
DVSS
JTAG
JTAG
JTAG
JTAG
SPDRV
US USB_D+ 97 USB_D- SPDRV 64
TRVDRV
R2075 15K 98 USB_D+ TRVDRV 63
TRDRV
99 AVSSC TRDRV 62
D R2074 68K FODRV
100 - FODRV 61
R2004 0 C2114 0.22 C2183 68P R2153 68K
DS BT_UART_TX 101 BT_UART_RX - 60
R2012 470 C2115 3.3 VBIAS
DS BT_UART_RX 102 BT_UART_TX - 59
R2006 0 C2113 0.1 C2117 0.1 C2169 C2168
DS BT_UART_RTS 103 BT_UART_RTS - 58
R2499 2.2K 2200P 2200P LDO
104 BT_UART_CTS LDO 57
MD
DS BT_WAKE 105 BT_WAKE MD 56
R2104 0 [96] AVDDC R2154 68K F
DS BT_HOST_WAKE 106 HOST_WAKE [95] DAMP_OTW JTAG [66] F 55
PROTECT [94] USB_OVC NC [65] R2192 0 E
VR 107 PROTECT E 54
R2498 47K PW_SYS_3R3V CR_TIMER C2116 16V100
108 CR_TIMER AGND4 53
US VR DC_DET_PWR 109 DC_DET_PWR VBIAS 52 KEY3
TUN_WCK KEY3 US
BD KEY2
110 TUN_WCK BD 51 KEY2 US
TUN_BCK AC
111 TUN_BCK AC 50 KEY1 KEY1
E TUN_SDO
112 TUN_SDO
IC2001 AVDD3 49
C2112 0.1 US

SP_SCL
113 SP_SCL
C1AB00004188 NC 48
C2119 6.3V330 R2001
SP_SDA SOC 10K
FOR AKX400 114 SP_SDA NC 47 C2118 LB2005 10 KEY_INT
SP_INT 680P
115 SP_INT - 46 R2002
TUN_INT Q2002 330K
KEY1
TUN_INT NC 45
TUN_RST
116
B1ABCF000176
117 TUN_RST NC 44 C2133 1000P SWITCH
I2C_SCL [124] XTAL32.768K ROT_JOG US
118 I2C_SCL [125] XTAL32.768K NC 43 C2135 1000P
I2C_SDA [126] NC REGION1 [35]
119 I2C_SDA VSS_ADC 42
[127] XTAL16.9344M KEY2 [34] ROT_JOG
US RMT 120 REM_IN [128] XTAL16.9344M VDD_ADC [33] ROT_JOG 41
FAN_OUT2 MV_DET
121 UART_RXD/F2 MV_DET 40
FAN

BT_PCONT/EMMC_DAT3
122 UART_TXD/F1 KEY1 39

LD_CCW/EMMC_DAT0
C2132 100P R2187 0 KEY3 SMPS_ID

LD-CW/EMMC_DAT1
KEY3 38

USB-B/EMMC_NRST
123 DVSS

USB-A/EMMC_DAT2
F C2130 22P
124 SMPS_ID 37
R2188 0
SMPS_ID VR
VOL_JOG

USB_REC_LED
SYNC

USB_MUX_OE
IC2005 125 VOL_JOG 36 SYNC VR

EMMC_CMD
X2002 R2038 REGION1 PCONT

EMMC_CLK

CLOSE_SW
R2050 0
C0EBY0000664

INNER_SW
OPEN_SW
H0A327200191 10M 126 35 PCONT

DVDD_M1
VR

USB_SEL

FL_DATO

REGION2
REGION3

KEY_INT
R2048 0 KEY2 V_UP

DVDDIO
VOLTAGE DETECTOR

FL_CLK

PCONT
FL_DIN
127 34 V_UP VR

FL_CS
VDDQ
VSSQ

SYNC

SVDD
NRST

SVSS
BT_PCONT

V_UP
NRST C2143 0.22 C2131 27P C2110 0.1 C2134 1000P

GND
GND
DS BT_PCONT 128 33
R2057 0 EMMC_DAT3 R2037 C2139 1000P C2136 1000P
100K VOL_JOG US
4 3 1 2 3 4 5 6 7 8 9 10 11 12 13 14 15 16 17 18 19 20 21 22 23 24 25 26 27 28 29 30 31 32
USB-A C2128 8P
US USB-A VOUT CT VDD_ADC
1K

1 4
USB-B
US USB-B 1
D1H8R0040016
R2026

X2001 R2112 C2147


0
0
H0J169500045 R2036 2 4 6 8 C2107 C2108 C2125 USB_A_LED
10K 0.1 USB_A_LED
RX2002

EMMC_DAT0 GND VIN 1M 0.1 0.1 10 US


VSS_ADC USB_MUX_OE
1 2 USB_MUX_OE
R2144
R2142
US
G 3 4
EMMC_DAT1 1 2 2 3 1 3 5 7 R2076 USB_REC_LED

0
0 USB_REC_LED US
EMMC_NRST USB_SEL

0
5 6 C2129 8P USB_SEL US
EMMC_DAT2

FL_CLK R2069
R2035 FL_CS
7 8
USB_REC_LED
FL_CS US
USB_MUX_OE

R2066
680
EMMC_NRST
EMMC_DAT1
EMMC_DAT0

EMMC_DAT3
EMMC_DAT2

RX2001 FL_CLK
EMMC_CMD

USB_A_LED
EMMC_CLK

CLOSE_SW
C2142 FL_CLK

INNER_SW
US

OPEN_SW
D1H8R0040016 LD-CW 0.1 FL_DAT
USB_SEL

REGION2
REGION3

KEY_INT
FL_DAT

FL_DAT
US

PCONT
C2141 0.1

FL_CS
LD-CCW
SYNC

V_UP
KEY3
GND

MI: MAIN (MICON): SCHEMATIC DIAGRAM - 1 ~ 3


US: MAIN (USB): SCHEMATIC DIAGRAM - 4
TU: MAIN (TUNER AUX): SCHEMATIC DIAGRAM - 5 FOR AKX400
DS: MAIN (DSP BLUETOOTH): SCHEMATIC DIAGRAM - 6
DA: MAIN (DAMP): SCHEMATIC DIAGRAM - 7 1/3 2/3 3/3
H VR: MAIN (VOLTAGE REGULATOR): SCHEMATIC DIAGRAM - 8 ~ 9 SA-AKX200PN/PS,SA-AKX400PN/PS MAIN (MICON) CIRCUIT

1 2 3 4 5 6 7 8 9 10 11 12 13 14

43
12.3. Main (Micon) Circuit (2/3)
15 16 17 18 19 20 21 22 23 24 25 26 27 28

SCHEMATIC DIAGRAM - 2

A MAIN (MICON) CIRCUIT : +B SIGNAL LINE : CD INPUT SIGNAL LINE : TUNER/AUX INPUT SIGNAL LINE : USB SIGNAL LINE

LB2002
J0JYC0000656
1

P1 P1

R2423 10K PW_3R3V


R2422 10K
PW_6V VR

DAMP_OTW LB2015
DA DAMP_OTW J0JCC0000286
VDD_ADC
DS DA DAMP_VALID PW_SOC_1R5V VR

C2126
VSS_ADC 10
R2421 10K
MV_DET R2122 10K
BT_PCONT
KEY1 R2118 10K
TO MAIN (MICON) R2420 10K KEY2 R2121 10K
CIRCUIT (1/3)
R2419 10K PW_SYS_3R3V KEY3 R2123 10K
REGION1 R2127 10K
R2182 R2183 R2184
TUN_INT 10K 10K 10K
TU TUN_INT OPEN_SW
TUN_RST R2129
TU TUN_RST INNER_SW 2.7K...PS
TUN_WCK R2097 0
TU TUN_WCK 0...PN
TUN_BCK R2096 0 CLOSE_SW VOL_JOG R2131 10K
TU TUN_BCK
TUN_SDO LB2012 SMPS_ID
DS TU TUN_SDO J0JHC0000045
C2170 10
R2135
C2171 0.01 12K...AKX200PN
33K...AKX200PS
220K...AKX400PN
LD-CCW 680K...AKX400PS
ROT_JOG R2139 10K
LD-CW

F+
F-
TRV-
TRV+
LDM+
LDM-
R2162 0 R2159 6.8K TRVDRV
R2160 0 R2161 47K FODRV REGION2 R2109 10K

P2004 FOR AKX400


1 TRV+ 14 13 12 11 10 9 8 29 7 6 5 4 3 2 1 R2106 10K
TRV+ 10
VOFC+
VOFC-
VOSL-
VOSL+
VOTR+
VOTR-
VCC
FIN
REV
FWD
REGO1
VINSL+
REGO2
TRB_1
VINFC
TRV- 9 TRV- R2163 0 TRDRV
R2164 100K
LDM+ REGION3 R2108 10K
LDM+ 8 IC2004 R2165 0 R2166 15K SPDRV
TO D LDM- 7
LDM- C0GBY0000213
CD INTERFACE 5CH MOTOR DRIVER
VOTK+

VOLD+

TRB_2
VOTK-

VOLD-

VINLD

VINTK
OPEN_SW 6

MUTE
PVCC

VCTL

BIAS
GND
CIRCUIT (CN7002) FIN
NC

NC
DGND 5
IN SCHEMATIC RESET_SW 4 MI: MAIN (MICON): SCHEMATIC DIAGRAM - 1 ~ 3
15 16 17 18 19 20 21 30 22 23 24 25 26 27 28
DIAGRAM - 11 CLOSE_SW 3 US: MAIN (USB): SCHEMATIC DIAGRAM - 4
SPM-
SPM- 2 TU: MAIN (TUNER AUX): SCHEMATIC DIAGRAM - 5
SPM+ C2178
SPM+

SPM+ 1 DS: MAIN (DSP BLUETOOTH): SCHEMATIC DIAGRAM - 6


SPM-

10 C2172 1
0.1 LB2013
T+
T-

J0JHC0000045 DA: MAIN (DAMP): SCHEMATIC DIAGRAM - 7


C2180
VR: MAIN (VOLTAGE REGULATOR): SCHEMATIC DIAGRAM - 8 ~ 9
C2167 16V100
0.01 R2156
100
C2173 1000P
C2166
0.01 R2158 1K R2157 1.2K
P2005
F-
F- 24
F+
F+ 23 R2312...AKX200
T+ GND 0
T+ 22
T-
T- 21 R2313...AKX400
C 20 2 1 0
BD
D 19 4 3
AC R2314...PN
CD/DVD SW 18 6 5 0
RF 17 8 7
A 16 RX2003 R2319...PS
D1H81034A042 0
B 15
F
F 14
C2162 10 LB2010
TO OPTICAL PD GND 13 0
VBIAS TO MAIN (MICON)
PICKUP UNIT VREF 12
CIRCUIT (3/3)
VCC(5V) 11
E
E 10
NC 9 LB2014
R2169 4.7 J0JBC0000134
GND 8
C2163 R2167
NC 7 4.7 R2168 C2182
0.01
100K 16V100
CD-LD 6 Q2001 R2170 1K LDO
MD/LPD 5 B1ADCF000001
NC 4 LASER DRIVE
C2164 C2181
NC 3 10 R2171 0 C2179 16V100
DVD-LD 2 0.01
GND-LD 1
C2165 LB2011 D2002 MD
0.1 G1C100KA0101 DA2J10100L

1/3 2/3 3/3


SA-AKX200PN/PS,SA-AKX400PN/PS MAIN (MICON) CIRCUIT

15 16 17 18 19 20 21 22 23 24 25 26 27 28

44
12.4. Main (Micon) Circuit (3/3)
29 30 31 32 33 34 35 36 37 38 39 40 41 42

SCHEMATIC DIAGRAM - 3
A

A MAIN (MICON) CIRCUIT : +B SIGNAL LINE : CD INPUT SIGNAL LINE : TUNER/AUX INPUT SIGNAL LINE : USB SIGNAL LINE

IC2003
RFKWFKX200LM...AKX200 FOR AKX400
RFKWFKX400LM...AKX400
16M FLASH MEMORY
B

5 DI(DQ0) VSS 4
FLASH_DAT2
6 CLK WP#(DQ2) 3
LB2006 FLASH_DAT1
J0JYC0000656 7 HOLD#(DQ3) DO(DQ1) 2
FLASH_CS
VR US PW_SYS_3R3V 8 VCC CS# 1
C2122 C2121
10 0.1
LB2009 C2157 C2153 C2160
DS TU US DGND 10 0.1 0.1
J0JBC0000010
VR DA
FLASH_DAT3 PW_3R3V
FLASH_CLK
FLASH_DAT0
77 76 75 74 73 72 71 70 69 68 67 66 65 64 63 62 61 60 59 58 57 56 55 54 53 52 51 50 49 48 47 46 45 44 43 42 41 40
C

NC
NC
NC
RFU
VSS
RFU
NC
NC
NC
NC
NC
RFU
VCC
VCC
VCC
VCC
NC
NC
NC
RFU
RFU
RFU
VSS
VCC
NC
VSSQ
VSSQ
VSSQ
NC
NC
NC
VSSQ
NC
NC
NC
NC
NC
NC
78 39
79 VSS NC 38
80 VSS VSS 37
81 RFU VCC 36
C2159
82 VSS [78] VSS [39] RFU VCC 35 1
83 VSS VCC 34
84 VSS NC 33
85 VSS VSSQ 32
C2158
86 CLK NC 31 1
87 CLK VDDI 30
88 CLK VDDI 29
C2156
C2148 R2093
89 CLK NC 28
0.1 D
10 560K 90 VCC NC 27
C2154 91 VCC NC 26
CR_TIMER 0.1
92 VCC NC 25
D2001
IC2002 DA2J10100L 93 VCC NC 24
RFKWEKX200LM 94 NRST VSS 23
EEPROM
R2132 95 NRST VCC 22
10K
96 NRST IC2007 NC 21
EMMC_NRST
1 A0 VCC 8
PW_SYS_3R3V 97 NRST RFKB5157F...AKX400PN DAT7 20

2 A1 WP 7 R2115 R2117 98 CLK RFKB5157G...AKX400PS DAT6 19


1.2K 1.2K I2S_SCL 2GB NAND FLASH MEMORY
SCL 6 99 RFU DAT5 18
3 A2
I2S_SDA LB2016 100 VSS DAT4 17
4 GND SDA 5 J0JCC0000286 EMMC_DAT3
101 VCC DAT3 16
C2144 C2146 C2145 C2155
E
102 RFU NC 15
0.022 47P 47P 0.1
103 NC NC 14
104 NC NC 13
105 NC NC 12
C2152
4.7 106 CMD NC 11
107 CMD NC 10
P1 108 CMD VSS 9
BT_PCONT
USB_A_LED
LD-CCW
LD-CW
USB-B
USB-A

PW_3R3V

SP_SDA
SP_SCL
SP_INT

GND
109 NC VCC 8
110 NC RFU 7
111 NC RFU 6
EMMC_DAT2
112 VSSQ DAT2 5
FOR AKX400 113 VSSQ [116] CMD DAT1 4
EMMC_DAT1

RX2005 C2161
114 NC DAT0 3
EMMC_DAT0 F
DS TU US PW_3R3V D1H81034A042 0.1
R2146
J0JCC0000308 115 VCCQ DAT3 2

VCCQ
VCCQ

VCCQ

VCCQ
VSSQ

VSSQ
VSSQ

VSSQ

VSSQ
DA VR EMMC_CMD
R2411 10K

VCC

VCC

VCC
RFU

RFU
VSS

VSS

VSS
CLK
116 NC 1 8 6 4 2

NC
NC

NC

NC
NC
NC
NC

NC
NC

NC

NC
NC
NC
NC
NC

NC

NC
NC
NC
R2412 10K IC2006 RX2004
8 6 4 2
C0ZBZ0001747 R2126 117 118 119 120 121 122 123 124 125 126 127 128 129 130 131 132 133 134 135 136 137 138 139 140 141 142 143 144 145 146 147 148 149 150 151 152 153
7 5 3 1
D1H81034A042
0

I/O EXPANDER 10K


7 5 3 1
R2003

LB2148 R2130
TO MAIN (MICON) 1 VCCI VCCP 16 0 10K C2150 C2151 C2149
R2417 10K EMMC_CLK 0.1 0.1 0.1
CIRCUIT (2/3) 2 ADDR SDA 15
3 RESET SCL 14
4 P0 /INT 13
5 P1 P7 12
6 P2 P6 11
G
7 P3 P5 10 MI: MAIN (MICON): SCHEMATIC DIAGRAM - 1 ~ 3
8 GND P4 9 US: MAIN (USB): SCHEMATIC DIAGRAM - 4
0.1
0

TU: MAIN (TUNER AUX): SCHEMATIC DIAGRAM - 5


C2102 DS: MAIN (DSP BLUETOOTH): SCHEMATIC DIAGRAM - 6
C2103
R2300

0.1
DA: MAIN (DAMP): SCHEMATIC DIAGRAM - 7
VR: MAIN (VOLTAGE REGULATOR): SCHEMATIC DIAGRAM - 8 ~ 9
LB2025 J0JCC0000277

LB2026 J0JCC0000277
TU ANAL_SEL
LB2027 J0JCC0000277
US MPORT_DET
1/3 2/3 3/3
SA-AKX200PN/PS,SA-AKX400PN/PS MAIN (MICON) CIRCUIT H

29 30 31 32 33 34 35 36 37 38 39 40 41 42

45
12.5. Main (USB) Circuit
1 2 3 4 5 6 7 8 9 10 11 12 13 14

SCHEMATIC DIAGRAM - 4
A A

A MAIN (USB) CIRCUIT : +B SIGNAL LINE : AUX INPUT SIGNAL LINE : USB SIGNAL LINE

R2503 330

Q2500 R2510
DSA200100L 100K
SWITCH
B R2504 B
10K FOR AKX200
QR2500 FOR AKX400
B1GBCFGN0016 USB_REC_LED MI
LB2501 0
LED DRIVE IC2502 VR MI DC_DET_PWR CN2500 1
C0DBZYY00723 17 NC
HIGH SIDE SWITCH 16 NC
4 /OC EN 3 USB-B MI
R2555 15 DGND
33K MI ROT_JOG 14 ROT_JOG
5 ILIM GND 2
MI VOL_JOG 13 VOL_JOG
MI FL_DAT 12 FL_DAT
6 VOUT VIN 1 PW_USB5V VR
MI FL_CS 11 FL_CS TO B
C2506 C2507 MI FL_CLK 10 FL_CLK PANEL CIRCUIT
0.1 4.7
C MI RMT 9 RMT (CN6001) C
DGND MI TU DS DA VR MI KEY1 8 KEY1 IN SCHEMATIC
R2502 330 R2526 0
MI KEY2 7 KEY2 DIAGRAM - 9
R2511 6 KEY3
Q2501 100K MI KEY3 5 FL_GND
DSA200100L
SWITCH VR MI PW_SYS_3R3V 4 PW_SYS_3R3V
USB_OVC MI
R2505 VR PW_16V 3 PW_12V
10K
VR DA DS TU MI PW_3R3V 2 PW_3R3V
R2521 1
USB_A_LED MI VR PW_5V 1 PW_+5V
17
QR2501 IC2501
B1GBCFGN0016 C0DBZYY00723
LED DRIVE HIGH SIDE SWITCH CN2500 17
4 /OC EN 3 USB-A MI 1 PW_CD5R6V
D R2556
33K 2 PW_CD3R3V D
5 ILIM GND 2 3 PW_+16V
4 PW_SYS3R3V
6 VOUT VIN 1 5 DGND
C2504 C2508 6 FL_DO
0.1 4.7 7 DC_DET_PWR TO B
8 KEY1 PANEL CIRCUIT
9 RMT (CN6100)
10 FL_CLK IN SCHEMATIC
11 FL_CE DIAGRAM - 10
12 FL_DI
13 VOL_JOG
E 14 ROT_JOG E
USB_MUX_OE MI 15 LED_GND
USB_SEL MI 16 RED_LED
17 GREEN_LED
C2505 1
0.1
10 SEL D+ 1 USB_D+ MI

FOR AKX400
9 VCC D- 2 USB_D- MI
R2501
100
8 /OE GND 3

7 2D+ 1D- 4
F F
6 2D- 1D+ 5

CN2503 IC2500
USB_A_D- 1 C0JBAS000401 MI: MAIN (MICON): SCHEMATIC DIAGRAM - 1 ~ 3
USB_A_D+ 2 USB SELECTOR US: MAIN (USB): SCHEMATIC DIAGRAM - 4
TO C USB_B_D- 3 TU: MAIN (TUNER AUX): SCHEMATIC DIAGRAM - 5
USB CIRCUIT USB_B_D+ 4 DS: MAIN (DSP BLUETOOTH): SCHEMATIC DIAGRAM - 6
(CN6402) DGND 5 DA: MAIN (DAMP): SCHEMATIC DIAGRAM - 7
IN SCHEMATIC PW_USBA_5V 6 VR: MAIN (VOLTAGE REGULATOR): SCHEMATIC DIAGRAM - 8 ~ 9
DIAGRAM - 11 PW_USBB_5V 7
PW_D5V 8
G PW_D5V_A 9 G
FOR AKX400

TO E CN2507
MPORT_DET 1
R2536 0
MPORT_DET MI
MUSIC PORT R2519 0
MPORT_L 2 BUG_AN_LIN TU
CIRCUIT (CN6300) R2512 0
AGND 3
IN SCHEMATIC R2518 0
MPORT_R 4 BUG_AN_RIN TU
DIAGRAM - 11

H SA-AKX200PN/PS,SA-AKX400PN/PS MAIN (USB) CIRCUIT H

1 2 3 4 5 6 7 8 9 10 11 12 13 14

46
12.6. Main (Tuner AUX) Circuit
1 2 3 4 5 6 7 8 9 10 11 12 13 14

SCHEMATIC DIAGRAM - 5
A A

A MAIN (TUNER AUX) CIRCUIT : +B SIGNAL LINE : TUNER/AUX INPUT SIGNAL LINE : FM SIGNAL LINE : AM SIGNAL LINE

B B
FOR AKX400

C6104 1

JK6002
4
C 1 2 3 4 5 6 7 8
R6146 C

L0

L2

L CH

L3

L1

INH

VEE

GND
10K
L
3
IC6100 R6133 C6099 C6111
C0JBAR000367 4.7K 680P 100P AUX IN...AKX200

B (MSB)
A (LSB)
SELECTOR
AUX IN 1...AKX400

R CH
R6134 C6100 C6112

VCC
4.7K 680P 100P

R2

R1

R0

R3
R
2
16 15 14 13 12 11 10 9 R6147
LB6100
J0JBC0000134 10K
1
VR DA PW_12V
C6113 C6101
R6102 16V100 0.1 C6105 1
10K
R6103 1K
QR6100
D B1GBCFJJ0041 D
SWITCH R6150
MI ANAL_SEL 10K

R6149 47K
R6106 10K R6135 0
R6148 47K

C6106 C6107 R6151 C6110


1 1 10K 16V47 R6136 0
R6100 10K
US BUG_AN_LIN
R59 2.2K
R6104 10K
US BUG_AN_RIN C6108 C6109 C66
C6102 R6101 C6103
680P
R6105
4.7K
1 1 33P JK51
680P 4.7K
G3
IC52 L51 C51
E VUEALLPT087 G1CR18JA0020 1000P
E
C67 16 17 18 19 20 T1 FM/AM RADIO RECEIVER G2 FM ANT
MI TUN_INT 3P

DCLK
GCGPO2
GCGPO1

NC
RIN
MI TUN_BCK 15 LIN NC 1 LB52 LB51 VA51
0 J0JYC0000656 EZAEG2A50AX G1
MI TUN_WCK 14 DFS FMI 2
R52 560
DS MI TUN_SDO 13 DOUT THERMAL RFGND 3
12 GND PAD AMI 4
G2 JK52

RCLK

SCLK
SDIO
11 VDD RST 5

SEN
C61 VIO
LB53 0.1 4 3 2 AM ANT
J0JYC0000656
10 9 8 7 6 L53 1 AM ANT
AM ANT
VR DA DS US MI PW_3R3V 0
2
C52
0.47
DS MI DSP_SDA 6 1
F DS MI DSP_SCL C62 G1 F
0.1
VR DA DS US MI DGND

L52
MI TUN_RST G2A380Y00002

MI: MAIN (MICON): SCHEMATIC DIAGRAM - 1 ~ 3


US: MAIN (USB): SCHEMATIC DIAGRAM - 4
TU: MAIN (TUNER AUX): SCHEMATIC DIAGRAM - 5
DS: MAIN (DSP BLUETOOTH): SCHEMATIC DIAGRAM - 6
DA: MAIN (DAMP): SCHEMATIC DIAGRAM - 7
VR: MAIN (VOLTAGE REGULATOR): SCHEMATIC DIAGRAM - 8 ~ 9
G G

H SA-AKX200PN/PS,SA-AKX400PN/PS MAIN (TUNER AUX) CIRCUIT H

1 2 3 4 5 6 7 8 9 10 11 12 13 14

47
12.7. Main (DSP Bluetooth) Circuit
1 2 3 4 5 6 7 8 9 10 11 12 13 14

SCHEMATIC DIAGRAM - 6
A A

A MAIN (DSP BLUETOOTH) CIRCUIT : +B SIGNAL LINE : CD INPUT SIGNAL LINE : TUNER/AUX INPUT SIGNAL LINE : AUDIO OUTPUT SIGNAL LINE

VR DA TU US MI PW_3R3V
LB6501
J0JYC0000656 X6500
C6560 H0J245500110 C6561
12P 12P
2 1
B 3 4
B
R6501
1.5K
R6502 1M
VR DA TU US MI DGND

10K

1
C6528
10

R6504

C6529
LB6500
J0JYC0000656
C6550 1000P
C6551 1000P
C6552 47P T1 48 47 46 45 44 43 42 41 40 39 38 37
C6525

ADDR

BSSEL

TST

DIVSEL

XINSEL

DVSS_OSC

XO

XI

AVDD

AVSS

CLK110M

ANATEST
C6553 47P 1
C 1 36 C
R6550 220
MI DSP_RESET 2 35
R6551 220
MI DSP_MUTE 3 SMUTE THERMAL PWM4A 34
TU MI DSP_SDA 4 SDA PAD PWM4B 33
TU MI DSP_SCL 5 SCL [1] DVSS1 DVSS_PWM2 [36] PWM3A 32
R6581 10K [2] RST_N DVDD_PWM1 [35]
6 SDIN3 PWM3B 31
TU MI TUN_SDO 7 SDIN2 IC6500 PWM2A 30 PWM_P_2 DA
MI I2S_SDO0 8 SDIN1
VUEALLPT090 PWM2B 29 PWM_M_2 DA
DSP
MI I2S_WCK 9 LRCK PWM1A 28 PWM_P_1 DA
[12] DVSSCORE DVSS_PWM1 [25]
MI I2S_BCK 10 BCK PWM1B 27 PWM_M_1 DA

DVDDCORE
C6527 1

LDOPOFF
11 DVDD1 DVDD_PWM1 26

SDOUT2

SDOUT1

DVDD2
REG15

DVSS2
ERRIN

BCKO

VALID
CLKO
LRCK
12 25 C6523 C6501
1 16V22
D 13 14 15 16 17 18 19 20 21 22 23 24 D

0.47

1
C6500 R6559
16V47 100

C6521

C6591
C6592
0.1
DAMP_VALID DA

E BT_UART_RTS MI
E

BT_WAKE MI

BT_HOST_WAKE MI

C7003 C7000 L7000 BT_PCONT MI


0.1 0.1 J0JYC0000305

16 15 14 13 12 11 10 9
GND

+5V
GND
BT_CTS

LDO_ON
GND
GND

HOST_
WAKEUP

1 CE VDD 4 PW_BT_5V VR
R7001
2.2K
UART_RX
UART_TX

IC7000* 2 GND VOUT 3


F BLUETOOTH MODULE F
1

1
GND

GND

NC

NC

NC

NC

IC7001
C7001

C7002

1 2 3 4 5 6 7 8
C0DBGYY00969
+5V VOLTAGE REGULATOR

BT_UART_RX MI

BT_UART_TX MI

G MI: MAIN (MICON): SCHEMATIC DIAGRAM - 1 ~ 3 G


US: MAIN (USB): SCHEMATIC DIAGRAM - 4
TU: MAIN (TUNER AUX): SCHEMATIC DIAGRAM - 5
DS: MAIN (DSP BLUETOOTH): SCHEMATIC DIAGRAM - 6
DA: MAIN (DAMP): SCHEMATIC DIAGRAM - 7
VR: MAIN (VOLTAGE REGULATOR): SCHEMATIC DIAGRAM - 8 ~ 9

H NOTE: “ * ” REF IS FOR INDICATION ONLY SA-AKX200PN/PS,SA-AKX400PN/PS MAIN (DSP BLUETOOTH) CIRCUIT H

1 2 3 4 5 6 7 8 9 10 11 12 13 14

48
12.8. Main (Damp) Circuit
1 2 3 4 5 6 7 8 9 10 11 12 13 14

SCHEMATIC DIAGRAM - 7
A A

A MAIN (DAMP) CIRCUIT : +B SIGNAL LINE : AUDIO OUTPUT SIGNAL LINE

B B

IC6000
R6050 10
C1AB00003994...AKX200
C1AB00004014...AKX400
R6007 10 POWER AMPLIFIER
L6000
C6005 10 G0A100K00006

C6018 0.1 C6024 0.033


1 GVDD_AB BST_A 44
C C6019 0.1
2 VDD BST_B 43
C6028 0.033
R6058
C
R6046 22K 3.3 R6068
3 OC_ADJ GND 42 C6045
0.47 100K
DS MI DAMP_VALID 4 /RESET GND 41 3 4 C6061
0.01
DS PWM_P_1 5 INPUT_A OUT_A 40 L6300

0.1
FOR AKX400 R6308

50V1000
1
G0C100M00013 5.6K

C6033
DS PWM_M_1 6 INPUT_B OUT_A 39
C6023 0.1 C6062
7 C_STARTPVDD_AB 38 1 2

C6031
C6032
0.01
C6020 1 C6046 R6066
8 DVDD PVDD_AB 37 0.47 100K
R6060
9 GND PVDD_AB 36 L6001 3.3 G2 JK6000
G0A100K00006
10 GND OUT_B 35 4 LEFT-
11 GND GND 34 3 LEFT+
12 GND GND 33 L6002 2 RIGHT-
TO SPEAKERS
C6022 1 G0A100K00006
13 AVDD OUT_C 32 1 RIGHT+
D DS PWM_P_2 14 INPUT_C PVDD_CD 31 R6061 G1 D
DS PWM_M_2 15 INPUT_D PVDD_CD 30 C6047 3.3 R6069

0.1

50V1000
100K

1
0.47

C6035
16 /FAULT PVDD_CD 29 3 4 C6063
0.01
DAMP_OTW 17 /OTW OUT_D 28

C6036
C6039
MI L6301 R6309
18 /CLIP OUT_D 27
FOR AKX400 G0C100M00013 5.6K
C6064
19 M1 GND 26 1 2 0.01
R6072 10K C6048 R6067
VR DS TU US MI PW_3R3V 20 M2 GND 25 0.47 100K
C6025 0.033 R6062
21 M3 BST_C 24 L6005 3.3
R6011 10 C6030 0.033 G0A100K00006
VR TU PW_12V 22 GVDD_CD BST_D 23
C6021 0.1

DGND MI US TU DS VR

E E
PW_32V VR
R6001
0 R6056 4.7K

Q6007
R6057
220K
C6027
0.1
B1ABCF000176 R6070 6.8K
SPEAKER PROTECTION
Q6002 SWITCH
B1ADGF000016 R6132 220K
DC DETECT
C6068 10
R6055
47K Q6300
R6054 56K
B1ABCF000176
F SPEAKER PROTECTION F
Q6001 SWITCH
B1ABCF000176
DC DETECT

MI DC_DET_AMP_FAN

G G

MI: MAIN (MICON): SCHEMATIC DIAGRAM - 1 ~ 3


US: MAIN (USB): SCHEMATIC DIAGRAM - 4
TU: MAIN (TUNER AUX): SCHEMATIC DIAGRAM - 5
DS: MAIN (DSP BLUETOOTH): SCHEMATIC DIAGRAM - 6
DA: MAIN (DAMP): SCHEMATIC DIAGRAM - 7
VR: MAIN (VOLTAGE REGULATOR): SCHEMATIC DIAGRAM - 8 ~ 9

H SA-AKX200PN/PS,SA-AKX400PN/PS MAIN (DAMP) CIRCUIT H

1 2 3 4 5 6 7 8 9 10 11 12 13 14

49
12.9. Main (Voltage Regulator) Circuit
1 2 3 4 5 6 7 8 9 10 11 12 13 14

SCHEMATIC DIAGRAM - 8
A A

A MAIN (VOLTAGE REGULATOR) CIRCUIT : +B SIGNAL LINE

PW_SYS_5V

D1003
DZ2J075M0L R1060
D1014
J0JYC0000656 CN1002
SYNC
DA2J10100L 9 SYNC
B MI PROTECT
B
8 PROTECT
MI: MAIN (MICON): SCHEMATIC DIAGRAM - 1 ~ 3 MI SMPS_ID 7 SMPS_ID
US: MAIN (USB): SCHEMATIC DIAGRAM - 4 MI V_UP 6 V_UP
TU: MAIN (TUNER AUX): SCHEMATIC DIAGRAM - 5 MI PCONT 5 PCONT TO SMPS MODULE
DS: MAIN (DSP BLUETOOTH): SCHEMATIC DIAGRAM - 6 R1070
DA PW_32V 2.2K 4 PWR_GND
DA: MAIN (DAMP): SCHEMATIC DIAGRAM - 7 3 PWR_GND
VR: MAIN (VOLTAGE REGULATOR): SCHEMATIC DIAGRAM - 8 ~ 9 32.5V
2 32.5V
1 32.5V
IC1005
C0DBGYY03909
+3.3V VOLTAGE REGULATOR

IC1004
C C0DBGYY00911 GND VOUT VIN C
+1.5V VOLTAGE REGULATOR 1 2 3

DA DS TU US MI DGND
PW_SYS_3R3V
R1067
J0JYC0000656

C1045
1 CN VIN 4 C1049 C1044

10
DS PW_BT_5V 0.1 10
C1024
1
2 GND VO 3
PW_SYS_5V

C1025 1
C1048 0.1
MI PW_SOC_1R5V
DGND
D D
PW_SYS_3R3V PW_16V US

R1064
10K D1013
SYNC
US MI PW_SYS_3R3V DZ2J150M0L...AKX200
MI SYNC DZ2J200M0L...AKX400 IC1002
DA TU PW_12V C0DBAYY01594
US MI DC_DET_PWR +16V DC-DC CONVERTER
C1005 0.1
D1011
B0ADDJ000032 C1055 0.1 D1008
3 R1055 2.2 L1001 DA2J10100L
G1C101MA0291
R1053 2.2
R1047 0 10 PH BOOT 1

B0JCPG000032
R1054 2.2

THERMAL PAD
E R1007 E

0.1
10
32.5V

D1000
68K
2 1 Q1000 R1056 270
9 GND VIN 2
B1AAKD000012

C1022
C1002
R1026
+12V VOLTAGE REGULATOR Q1008 120K...AKX400 8 COMP EN 3
68K...AKX200
B1ADCE000012 R1030

50V22
2.2K
CURRENT LIMITER 10K
3

0.1
C1033 R1038 7 VSENSE SS/TR 4
0.01 390 R1076
1.8M
0.1

R1027 C1003 C1004


D1002 QR1006

C1021

C1031
R1044
C1050 10K 560P 0.1
B0ADDJ000032 C1052
16V220
25V100 QR1008 6 PWRGD RT/CLK 5
B1GBCFJJ0051
B1GBCFJJ0051 R1031 C1018 SWITCH
C1023

2 1 C1032 D1005 T1
10 DC DETECT 220K 0.01
DZ2J130M0L

F FOR AKX400 IC1003 F


C0DBAYY01594
+6V DC-DC CONVERTER
C1016 0.1
US PW_5V
D1001 B0EAKM000117 Q1007
US PW_USB5V
D1006 B0EAKM000117 B1DGDC000002 L1000
SWITCH
G1C330MA0234
10 PH BOOT 1

THERMAL PAD
B0JCPG000032
6 5 4 R1004
100K

IC1000 7.5K

0.1
10

DZ1000
9 GND 2
0.1

VIN

10
C0DBGYY03909 B0EAKM000117
+3.3V VOLTAGE REGULATOR

C1009
C1046
C1008
R1005 R1077
R1050
C1042

56K 8 COMP EN 3
R1008 1.8M
D1007

1 2 3 C1051
16V100 10K
7 VSENSE SS/TR 4
G GND VOUT VIN
QR1007 G
1 2 3 B1GBCFJJ0051
QR1003

0.01
R1049 C1013 C1015

4.7
R1006 6 PWRGD RT/CLK 5
10

10K 560P 0.01 SWITCH


DA DS TU US MI PW_3R3V B1GBCFJJ0051 10K
R1016
SWITCH T1 AM_BP MI
C1000

D1009 220K

C1019
C1020
C1001
C1039

C1047
10

0.1 10 B0EAKM000117 C1040 R1051


1 2.2K
DGND

PW_SYS_5V

MI PW_6V

H SA-AKX200PN/PS,SA-AKX400PN/PS MAIN (VOLTAGE REGULATOR) CIRCUIT H

1 2 3 4 5 6 7 8 9 10 11 12 13 14

50
12.10. Panel Circuit (For SA-AKX200PN/PS)
1 2 3 4 5 6 7 8 9 10 11 12 13 14

SCHEMATIC DIAGRAM - 9
A A

B PANEL CIRCUIT : +B SIGNAL LINE

B B
FL6801
A2BB00000186
FL DISPLAY

PGND
DOUT

LGND

OSC
VDD
STB

CLK

DIN

VIN
SW
NC

NC

NC

NC

NC

NC

NC

NC

NC

NC

NC

NC

NC

NC

NC

NC

NC

NC

NC

NC
VH

F+

F+
F-

F-
1 2 4 5 6 7 8 9 10 11 12 13 14 15 16 17 18 19 20 21 22 23 24 25 26 27 28 29 30 31 32 33 34 36 37

R6822 R6802 C6801


C6821 C6820 R6811 R6810 100K 1
6.3V100 1 39 39 47K

FL_CS R6812 100


FL_CLK
C R6813 100 C
FL_DAT R6814 100
C6807 D6806
R6803 R6805 1 DZ2J056M0L
C6808 1 10 0 C6817
6.3V100

Q6816
C6806 B1HFCDE00002
50V47 SWITCH

Q6801
C6804 1
B1HFCDE00002
D6802 D6801 SWITCH
4 3 B0ADDH000009 B0ADDH000009
R6804
R6818 C6816 3 3 22
47K 0.1 R6801
D 5 2 6 1 0 D
LB6803
J0JHC0000118 R6817 R6815
PW_12V 22K 2.7K
6 1 5 2
C6813 2 1 2 1
FL_GND 1
C6803 1
4 3
PW_3R3V C6802 R6806 C6805
R6816 4.7K 1 47K 1
D6021...AKX200 LB6802
B0EAMM000057 J0JHC0000118 C6814
1

PW_+5V

LB6805
E J0JHC0000118 E

KEY1
KEY2
KEY3 R6820
0

FL_GND
VR9000 VR9001 CN6001 17
VOLUME MULTI CONTROL 1 NC
IR6500
S6200 S6212 S6213 REMOTE SENSOR 2 NC
POWER ALBUM/TRACK FWD R9043 0
F G1 G2 ROT_JOG
3 DGND F
R9044 0
4 ROT_JOG
VOL_JOG R9045 0
R9001 R9006 R9011 1 2 3 1 2 3 1 2 3 5 VOL_JOG
S6201 2.2K S6215 2.7K S6223 2.7K FL_DAT R9046 0
OPEN/CLOSE PLAY/PAUSE BT -PAIRING 6 FL_DAT

C6830
FL_CS
FL_CLK
R9047 0
7 FL_CS TO A
R9048 0
R9002 R9012
C6824 C6825 C6822 C6823 100P 8 FL_CLK MAIN (USB) CIRCUIT
R9007 100P 100P 100P 100P C6831 1000P RMT R9049 0
S6202 3.9K S6216 3.9K S6224 3.9K 9 RMT (CN2500)
STOP/TUNE MODE DJ JUKEBOX USB/CD C6832 10 KEY1 R9050 0
10 KEY1 IN SCHEMATIC
R9031 R9041 R9039 R9040 KEY2 R9051 0
12K 22K 12K 22K
11 KEY2 DIAGRAM - 4
R9003 R9008 R9013 KEY3 R9052 0
S6222 S6211 S6214 7.5K 12 KEY3
7.5K 7.5K R9053 0
RWD D.BASS RADIO/AUX 13 FL_GND
R9054 0
14 PW_SYS_3R3V
PW_12V
ROT_JOG
VOL_JOG

S6225 R9055 0
S6221 15 PW_12V
G USB R9004
18K LATIN R9009
18K S6226
R9014
18K PW_3R3V R9056 0
G
REC/PAUSE EQ 16 PW_3R3V
RMT

DISPLAY PW_+5V R9057 0


17 PW_+5V
1

H SA-AKX200PN/PS PANEL CIRCUIT H

1 2 3 4 5 6 7 8 9 10 11 12 13 14

51
12.11. Panel Circuit (For SA-AKX400PN/PS)
1 2 3 4 5 6 7 8 9 10 11 12 13 14

SCHEMATIC DIAGRAM - 10
A A

B PANEL CIRCUIT : +B SIGNAL LINE : -B SIGNAL LINE

DC_DET_PWR R6020 0
D6007 D6009
B0EAMM000057 DZ2J24000L
R6021 L6000 0
15K
QR6001 C6022
4700P
R6026
22
B1GBCFJJ0041 C6023 R6029
SWITCH
50V100 47K
Q6001 5
4 6
B B1ABMG000008 B
SWITCH D6005
3 7 B0EAMM000057

B0BC033A0282
C6019 0 ADC_GND R6032 D6012
R6022 10 B0BC2R4A0006

D6006
10K C6031
6.3V470 2 8
R6025 C6024
5.6K D6018 16V100
PW_+16V 1 9 B0JAME000114

C6021 C6030
CN6100 25V100 25V100 T6000
17 DGND G4DYA0000214
LB6017 J0JBC0000010 PW_CD_+5R6V
PW_CD5R6V 17 SWITCHING TRANSFORMER
LB6016 J0JBC0000010 PW_CD3R3V
PW_CD3R3V 16 R6027 1
LB6015 J0JBC0000010 PW_+16V
PW_+16V 15 R6028 1
PW_SYS3R3V R6030 0
LB6014 J0JBC0000010
C PW_SYS3R3V 14 C
DGND
DGND 13
R6116 J0JBC0000010 FL_DOUT
FL_DO 12

TO A DC_DET_PWR 11
R6125 0 DC_DET_PWR
FL6000
MAIN (USB) CIRCUIT KEY1 10
R6126 0 KEY1 A2BB00000184
FL DISPLAY
(CN2500) RMT 9
RMT
IN SCHEMATIC R6117 J0JBC0000010 FL_CLK
FL_CLK 8

GR10

GR11

GR12

SG16

SG15

SG14

SG13

SG12

SG11

SG10
DIAGRAM - 4

GR1

GR2

GR3

GR4

GR5

GR6

GR7

GR8

GR9

SG9

SG8

SG7

SG6

SG5

SG4

SG3

SG2

SG1
R6118 0 FL_CS

NC

NC

NC

NC

NC

NC

NC

NC

NC

NC
F+

F-
FL_CE 7
R6119 J0JBC0000010 FL_DA
FL_DI 6 1 2 5 6 7 8 9 10 11 12 13 14 15 16 17 18 19 20 21 22 23 24 25 26 27 28 29 30 31 32 33 34 35 36 37 38 39 40 43 44
R6123 0 VOL_JOG
VOL_JOG 5 R6033
R6124 0 ROT_JOG 22K
ROT_JOG 4
D D

GR10

GR11

GR12

SG16

SG15

SG14

SG13

SG12

SG11

SG10
LED_GND C6028

GR1

GR2

GR3

GR4

GR5

GR6

GR7

GR8

GR9

SG9

SG8

SG7

SG6

SG5

SG4

SG3

SG2

SG1
LED_GND 3 22
RED_LED 2 C6027
50V22
GREEN_LED 1
1

100P
100P
100P
100P
100P
100P
100P
100P
100P
100P
100P
100P
C6003
C6004
C6005
C6006
C6007
C6009
C6011
C6013
C6014
GR10 C6015
GR11 C6016
GR12 C6018

GR1
GR2
GR3
GR4
GR5
GR6

GR7
GR8
GR9
PW_CD_+5R6V

VR9000 VR9001

GR1
GR2
GR3
GR4
GR5
GR6
GR7
GR8
GR9
VOLUME MULTI CONTROL
IR6500
REMOTE SENSOR
E 44 43 42 41 40 39 38 37 36 35 34 E
G1 G2

VSS
VDD
G1
G2
G3
G4
G5
G6
G7
G8
G9
R6103 P0 GR10
0 1 33 1 2 3
1 2 3 1 2 3
GR11
2 P1 G11 32
[1] P0 [33] G10
P2 GR12
3 P2 G12/S17 31
D6103 D6102 C6830
P3 C6824 C6825 C6822 C6823 100P
B3ABA0000905 B3AAA0001129 4 P3 VEE 30 C6831 1000P
SG16 100P 100P 100P 100P
R6037 5 OSC S16 29
R6106 R6107 FL_DOUT 0 IC6000 R9031 R9041 R9039 R9040
C6832 10 PW_SYS3R3V
SG15
P3 R6101 0 820 270 6 DOUT C0HBB0000057 S15 28 12K 22K 12K 22K
FL_DA R6018 220 FL DISPLAY DRIVER SG14
7 DIN S14 27
FL_CLK SG13

ROT_JOG
VOL_JOG
R6016 220
8 CLK S13 26
FL_CS R6017 470 SG12
QR6003 9 STB S12 25

RMT
[11] K2
F P2 R6102 0 B1GBCFGN0018 K1 R6006 10K
10 K1 S11 24
SG11 F
LED DRIVE
K2 R6007 10K SG10
QR6004 S10 23

VDD
VSS
11

S1
S2
S3
S4
S5
S6
S7
S8
S9
330P
330P

330P
B1GBCFGN0018

12K
ADC_GND
LED DRIVE R6112 R6105
820 270 12 13 14 15 16 17 18 19 20 21 22
LED_GND R6038 R6008 R6009

C6010
C6008

C6012

R6023
10K 10K 10K
S6202 S6201 S6200
C6017 0.01 STOP/TUNE MODE OPEN/CLOSE POWER

SG1
SG2
SG3
SG4
SG5
SG6
SG7
SG8
SG9
D6104 D6105
B3ABA0000905 B3AAA0001129 PW_CD3R3V R6036 2.7K R6035 2.7K KEY1

G G
SG1

SG2

SG3

SG4

SG5

SG6
D6024...AKX400
B0EAMM000057
D6201 D6202 D6203 D6204 D6205 D6206
DA2J10100L DA2J10100L DA2J10100L DA2J10100L DA2J10100L DA2J10100L

S6221 S6211 S6222 S6212 S6223 S6213 S6224 S6214 S6225 S6215 S6226 S6216
LATIN D.BASS RWD ALBUM/TRACK BT -PAIRING FWD MEMORY/USB CD/RADIO/AUX USB PLAY/PAUSE MEMORY DJ JUKEBOX/
EQ -ILLUMINATION REC/PAUSE REC/PAUSE SAMPLER
K2
K1

H SA-AKX400PN/PS PANEL CIRCUIT H

1 2 3 4 5 6 7 8 9 10 11 12 13 14

52
12.12. USB, CD Interface and Music Port Circuit
1 2 3 4 5 6 7 8 9 10 11 12 13 14

SCHEMATIC DIAGRAM - 11
A A

C USB CIRCUIT : +B SIGNAL LINE : USB SIGNAL LINE


E MUSIC PORT CIRCUIT : AUX INPUT SIGNAL LINE

D6401 JK6400
B3AAA0000487 6 FOR AKX400
4 DGND G

B 3 +D USB PORT A B
7
JK6301
2 -D (PLAY)
1 USB5V 6
G
LB6400 5
J0JHC0000118 C6400 C6319 C6318
0.1 330P 330P
1
L6302
CN6402 J0JBC0000019 L
USB_A_D- 1 TO A CN6300
MPORT_R 4 L6301
2
AUX IN 2
USB_A_D+ 2 MAIN (USB) CIRCUIT J0JBC0000019
LB6303 0
TO A USB_B_D- 3 R6401
470K (CN2507)
AGND 3 3
R

MAIN (USB) USB_B_D+ 4 MPORT_L 2


IN SCHEMATIC L6300 0
CIRCUIT (CN2503) MPORT_DET 1 4
DGND 5 DIAGRAM - 4
C IN SCHEMATIC PW_USBA_5V 6 C
R6402 D6400
DIAGRAM - 4 PW_USBB_5V 7 470K B3AAA0000487 6
JK6401 5
PW_D5V 8 4 DGND G

PW_D5V_A 9
3 +D
USB PORT B
2 -D (REC/PLAY)
1 USB5V
G
LB6401 5
J0JHC0000118 C6401
0.1

D D

D CD INTERFACE CIRCUIT
E E

CN7001
LDM+ 5
TO LOADING P.C.B. LDM- 4
(CD MECHANISM UNIT) OPEN_SW 3
DGND 2
CLOSE_SW 1 M7302*
F SPINDLE MOTOR F
+

CN7002
1
SPM+ 10
SPM- 9
CLOSE_SW 8
TO A RESET_SW 7 1 3
MAIN (MICON) DGND 6
CIRCUIT (P2004) OPEN_SW 5 2 4
IN SCHEMATIC LDM- 4
DIAGRAM - 2 LDM+ 3
S7201
RESET
TRV- 2
G 10
TRV+ 1 G
+

M7301*
TRAVERSE MOTOR

H NOTE: “ * ” REF IS FOR INDICATION ONLY SA-AKX200PN/PS,SA-AKX400PN/PS USB / CD INTERFACE / MUSIC PORT CIRCUIT H

1 2 3 4 5 6 7 8 9 10 11 12 13 14

53

You might also like