0% found this document useful (0 votes)
751 views25 pages

EDRMT341773D - RXQ-A - M - YM - W - VRV A Series 6-60HP

This document provides specifications for VRV A Series cooling only air conditioner models RXQ6AYM(W) and RXQ8AYM(W). Key details include: - Model RXQ6AYM(W) has a cooling capacity of 16 kW/54,600 Btu/h and model RXQ8AYM(W) has 22.4 kW/76,400 Btu/h. - Both models have a hermetically sealed scroll type compressor, cross fin coil heat exchanger, propeller fan, and use R410A refrigerant. - Connection pipes are brazed copper pipes with 9.5mm diameter liquid pipe and 19.

Uploaded by

surya liemz
Copyright
© © All Rights Reserved
We take content rights seriously. If you suspect this is your content, claim it here.
Available Formats
Download as PDF, TXT or read online on Scribd
0% found this document useful (0 votes)
751 views25 pages

EDRMT341773D - RXQ-A - M - YM - W - VRV A Series 6-60HP

This document provides specifications for VRV A Series cooling only air conditioner models RXQ6AYM(W) and RXQ8AYM(W). Key details include: - Model RXQ6AYM(W) has a cooling capacity of 16 kW/54,600 Btu/h and model RXQ8AYM(W) has 22.4 kW/76,400 Btu/h. - Both models have a hermetically sealed scroll type compressor, cross fin coil heat exchanger, propeller fan, and use R410A refrigerant. - Connection pipes are brazed copper pipes with 9.5mm diameter liquid pipe and 19.

Uploaded by

surya liemz
Copyright
© © All Rights Reserved
We take content rights seriously. If you suspect this is your content, claim it here.
Available Formats
Download as PDF, TXT or read online on Scribd
You are on page 1/ 25

RXQ6-20AYM(W) / RXQ18-60AMYM(W)

EDRMT341773D

2. Combination

VRV A SERIES

Capacity range 6 HP 8 HP 10 HP 12 HP 14 HP 16 HP 18 HP 20 HP
Model name RXQ6A RXQ8A RXQ10A RXQ12A RXQ14A RXQ16A RXQ18A RXQ20A

Capacity range 18 HP 20 HP 22 HP 24 HP 26 HP 28 HP 30 HP 32 HP
Model name RXQ18AM RXQ20AM RXQ22AM RXQ24AM RXQ26AM RXQ28AM RXQ30AM RXQ32AM
Outdoor unit 1 RXQ8A RXQ8A RXQ10A RXQ12A RXQ12A RXQ12A RXQ12A RXQ14A
Outdoor unit 2 RXQ10A RXQ12A RXQ12A RXQ12A RXQ14A RXQ16A RXQ18A RXQ18A
Outdoor unit 3 – – – – – – – –

Capacity range 34 HP 36 HP 38 HP 40 HP 42 HP 44 HP 46 HP 48 HP
Model name RXQ34AM RXQ36AM RXQ38AM RXQ40AM RXQ42AM RXQ44AM RXQ46AM RXQ48AM
Outdoor unit 1 RXQ16A RXQ18A RXQ18A RXQ20A RXQ12A RXQ12A RXQ14A RXQ14A
Outdoor unit 2 RXQ18A RXQ18A RXQ20A RXQ20A RXQ12A RXQ12A RXQ14A RXQ16A
Outdoor unit 3 – – – – RXQ18A RXQ20A RXQ18A RXQ18A

Capacity range 50 HP 52 HP 54 HP 56 HP 58 HP 60 HP
Model name RXQ50AM RXQ52AM RXQ54AM RXQ56AM RXQ58AM RXQ60AM
Outdoor unit 1 RXQ14A RXQ16A RXQ18A RXQ18A RXQ18A RXQ20A
Outdoor unit 2 RXQ18A RXQ18A RXQ18A RXQ18A RXQ20A RXQ20A
Outdoor unit 3 RXQ18A RXQ18A RXQ18A RXQ20A RXQ20A RXQ20A

System capacity Number Module Outdoor unit multi connection


kW HP of units 6 8 10 12 14 16 18 20 piping kit 1
16.0 6 1 l
22.4 8 1 l
28.0 10 1 l
33.5 12 1 l

40.0 14 1 l
45.0 16 1 l
50.0 18 1 l
56.0 20 1 l
50.4 18 2 l l
55.9 20 2 l l
61.5 22 2 l l
67.0 24 2 ll
73.5 26 2 l l
78.5 28 2 l l
BHFP22P100
83.5 30 2 l l
90.0 32 2 l l
95.0 34 2 l l
100 36 2 ll
106 38 2 l l
112 40 2 ll
117 42 3 ll l
123 44 3 ll l
130 46 3 ll l
135 48 3 l l l
140 50 3 l ll
BHFP22P151
145 52 3 l ll
150 54 3 lll
156 56 3 ll l
162 58 3 l ll
168 60 3 lll

Note:
+1. For multiple connection, the outdoor unit multi connection piping kit (separately sold) is required.

6
RXQ6-20AYM(W) / RXQ18-60AMYM(W) EDRMT341773D

1. Specifications
1.1 Cooling Only 50/60 Hz VRV A SERIES (RXQ-A(M))

Model Name RXQ6AYM(W) RXQ8AYM(W)


Power supply 3 phase, 380-415/380 V, 50/60 Hz 3 phase, 380-415/380 V, 50/60 Hz
kcal/h 13,800 19,300
1 Cooling capacity Btu/h 54,600 76,400
kW 16.0 22.4
Casing color Ivory white (5Y7.5/1) (Metallic brown H3) Ivory white (5Y7.5/1) (Metallic brown H3)
Dimensions: (H×W×D) mm 1,657×930×765 1,657×930×765
Heat exchanger Cross fin coil Cross fin coil
Type Hermetically sealed scroll type Hermetically sealed scroll type

Compressor Motor output× kW 2.3×1 3.4×1


Number of units
Starting method Soft start Soft start
Type Propeller fan Propeller fan
Motor output kW 0.55×1 0.55×1
Fan
Airflow rate m³/min 119 178
Drive Direct drive Direct drive
Connecting Liquid pipe mm f9.5 C1220T (Brazing connection) f9.5 C1220T (Brazing connection)
pipes Gas pipe mm f19.1 C1220T (Brazing connection) f19.1 C1220T (Brazing connection)
Mass kg 175 (180 H3) 175 (180 H3)
2 Sound pressure level dB(A) 56 56
High pressure switch, Fan driver overload High pressure switch, Fan driver overload
Safety devices protector, Over current relay, Inverter overload protector, Over current relay, Inverter overload
protector protector
Capacity control % 25-100 20-100
Refrigerant name R410A R410A
Refrigerant Charge kg 5.9 5.9
Control Electronic expansion valve Electronic expansion valve
Refrigerator oil Refer to the nameplate of compressor Refer to the nameplate of compressor
Installation manual, Operation manual, Installation manual, Operation manual,
Standard accessories Connection pipes, Clamps Connection pipes, Clamps
Specifications C: 3D111543E (C: 3D121761 H3) C: 3D111543E (C: 3D121761 H3)
Drawing No.
Sound level C: 4D112438B C: 4D112439D

Notes:
+1. Indoor temp.: 27°CDB, 19°CWB / outdoor temp.: 35°CDB / Equivalent piping length: 7.5 m, level difference: 0 m. Conversion formulae
+2. Anechoic chamber conversion value, measured at a point 1 m in front of the unit at a height of 1.5 m. kcal/h=kW×860
During actual operation, these values are normally somewhat higher as a result of ambient conditions and Btu/h=kW×3412
oil recovery mode.
When there is concern for noise the surrounding area such as residences, we recommend investigating
the installation location and taking soundproofing measures.
+3. Models with (W) are the outdoor units with anti-corrosion specifications. For details, refer to Anti-Corrosion
Model (W type) in Part 5 Guide Specifications.

12
RXQ6-20AYM(W) / RXQ18-60AMYM(W) EDRMT341773D

Model Name RXQ10AYM(W) RXQ12AYM(W)


Power supply 3 phase, 380-415/380 V, 50/60 Hz 3 phase, 380-415/380 V, 50/60 Hz
kcal/h 24,100 28,800
1 Cooling capacity Btu/h 95,500 114,000
kW 28.0 33.5
Casing color Ivory white (5Y7.5/1) (Metallic brown H3) Ivory white (5Y7.5/1) (Metallic brown H3)
Dimensions: (H×W×D) mm 1,657×930×765 1,657×930×765
Heat exchanger Cross fin coil Cross fin coil
Type Hermetically sealed scroll type Hermetically sealed scroll type

Compressor Motor output× kW 4.5×1 5.6×1


Number of units
Starting method Soft start Soft start
Type Propeller fan Propeller fan
Motor output kW 0.55×1 0.55×1
Fan
Airflow rate m³/min 178 191
Drive Direct drive Direct drive
Connecting Liquid pipe mm f9.5 C1220T (Brazing connection) f12.7 C1220T (Brazing connection)
pipes Gas pipe mm f22.2 C1220T (Brazing connection) f28.6 C1220T (Brazing connection)
Mass kg 185 (195 H3) 185 (195 H3)
2 Sound pressure level dB(A) 57 59
High pressure switch, Fan driver overload High pressure switch, Fan driver overload
Safety devices protector, Over current relay, Inverter overload protector, Over current relay, Inverter overload
protector protector
Capacity control % 13-100 12-100
Refrigerant name R410A R410A
Refrigerant Charge kg 6.7 6.8
Control Electronic expansion valve Electronic expansion valve
Refrigerator oil Refer to the nameplate of compressor Refer to the nameplate of compressor
Installation manual, Operation manual, Installation manual, Operation manual,
Standard accessories Connection pipes, Clamps Connection pipes, Clamps
Specifications C: 3D111543E (C: 3D121761 H3) C: 3D111543E (C: 3D121761 H3)
Drawing No.
Sound level C: 4D112440D C: 4D112441C

Notes:
+1. Indoor temp.: 27°CDB, 19°CWB / outdoor temp.: 35°CDB / Equivalent piping length: 7.5 m, level difference: 0 m. Conversion formulae
+2. Anechoic chamber conversion value, measured at a point 1 m in front of the unit at a height of 1.5 m. kcal/h=kW×860
During actual operation, these values are normally somewhat higher as a result of ambient conditions and Btu/h=kW×3412
oil recovery mode.
When there is concern for noise the surrounding area such as residences, we recommend investigating
the installation location and taking soundproofing measures.
+3. Models with (W) are the outdoor units with anti-corrosion specifications. For details, refer to Anti-Corrosion
Model (W type) in Part 5 Guide Specifications.

13
RXQ6-20AYM(W) / RXQ18-60AMYM(W) EDRMT341773D

Model Name RXQ14AYM(W) RXQ16AYM(W)


Power supply 3 phase, 380-415/380 V, 50/60 Hz 3 phase, 380-415/380 V, 50/60 Hz
kcal/h 34,400 38,700
1 Cooling capacity Btu/h 136,000 154,000
kW 40.0 45.0
Casing color Ivory white (5Y7.5/1) (Metallic brown H3) Ivory white (5Y7.5/1) (Metallic brown H3)
Dimensions: (H×W×D) mm 1,657×1,240×765 1,657×1,240×765
Heat exchanger Cross fin coil Cross fin coil
Type Hermetically sealed scroll type Hermetically sealed scroll type

Compressor Motor output× kW 6.4×1 (3.5×1)+(3.5×1)


Number of units
Starting method Soft start Soft start
Type Propeller fan Propeller fan
Motor output kW 0.75×2 0.75×2
Fan
Airflow rate m³/min 257 257
Drive Direct drive Direct drive
Connecting Liquid pipe mm f12.7 C1220T (Brazing connection) f12.7 C1220T (Brazing connection)
pipes Gas pipe mm f28.6 C1220T (Brazing connection) f28.6 C1220T (Brazing connection)
Mass kg 215 (235 H3) 260 (280 H3)
2 Sound pressure level dB(A) 60 60
High pressure switch, Fan driver overload High pressure switch, Fan driver overload
Safety devices protector, Over current relay, Inverter overload protector, Over current relay, Inverter overload
protector protector
Capacity control % 11-100 10-100
Refrigerant name R410A R410A
Refrigerant Charge kg 7.4 8.2
Control Electronic expansion valve Electronic expansion valve
Refrigerator oil Refer to the nameplate of compressor Refer to the nameplate of compressor
Installation manual, Operation manual, Installation manual, Operation manual,
Standard accessories Connection pipes, Clamps Connection pipes, Clamps
Specifications C: 3D111543E (C: 3D121761 H3) C: 3D111543E (C: 3D121761 H3)
Drawing No.
Sound level C: 4D112442B C: 4D112443E

Notes:
+1. Indoor temp.: 27°CDB, 19°CWB / outdoor temp.: 35°CDB / Equivalent piping length: 7.5 m, level difference: 0 m. Conversion formulae
+2. Anechoic chamber conversion value, measured at a point 1 m in front of the unit at a height of 1.5 m. kcal/h=kW×860
During actual operation, these values are normally somewhat higher as a result of ambient conditions and Btu/h=kW×3412
oil recovery mode.
When there is concern for noise the surrounding area such as residences, we recommend investigating
the installation location and taking soundproofing measures.
+3. Models with (W) are the outdoor units with anti-corrosion specifications. For details, refer to Anti-Corrosion
Model (W type) in Part 5 Guide Specifications.

14
RXQ6-20AYM(W) / RXQ18-60AMYM(W) EDRMT341773D

Model Name (Combination Unit) RXQ30AMYM(W) RXQ32AMYM(W)


Model Name (Independent Unit) RXQ12AYM(W)+RXQ18AYM(W) RXQ14AYM(W)+RXQ18AYM(W)
Power supply 3 phase, 380-415/380 V, 50/60 Hz 3 phase, 380-415/380 V, 50/60 Hz
kcal/h 71,800 77,400
1 Cooling capacity Btu/h 285,000 307,000
kW 83.5 90.0
Casing color Ivory white (5Y7.5/1) (Metallic brown H3) Ivory white (5Y7.5/1) (Metallic brown H3)
Dimensions: (H×W×D) mm (1,657×930×765)+(1,657×1,240×765) (1,657×1,240×765)+(1,657×1,240×765)
Heat exchanger Cross fin coil Cross fin coil
Type Hermetically sealed scroll type Hermetically sealed scroll type

Compressor Motor output× kW (5.6×1)+(4.0×1)+(4.0×1) (6.4×1)+(4.0×1)+(4.0×1)


Number of units
Starting method Soft start Soft start
Type Propeller fan Propeller fan
Motor output kW (0.55×1)+(0.75×2) (0.75×2)+(0.75×2)
Fan
Airflow rate m³/min 191+257 257+257
Drive Direct drive Direct drive
Connecting Liquid pipe mm f19.1 C1220T (Brazing connection) f19.1 C1220T (Brazing connection)
pipes Gas pipe mm f34.9 C1220T (Brazing connection) f34.9 C1220T (Brazing connection)
Mass kg 185+260 (195+280 H3) 215+260 (235+280 H3)
2 Sound pressure level dB(A) 63 64
High pressure switch, Fan driver overload High pressure switch, Fan driver overload
Safety devices protector, Over current relay, Inverter overload protector, Over current relay, Inverter overload
protector protector
Capacity control % 5-100 5-100
Refrigerant name R410A R410A
Refrigerant Charge kg 6.8+8.4 7.4+8.4
Control Electronic expansion valve Electronic expansion valve
Refrigerator oil Refer to the nameplate of compressor Refer to the nameplate of compressor
Installation manual, Operation manual, Installation manual, Operation manual,
Standard accessories Connection pipes, Clamps Connection pipes, Clamps
Specifications — —
Drawing No.
Sound level — —

Notes:
+1. Indoor temp.: 27°CDB, 19°CWB / outdoor temp.: 35°CDB / Equivalent piping length: 7.5 m, level difference: 0 m. Conversion formulae
+2. Anechoic chamber conversion value, measured at a point 1 m in front of the unit at a height of 1.5 m. kcal/h=kW×860
During actual operation, these values are normally somewhat higher as a result of ambient conditions and Btu/h=kW×3412
oil recovery mode.
When there is concern for noise the surrounding area such as residences, we recommend investigating
the installation location and taking soundproofing measures.
+3. Models with (W) are the outdoor units with anti-corrosion specifications. For details, refer to Anti-Corrosion
Model (W type) in Part 5 Guide Specifications.

19
RXQ6-20AYM(W) / RXQ18-60AMYM(W) EDRMT341773D

Model Name (Combination Unit) RXQ34AMYM(W) RXQ36AMYM(W)


Model Name (Independent Unit) RXQ16AYM(W)+RXQ18AYM(W) RXQ18AYM(W)+RXQ18AYM(W)
Power supply 3 phase, 380-415/380 V, 50/60 Hz 3 phase, 380-415/380 V, 50/60 Hz
kcal/h 81,700 86,000
1 Cooling capacity Btu/h 324,000 341,000
kW 95.0 100
Casing color Ivory white (5Y7.5/1) (Metallic brown H3) Ivory white (5Y7.5/1) (Metallic brown H3)
Dimensions: (H×W×D) mm (1,657×1,240×765)+(1,657×1,240×765) (1,657×1,240×765)+(1,657×1,240×765)
Heat exchanger Cross fin coil Cross fin coil
Type Hermetically sealed scroll type Hermetically sealed scroll type

Compressor Motor output× kW (3.5×1)+(3.5×1)+(4.0×1)+(4.0×1) (4.0×1)+(4.0×1)+(4.0×1)+(4.0×1)


Number of units
Starting method Soft start Soft start
Type Propeller fan Propeller fan
Motor output kW (0.75×2)+(0.75×2) (0.75×2)+(0.75×2)
Fan
Airflow rate m³/min 257+257 257+257
Drive Direct drive Direct drive
Connecting Liquid pipe mm f19.1 C1220T (Brazing connection) f19.1 C1220T (Brazing connection)
pipes Gas pipe mm f34.9 C1220T (Brazing connection) f41.3 C1220T (Brazing connection)
Mass kg 260+260 (280+280 H3) 260+260 (280+280 H3)
2 Sound pressure level dB(A) 64 64
High pressure switch, Fan driver overload High pressure switch, Fan driver overload
Safety devices protector, Over current relay, Inverter overload protector, Over current relay, Inverter overload
protector protector
Capacity control % 5-100 5-100
Refrigerant name R410A R410A
Refrigerant Charge kg 8.2+8.4 8.4+8.4
Control Electronic expansion valve Electronic expansion valve
Refrigerator oil Refer to the nameplate of compressor Refer to the nameplate of compressor
Installation manual, Operation manual, Installation manual, Operation manual,
Standard accessories Connection pipes, Clamps Connection pipes, Clamps
Specifications — —
Drawing No.
Sound level — —

Notes:
+1. Indoor temp.: 27°CDB, 19°CWB / outdoor temp.: 35°CDB / Equivalent piping length: 7.5 m, level difference: 0 m. Conversion formulae
+2. Anechoic chamber conversion value, measured at a point 1 m in front of the unit at a height of 1.5 m. kcal/h=kW×860
During actual operation, these values are normally somewhat higher as a result of ambient conditions and Btu/h=kW×3412
oil recovery mode.
When there is concern for noise the surrounding area such as residences, we recommend investigating
the installation location and taking soundproofing measures.
+3. Models with (W) are the outdoor units with anti-corrosion specifications. For details, refer to Anti-Corrosion
Model (W type) in Part 5 Guide Specifications.

20
RXQ6-20AYM(W) / RXQ18-60AMYM(W) EDRMT341773D

Model Name (Combination Unit) RXQ38AMYM(W) RXQ40AMYM(W)


Model Name (Independent Unit) RXQ18AYM(W)+RXQ20AYM(W) RXQ20AYM(W)+RXQ20AYM(W)
Power supply 3 phase, 380-415/380 V, 50/60 Hz 3 phase, 380-415/380 V, 50/60 Hz
kcal/h 91,200 96,300
1 Cooling capacity Btu/h 362,000 382,000
kW 106 112
Casing color Ivory white (5Y7.5/1) (Metallic brown H3) Ivory white (5Y7.5/1) (Metallic brown H3)
Dimensions: (H×W×D) mm (1,657×1,240×765)+(1,657×1,240×765) (1,657×1,240×765)+(1,657×1,240×765)
Heat exchanger Cross fin coil Cross fin coil
Type Hermetically sealed scroll type Hermetically sealed scroll type

Compressor Motor output× kW (4.0×1)+(4.0×1)+(3.8×1)+(6.3×1) (3.8×1)+(6.3×1)+(3.8×1)+(6.3×1)


Number of units
Starting method Soft start Soft start
Type Propeller fan Propeller fan
Motor output kW (0.75×2)+(0.75×2) (0.75×2)+(0.75×2)
Fan
Airflow rate m³/min 257+297 297+297
Drive Direct drive Direct drive
Connecting Liquid pipe mm f19.1 C1220T (Brazing connection) f19.1 C1220T (Brazing connection)
pipes Gas pipe mm f41.3 C1220T (Brazing connection) f41.3 C1220T (Brazing connection)
Mass kg 260+285 (280+310 H3) 285+285 (310+310 H3)
2 Sound pressure level dB(A) 66 68
High pressure switch, Fan driver overload High pressure switch, Fan driver overload
Safety devices protector, Over current relay, Inverter overload protector, Over current relay, Inverter overload
protector protector
Capacity control % 4-100 3-100
Refrigerant name R410A R410A
Refrigerant Charge kg 8.4+11.8 11.8+11.8
Control Electronic expansion valve Electronic expansion valve
Refrigerator oil Refer to the nameplate of compressor Refer to the nameplate of compressor
Installation manual, Operation manual, Installation manual, Operation manual,
Standard accessories Connection pipes, Clamps Connection pipes, Clamps
Specifications — —
Drawing No.
Sound level — —

Notes:
+1. Indoor temp.: 27°CDB, 19°CWB / outdoor temp.: 35°CDB / Equivalent piping length: 7.5 m, level difference: 0 m. Conversion formulae
+2. Anechoic chamber conversion value, measured at a point 1 m in front of the unit at a height of 1.5 m. kcal/h=kW×860
During actual operation, these values are normally somewhat higher as a result of ambient conditions and Btu/h=kW×3412
oil recovery mode.
When there is concern for noise the surrounding area such as residences, we recommend investigating
the installation location and taking soundproofing measures.
+3. Models with (W) are the outdoor units with anti-corrosion specifications. For details, refer to Anti-Corrosion
Model (W type) in Part 5 Guide Specifications.

21
RXQ6-20AYM(W) / RXQ18-60AMYM(W) EDRMT341773D

Model Name (Combination Unit) RXQ46AMYM(W) RXQ48AMYM(W)


RXQ14AYM(W)+RXQ14AYM(W)+ RXQ14AYM(W)+RXQ16AYM(W)+
Model Name (Independent Unit) RXQ18AYM(W) RXQ18AYM(W)
Power supply 3 phase, 380-415/380 V, 50/60 Hz 3 phase, 380-415/380 V, 50/60 Hz
kcal/h 112,000 116,000
1 Cooling capacity Btu/h 444,000 461,000
kW 130 135
Casing color Ivory white (5Y7.5/1) (Metallic brown H3) Ivory white (5Y7.5/1) (Metallic brown H3)
(1,657×1,240×765)+(1,657×1,240×765)+ (1,657×1,240×765)+(1,657×1,240×765)+
Dimensions: (H×W×D) mm (1,657×1,240×765) (1,657×1,240×765)
Heat exchanger Cross fin coil Cross fin coil
Type Hermetically sealed scroll type Hermetically sealed scroll type

Compressor Motor output× kW (6.4×1)+(6.4×1)+(4.0×1)+(4.0×1) (6.4×1)+(3.5×1)+(3.5×1)+(4.0×1)+(4.0×1)


Number of units
Starting method Soft start Soft start
Type Propeller fan Propeller fan
Motor output kW (0.75×2)+(0.75×2)+(0.75×2) (0.75×2)+(0.75×2)+(0.75×2)
Fan
Airflow rate m³/min 257+257+257 257+257+257
Drive Direct drive Direct drive
Connecting Liquid pipe mm f19.1 C1220T (Brazing connection) f19.1 C1220T (Brazing connection)
pipes Gas pipe mm f41.3 C1220T (Brazing connection) f41.3 C1220T (Brazing connection)
Mass kg 215+215+260 (235+235+280 H3) 215+260+260 (235+280+280 H3)
2 Sound pressure level dB(A) 65 65
High pressure switch, Fan driver overload High pressure switch, Fan driver overload
Safety devices protector, Over current relay, Inverter overload protector, Over current relay, Inverter overload
protector protector
Capacity control % 3-100 3-100
Refrigerant name R410A R410A
Refrigerant Charge kg 7.4+7.4+8.4 7.4+8.2+8.4
Control Electronic expansion valve Electronic expansion valve
Refrigerator oil Refer to the nameplate of compressor Refer to the nameplate of compressor
Installation manual, Operation manual, Installation manual, Operation manual,
Standard accessories Connection pipes, Clamps Connection pipes, Clamps
Specifications — —
Drawing No.
Sound level — —

Notes:
+1. Indoor temp.: 27°CDB, 19°CWB / outdoor temp.: 35°CDB / Equivalent piping length: 7.5 m, level difference: 0 m. Conversion formulae
+2. Anechoic chamber conversion value, measured at a point 1 m in front of the unit at a height of 1.5 m. kcal/h=kW×860
During actual operation, these values are normally somewhat higher as a result of ambient conditions and Btu/h=kW×3412
oil recovery mode.
When there is concern for noise the surrounding area such as residences, we recommend investigating
the installation location and taking soundproofing measures.
+3. Models with (W) are the outdoor units with anti-corrosion specifications. For details, refer to Anti-Corrosion
Model (W type) in Part 5 Guide Specifications.

23
RXQ6-20AYM(W) / RXQ18-60AMYM(W) EDRMT341773D

Model Name (Combination Unit) RXQ54AMYM(W) RXQ56AMYM(W)


RXQ18AYM(W)+RXQ18AYM(W)+ RXQ18AYM(W)+RXQ18AYM(W)+
Model Name (Independent Unit) RXQ18AYM(W) RXQ20AYM(W)
Power supply 3 phase, 380-415/380 V, 50/60 Hz 3 phase, 380-415/380 V, 50/60 Hz
kcal/h 129,000 134,000
1 Cooling capacity Btu/h 512,000 532,000
kW 150 156
Casing color Ivory white (5Y7.5/1) (Metallic brown H3) Ivory white (5Y7.5/1) (Metallic brown H3)
(1,657×1,240×765)+(1,657×1,240×765)+ (1,657×1,240×765)+(1,657×1,240×765)+
Dimensions: (H×W×D) mm (1,657×1,240×765) (1,657×1,240×765)
Heat exchanger Cross fin coil Cross fin coil
Type Hermetically sealed scroll type Hermetically sealed scroll type

Compressor Motor output× (4.0×1)+(4.0×1)+(4.0×1)+(4.0×1)+ (4.0×1)+(4.0×1)+(4.0×1)+(4.0×1)+


kW
Number of units (4.0×1)+(4.0×1) (3.8×1)+(6.3×1)
Starting method Soft start Soft start
Type Propeller fan Propeller fan
Motor output kW (0.75×2)+(0.75×2)+(0.75×2) (0.75×2)+(0.75×2)+(0.75×2)
Fan
Airflow rate m³/min 257+257+257 257+257+297
Drive Direct drive Direct drive
Connecting Liquid pipe mm f19.1 C1220T (Brazing connection) f19.1 C1220T (Brazing connection)
pipes Gas pipe mm f41.3 C1220T (Brazing connection) f41.3 C1220T (Brazing connection)
Mass kg 260+260+260 (280+280+280 H3) 260+260+285 (280+280+310 H3)
2 Sound pressure level dB(A) 66 68
High pressure switch, Fan driver overload High pressure switch, Fan driver overload
Safety devices protector, Over current relay, Inverter overload protector, Over current relay, Inverter overload
protector protector
Capacity control % 3-100 3-100
Refrigerant name R410A R410A
Refrigerant Charge kg 8.4+8.4+8.4 8.4+8.4+11.8
Control Electronic expansion valve Electronic expansion valve
Refrigerator oil Refer to the nameplate of compressor Refer to the nameplate of compressor
Installation manual, Operation manual, Installation manual, Operation manual,
Standard accessories Connection pipes, Clamps Connection pipes, Clamps
Specifications — —
Drawing No.
Sound level — —

Notes:
+1. Indoor temp.: 27°CDB, 19°CWB / outdoor temp.: 35°CDB / Equivalent piping length: 7.5 m, level difference: 0 m. Conversion formulae
+2. Anechoic chamber conversion value, measured at a point 1 m in front of the unit at a height of 1.5 m. kcal/h=kW×860
During actual operation, these values are normally somewhat higher as a result of ambient conditions and Btu/h=kW×3412
oil recovery mode.
When there is concern for noise the surrounding area such as residences, we recommend investigating
the installation location and taking soundproofing measures.
+3. Models with (W) are the outdoor units with anti-corrosion specifications. For details, refer to Anti-Corrosion
Model (W type) in Part 5 Guide Specifications.

25
RXQ6-20AYM(W) / RXQ18-60AMYM(W) EDRMT341773D

Model Name (Combination Unit) RXQ58AMYM(W) RXQ60AMYM(W)


RXQ18AYM(W)+RXQ20AYM(W)+ RXQ20AYM(W)+RXQ20AYM(W)+
Model Name (Independent Unit) RXQ20AYM(W) RXQ20AYM(W)
Power supply 3 phase, 380-415/380 V, 50/60 Hz 3 phase, 380-415/380 V, 50/60 Hz
kcal/h 139,000 144,000
1 Cooling capacity Btu/h 553,000 573,000
kW 162 168
Casing color Ivory white (5Y7.5/1) (Metallic brown H3) Ivory white (5Y7.5/1) (Metallic brown H3)
(1,657×1,240×765)+(1,657×1,240×765)+ (1,657×1,240×765)+(1,657×1,240×765)+
Dimensions: (H×W×D) mm (1,657×1,240×765) (1,657×1,240×765)
Heat exchanger Cross fin coil Cross fin coil
Type Hermetically sealed scroll type Hermetically sealed scroll type

Compressor Motor output× (4.0×1)+(4.0×1)+(3.8×1)+(6.3×1)+ (3.8×1)+(6.3×1)+(3.8×1)+(6.3×1)+


kW
Number of units (3.8×1)+(6.3×1) (3.8×1)+(6.3×1)
Starting method Soft start Soft start
Type Propeller fan Propeller fan
Motor output kW (0.75×2)+(0.75×2)+(0.75×2) (0.75×2)+(0.75×2)+(0.75×2)
Fan
Airflow rate m³/min 257+297+297 297+297+297
Drive Direct drive Direct drive
Connecting Liquid pipe mm f19.1 C1220T (Brazing connection) f19.1 C1220T (Brazing connection)
pipes Gas pipe mm f41.3 C1220T (Brazing connection) f41.3 C1220T (Brazing connection)
Mass kg 260+285+285 (280+310+310 H3) 285+285+285 (310+310+310 H3)
2 Sound pressure level dB(A) 69 70
High pressure switch, Fan driver overload High pressure switch, Fan driver overload
Safety devices protector, Over current relay, Inverter overload protector, Over current relay, Inverter overload
protector protector
Capacity control % 2-100 2-100
Refrigerant name R410A R410A
Refrigerant Charge kg 8.4+11.8+11.8 11.8+11.8+11.8
Control Electronic expansion valve Electronic expansion valve
Refrigerator oil Refer to the nameplate of compressor Refer to the nameplate of compressor
Installation manual, Operation manual, Installation manual, Operation manual,
Standard accessories Connection pipes, Clamps Connection pipes, Clamps
Specifications — —
Drawing No.
Sound level — —

Notes:
+1. Indoor temp.: 27°CDB, 19°CWB / outdoor temp.: 35°CDB / Equivalent piping length: 7.5 m, level difference: 0 m. Conversion formulae
+2. Anechoic chamber conversion value, measured at a point 1 m in front of the unit at a height of 1.5 m. kcal/h=kW×860
During actual operation, these values are normally somewhat higher as a result of ambient conditions and Btu/h=kW×3412
oil recovery mode.
When there is concern for noise the surrounding area such as residences, we recommend investigating
the installation location and taking soundproofing measures.
+3. Models with (W) are the outdoor units with anti-corrosion specifications. For details, refer to Anti-Corrosion
Model (W type) in Part 5 Guide Specifications.

26
RXQ6-20AYM(W) / RXQ18-60AMYM(W) EDRMT341773D
2. Dimensions
2.1 Independent Unit
RXQ6AYM / RXQ8AYM / RXQ10AYM / RXQ12AYM
Unit: mm
3D111514D
27
RXQ6-20AYM(W) / RXQ18-60AMYM(W) EDRMT341773D

RXQ14AYM / RXQ16AYM / RXQ18AYM / RXQ20AYM


Unit: mm

3D111515D

28
RXQ6-20AYM(W) / RXQ18-60AMYM(W) EDRMT341773D

RXQ32AMYM / RXQ34AMYM / RXQ36AMYM / RXQ38AMYM / RXQ40AMYM

3D111516C

31
RXQ6-20AYM(W) / RXQ18-60AMYM(W) EDRMT341773D

RXQ46AMYM / RXQ48AMYM / RXQ50AMYM / RXQ52AMYM / RXQ54AMYM / RXQ56AMYM /


RXQ58AMYM / RXQ60AMYM

3D111517B

33
RXQ6-20AYM(W) / RXQ18-60AMYM(W) EDRMT341773D

3. Service Space

RXQ6AYM / RXQ8AYM / RXQ10AYM / RXQ12AYM / RXQ14AYM / RXQ16AYM / RXQ18AYM /


RXQ20AYM / RXQ18AMYM / RXQ20AMYM / RXQ22AMYM / RXQ24AMYM / RXQ26AMYM /
RXQ28AMYM / RXQ30AMYM / RXQ32AMYM / RXQ34AMYM / RXQ36AMYM / RXQ38AMYM /
RXQ40AMYM / RXQ42AMYM / RXQ44AMYM / RXQ46AMYM / RXQ48AMYM / RXQ50AMYM /
RXQ52AMYM / RXQ54AMYM / RXQ56AMYM / RXQ58AMYM / RXQ60AMYM

3D084449K

34
RXQ6-20AYM(W) / RXQ18-60AMYM(W) EDRMT341773D

4. Piping Diagrams

RXQ6AYM / RXQ8AYM / RXQ10AYM / RXQ12AYM

3D111780C

35
RXQ6-20AYM(W) / RXQ18-60AMYM(W) EDRMT341773D

RXQ14AYM

3D111855A

36
RXQ6-20AYM(W) / RXQ18-60AMYM(W) EDRMT341773D

RXQ16AYM / RXQ18AYM / RXQ20AYM

3D111854E

37
RXQ6-20AYM(W) / RXQ18-60AMYM(W) EDRMT341773D

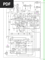
5. Wiring Diagrams

RXQ6AYM / RXQ8AYM

3D111835E

38
RXQ6-20AYM(W) / RXQ18-60AMYM(W) EDRMT341773D

RXQ10AYM / RXQ12AYM

3D111836H

39
RXQ6-20AYM(W) / RXQ18-60AMYM(W) EDRMT341773D

RXQ14AYM

2D111837G

40
RXQ6-20AYM(W) / RXQ18-60AMYM(W) EDRMT341773D

RXQ16AYM / RXQ18AYM / RXQ20AYM

2D111838E

41
RXQ6-20AYM(W) / RXQ18-60AMYM(W) EDRMT341773D

6. Field Wiring

RXQ6AYM / RXQ8AYM / RXQ10AYM / RXQ12AYM / RXQ14AYM / RXQ16AYM / RXQ18AYM /


RXQ20AYM

3D111511C

42
RXQ6-20AYM(W) / RXQ18-60AMYM(W) EDRMT341773D

RXQ18AMYM / RXQ20AMYM / RXQ22AMYM / RXQ24AMYM / RXQ26AMYM / RXQ28AMYM /


RXQ30AMYM / RXQ32AMYM / RXQ34AMYM / RXQ36AMYM / RXQ38AMYM / RXQ40AMYM

3D111512F

43
RXQ6-20AYM(W) / RXQ18-60AMYM(W) EDRMT341773D

RXQ42AMYM / RXQ44AMYM / RXQ46AMYM / RXQ48AMYM / RXQ50AMYM / RXQ52AMYM /


RXQ54AMYM / RXQ56AMYM / RXQ58AMYM / RXQ60AMYM

3D111513F

44

You might also like