0% found this document useful (0 votes)
261 views54 pages

LHD Hardware Lubrication Systems Guide

The document is a table of contents that lists and provides reference information for parts related to a grease lubrication system. It includes sections on grease lubrication systems, assemblies, lube units, an adapter assembly, centralized lubrication kits, and greasing blocks. The table provides part numbers, descriptions, standards, and quantities for 35 unique part listings.

Uploaded by

Gabriel Avila
Copyright
© © All Rights Reserved
We take content rights seriously. If you suspect this is your content, claim it here.
Available Formats
Download as PDF, TXT or read online on Scribd
0% found this document useful (0 votes)
261 views54 pages

LHD Hardware Lubrication Systems Guide

The document is a table of contents that lists and provides reference information for parts related to a grease lubrication system. It includes sections on grease lubrication systems, assemblies, lube units, an adapter assembly, centralized lubrication kits, and greasing blocks. The table provides part numbers, descriptions, standards, and quantities for 35 unique part listings.

Uploaded by

Gabriel Avila
Copyright
© © All Rights Reserved
We take content rights seriously. If you suspect this is your content, claim it here.
Available Formats
Download as PDF, TXT or read online on Scribd
  • Grease Lubrication System
  • Greasing Block
  • Assembly
  • Pump Unit
  • Magnetic Valve
  • Directional Valve
  • Protective Structure
  • Lube Unit Assembly
  • Adapter Assembly
  • Centralized Lubrication Kit
  • Central Greasing Assembly
  • Distributing Block

L217D376

TABLE OF CONTENTS LH517 121024

5. LUBRICATION SYSTEM
* 56046550 GREASE LUBRICATION SYSTEM................................................................................................................................... 2
** 56046551 GREASE LUBRICATION SYSTEM................................................................................................................................ 6
*** 56046552 GREASE LUBRICATION SYSTEM............................................................................................................................ 8
*** 56046689 GREASING BLOCK.................................................................................................................................................... 10
*** 56046690 GREASING BLOCK.................................................................................................................................................... 12
** 56207540 ASSEMBLY..................................................................................................................................................................... 14
*** 56206789 ASSEMBLY................................................................................................................................................................. 16
**** 56206268 PUMP UNIT............................................................................................................................................................ 18
*** 56021584 MAGNETIC VALVE..................................................................................................................................................... 20
**** 56024134 VALVE, DIRECTIONAL.......................................................................................................................................... 22
*** 56021209 PROTECTIVE STRUCTURE...................................................................................................................................... 24
** 56046586 LUBE UNIT ASSEMBLY................................................................................................................................................. 26
*** 04705135 LUBE UNIT................................................................................................................................................................. 28
** 56046587 LUBE UNIT ASSEMBLY................................................................................................................................................. 30
*** 04705135 LUBE UNIT................................................................................................................................................................. 32
*** 04705134 LUBE UNIT................................................................................................................................................................. 34
** 56041202 ADAPTER ASSEMBLY................................................................................................................................................... 36
** 56027358 CENTRALIZED LUBRICATION KIT............................................................................................................................... 38
*** 56038376 WIRING HARNESS.................................................................................................................................................... 40
*** 56037891 WIRING HARNESS.................................................................................................................................................... 42
* 56027790 CENTRAL GREASING ASSEMBLY.................................................................................................................................. 44
** 56042094 LUBE UNIT..................................................................................................................................................................... 46
*** 04705135 LUBE UNIT................................................................................................................................................................. 48
*** 04705134 LUBE UNIT................................................................................................................................................................. 50
** 56025568 DISTIBUTING BLOCK.................................................................................................................................................... 52

Sandvik Mining and Construction Oy, Loaders Turku © 2012


56046550 bB
1 (53) GREASE LUBRICATION SYSTEM 121024

Sandvik Mining and Construction Oy, Loaders Turku © 2012


56046550 bB
121024 GREASE LUBRICATION SYSTEM 2 (53)

Ref. Part no. Description EN Standard designation Qty


e
1 56046551 GREASE LUBRICATION SYSTEM SEE PAGE 5-6 1
2 56207540 ASSEMBLY SEE PAGE 5-14 1
3 56046586 LUBE UNIT ASSEMBLY SEE PAGE 5-26 1
4 56046587 LUBE UNIT ASSEMBLY SEE PAGE 5-30 1
5 56041202 ADAPTER ASSEMBLY SEE PAGE 5-36 1
. . . . .
6 29521421 HYDRAULIC BLOCK ASSEMBLY 3
7 04180630 ELBOW ADAPTER 3
8 04180301 ADAPTER (HYDRAULIC) P-H 4F42EDXS 3
9 04110507 CONNECTOR K-WEV 6LRK 5
10 04110404 ADAPTER (HYDRAULIC) K-GEV 6 L/R 2
. . . . .
11 04110203 ADAPTER (HYDRAULIC) K-GEV 8LLRK 1
12 04112206 ADAPTER (HYDRAULIC) 1
13 06421080 SLEEVE COLLAR 1/8" 1
14 04705937 FASTENER 3
15 04705934 FASTENER 8X2 5
. . . . .
16 04705933 FASTENER 8X1 1
17 04705930 FASTENER 8
18 04705940 FITTING 3
19 56010673 PIPE CLAMP 1
20 80012006 CLIP 4
. . . . .
21 56046675 PIPE ORFS D 8X1 AISI 304 1
22 56046676 PIPE ORFS D 8X1 AISI 304 1
23 56046677 PIPE ORFS D 8X1 AISI 304 1
24 56046678 PIPE ORFS D 8X1 AISI 304 1
25 56046679 PIPE ORFS D 8X1 AISI 304 1
. . . . .
26 56046680 PIPE ORFS D 8X1 AISI 304 1
27 56046681 PIPE ORFS D 8X1 AISI 304 1
28 56046682 PIPE ORFS D 8X1 AISI 304 1
29 56046683 PIPE ORFS D 8X1 AISI 304 1
30 56046684 PIPE ORFS D 8X1 AISI 304 1
. . . . .
31 56046685 PIPE ORFS D 8X1 AISI 304 1
32 56046686 PIPE D 6X1 AISI 304 1
33 56046687 PIPE D 6X1 AISI 304 1
34 56046688 PIPE D 6X1 AISI 304 1
35 56046717 PIPE D 6X1 AISI 304 1
. . . . .
36 56046718 PIPE D 6X1 AISI 304 1
37 56046719 PIPE D 6X1 AISI 304 1
38 56046720 PIPE D 6X1 AISI 304 1
39 06530425 HEXAGON HEAD BOLT (HALF THREAD) M10X40 - 8.8 , ISO 4014 3
40 06530387 HEXAGON HEAD SCREW (FULL THREAD) M6X22 - 8.8 , ISO 4017 1
. . . . .
41 06575106 HEXAGON NYLOC NUT M6 - 8 , DIN 985 1
42 06581408 WASHER, PLAIN 3
43 56046868 HYDRAULIC HOSE R2T-04-0650-J4A-J4D-0-0 1
44 29603774 HYDRAULIC HOSE R2T-04-0430-J4A-J4A-0-0 2
45 56027358 CENTRALIZED LUBRICATION KIT SEE PAGE 5-38 1
. . . . .

Sandvik Mining and Construction Oy, Loaders Turku © 2012


56046550 bB
3 (53) GREASE LUBRICATION SYSTEM 121024

Sandvik Mining and Construction Oy, Loaders Turku © 2012


56046550 bB
121024 GREASE LUBRICATION SYSTEM 4 (53)

Ref. Part no. Description EN Standard designation Qty


e
1 56046551 GREASE LUBRICATION SYSTEM SEE PAGE 5-6 1
2 56207540 ASSEMBLY SEE PAGE 5-14 1
3 56046586 LUBE UNIT ASSEMBLY SEE PAGE 5-26 1
4 56046587 LUBE UNIT ASSEMBLY SEE PAGE 5-30 1
5 56041202 ADAPTER ASSEMBLY SEE PAGE 5-36 1
. . . . .
6 29521421 HYDRAULIC BLOCK ASSEMBLY 3
7 04180630 ELBOW ADAPTER 3
8 04180301 ADAPTER (HYDRAULIC) P-H 4F42EDXS 3
9 04110507 CONNECTOR K-WEV 6LRK 5
10 04110404 ADAPTER (HYDRAULIC) K-GEV 6 L/R 2
. . . . .
11 04110203 ADAPTER (HYDRAULIC) K-GEV 8LLRK 1
12 04112206 ADAPTER (HYDRAULIC) 1
13 06421080 SLEEVE COLLAR 1/8" 1
14 04705937 FASTENER 3
15 04705934 FASTENER 8X2 5
. . . . .
16 04705933 FASTENER 8X1 1
17 04705930 FASTENER 8
18 04705940 FITTING 3
19 56010673 PIPE CLAMP 1
20 80012006 CLIP 4
. . . . .
21 56046675 PIPE ORFS D 8X1 AISI 304 1
22 56046676 PIPE ORFS D 8X1 AISI 304 1
23 56046677 PIPE ORFS D 8X1 AISI 304 1
24 56046678 PIPE ORFS D 8X1 AISI 304 1
25 56046679 PIPE ORFS D 8X1 AISI 304 1
. . . . .
26 56046680 PIPE ORFS D 8X1 AISI 304 1
27 56046681 PIPE ORFS D 8X1 AISI 304 1
28 56046682 PIPE ORFS D 8X1 AISI 304 1
29 56046683 PIPE ORFS D 8X1 AISI 304 1
30 56046684 PIPE ORFS D 8X1 AISI 304 1
. . . . .
31 56046685 PIPE ORFS D 8X1 AISI 304 1
32 56046686 PIPE D 6X1 AISI 304 1
33 56046687 PIPE D 6X1 AISI 304 1
34 56046688 PIPE D 6X1 AISI 304 1
35 56046717 PIPE D 6X1 AISI 304 1
. . . . .
36 56046718 PIPE D 6X1 AISI 304 1
37 56046719 PIPE D 6X1 AISI 304 1
38 56046720 PIPE D 6X1 AISI 304 1
39 06530425 HEXAGON HEAD BOLT (HALF THREAD) M10X40 - 8.8 , ISO 4014 3
40 06530387 HEXAGON HEAD SCREW (FULL THREAD) M6X22 - 8.8 , ISO 4017 1
. . . . .
41 06575106 HEXAGON NYLOC NUT M6 - 8 , DIN 985 1
42 06581408 WASHER, PLAIN 3
43 56046868 HYDRAULIC HOSE R2T-04-0650-J4A-J4D-0-0 1
44 29603774 HYDRAULIC HOSE R2T-04-0430-J4A-J4A-0-0 2
45 56027358 CENTRALIZED LUBRICATION KIT SEE PAGE 5-38 1
. . . . .

Sandvik Mining and Construction Oy, Loaders Turku © 2012


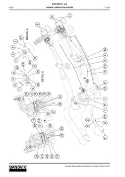
56046551 aA
5 (53) GREASE LUBRICATION SYSTEM 121024

Sandvik Mining and Construction Oy, Loaders Turku © 2012


56046551 aA
121024 GREASE LUBRICATION SYSTEM 6 (53)

Ref. Part no. Description EN Standard designation Qty


e
1 56046552 GREASE LUBRICATION SYSTEM SEE PAGE 5-8 1
2 56046689 GREASING BLOCK SEE PAGE 5-10 1
3 56046690 GREASING BLOCK SEE PAGE 5-12 1
4 00810480 CONNECTOR 1
5 29521421 HYDRAULIC BLOCK ASSEMBLY 1
. . . . .
6 04180250 ADAPTER, HYDRAULIC 7
7 04180630 ELBOW ADAPTER 2
8 04110507 CONNECTOR K-WEV 6LRK 4
9 04110404 ADAPTER (HYDRAULIC) K-GEV 6 L/R 3
10 04112206 ADAPTER (HYDRAULIC) 2
. . . . .
11 06751001 GREASE NIPPLE CR 1/8 12
12 04705930 FASTENER 5
13 04705931 FASTENER 6X2 10
14 56046792 PIPE D 6X1 AISI 304 1
15 56046793 PIPE D 6X1 AISI 304 1
. . . . .
16 56046794 PIPE D 6X1 AISI 304 1
17 56046795 PIPE D 6X1 AISI 304 1
18 56046796 PIPE D 6X1 AISI 304 1
19 56046797 PIPE D 6X1 AISI 304 1
20 56046798 PIPE D 6X1 AISI 304 1
. . . . .
21 56046799 PIPE D 6X1 AISI 304 1
22 56046800 PIPE D 6X1 AISI 304 1
23 56046808 PIPE D 6X1 AISI 304 1
24 06530425 HEXAGON HEAD BOLT (HALF THREAD) M10X40 - 8.8 , ISO 4014 1
25 06530424 HEXAGON HEAD SCREW (FULL THREAD) M10X35 - 8.8 , ISO 4017 1
. . . . .
26 06581408 WASHER, PLAIN 2
27 02833570 HYDRAULIC HOSE R2T-04-3700-J4A-J4A-0-0 4
28 02840620 HYDRAULIC HOSE R2T-04-1100-J4A-J4A-0-0 2
29 56030074 HYDRAULIC HOSE R1T-04-0900-J4A-J4A-0-0 15

Sandvik Mining and Construction Oy, Loaders Turku © 2012


56046552 aB
7 (53) GREASE LUBRICATION SYSTEM 121024

Sandvik Mining and Construction Oy, Loaders Turku © 2012


56046552 aB
121024 GREASE LUBRICATION SYSTEM 8 (53)

Ref. Part no. Description EN Standard designation Qty


e
1 00810480 CONNECTOR 1
2 04180302 ADAPTER (HYDRAULIC) 1
3 04180630 ELBOW ADAPTER 1
4 04180402 ELBOW ADAPTER 5
5 04180401 ELBOW ADAPTER ADAPTER 2
. . . . .
6 06760002 ADAPTER (HYDRAULIC) 1
7 04110507 CONNECTOR K-WEV 6LRK 2
8 04110402 ADAPTER (HYDRAULIC) K-GEV 6LLR STRAIGHT 2
9 06751001 GREASE NIPPLE CR 1/8 2
10 06530424 HEXAGON HEAD SCREW (FULL THREAD) M10X35 - 8.8 , ISO 4017 1
. . . . .
11 06581408 WASHER, PLAIN 1
12 56037381 PIPE D 6X1 AISI 304 1
13 56037380 PIPE D 6X1 AISI 304 1
14 04705931 FASTENER 6X2 2
15 04705930 FASTENER 1
. . . . .
16 56010311 HYDRAULIC HOSE R1T-04-1200-J4A-J4A-0-0 1
17 56027273 HYDRAULIC HOSE R2T-04-1050-J4A-J4A-0-0 2
18 00849810 HYDRAULIC HOSE R2T-04-0700-J4B-J4A-0-0 1
20 56206748 HYDRAULIC HOSE R1T-4-560-J4A-J4A+SUOJASPIRAALI 1
21 56206749 HYDRAULIC HOSE R1T-4-650-J4A-J4A+SUOJASPIRAALI 1
. . . . .

Sandvik Mining and Construction Oy, Loaders Turku © 2012


56046689
9 (53) GREASING BLOCK 121024

Sandvik Mining and Construction Oy, Loaders Turku © 2012


56046689
121024 GREASING BLOCK 10 (53)

Ref. Part no. Description EN Standard designation Qty


e
1 56046742 GREASING BLOCK 1
2 04180301 ADAPTER (HYDRAULIC) P-H 4F42EDXS 10
3 04110404 ADAPTER (HYDRAULIC) K-GEV 6 L/R 5
4 04112206 ADAPTER (HYDRAULIC) 1
5 06530426 HEXAGON HEAD BOLT (HALF THREAD) M10X45 - 8.8 , ISO 4014 2
. . . . .
6 06581408 WASHER, PLAIN 4

Sandvik Mining and Construction Oy, Loaders Turku © 2012


56046690
11 (53) GREASING BLOCK 121024

Sandvik Mining and Construction Oy, Loaders Turku © 2012


56046690
121024 GREASING BLOCK 12 (53)

Ref. Part no. Description EN Standard designation Qty


e
1 56046742 GREASING BLOCK 1
2 04180301 ADAPTER (HYDRAULIC) P-H 4F42EDXS 11
3 04110404 ADAPTER (HYDRAULIC) K-GEV 6 L/R 4
4 04112206 ADAPTER (HYDRAULIC) 1
5 06530426 HEXAGON HEAD BOLT (HALF THREAD) M10X45 - 8.8 , ISO 4014 2
. . . . .
6 06581408 WASHER, PLAIN 4

Sandvik Mining and Construction Oy, Loaders Turku © 2012


56207540
13 (53) ASSEMBLY 121024

Sandvik Mining and Construction Oy, Loaders Turku © 2012


56207540
121024 ASSEMBLY 14 (53)

Ref. Part no. Description EN Standard designation Qty


e
1 04182081 ADAPTER (HYDRAULIC) 2
2 04182825 NUT 2
3 06530419 HEXAGON HEAD SCREW (FULL THREAD) M10X16 - 8.8 , ISO 4017 4
4 06581407 WASHER, PLAIN 2
5 06581408 WASHER, PLAIN 4
. . . . .
6 56206790 PIPE 1
7 56206792 PIPE 1
8 56206791 PIPE 1
9 56025463 PIPE 1
10 56025464 PIPE 1
. . . . .
11 56206789 ASSEMBLY SEE PAGE 5-16 1
12 56021584 MAGNETIC VALVE SEE PAGE 5-20 1
13 56021209 PROTECTIVE STRUCTURE SEE PAGE 5-24 1
14 06581409 WASHER, PLAIN M12 - 8 INCL.4 4
15 06530443 HEXAGON HEAD SCREW (FULL THREAD) M12X40 - 8.8 , ISO 4017 4
. . . . .
16 06530403 HEXAGON HEAD SCREW (FULL THREAD) M8X16 - 8.8 , ISO 4017 2

Sandvik Mining and Construction Oy, Loaders Turku © 2012


56206789
15 (53) ASSEMBLY 121024

Sandvik Mining and Construction Oy, Loaders Turku © 2012


56206789
121024 ASSEMBLY 16 (53)

Ref. Part no. Description EN Standard designation Qty


e
1 56206268 PUMP UNIT SEE PAGE 5-18 1
2 04182201 ADAPTER, HYDRAULIC 3
3 04182200 ADAPTER (HYDRAULIC) 2
4 04182401 ADAPTER, ELBOW R 1/4 - 9/16 1
5 04182600 ADAPTER, ELBOW 9/16 - 9/16 2
. . . . .

Sandvik Mining and Construction Oy, Loaders Turku © 2012


56206268 a
17 (53) PUMP UNIT 121024

Sandvik Mining and Construction Oy, Loaders Turku © 2012


56206268 a
121024 PUMP UNIT 18 (53)

Ref. Part no. Description EN Standard designation Qty


e
1 56212859 LIMIT SWITCH 1
2 04705984 DIRECTIONAL VALVE 1
3 04705946 PRESSURE RELIEF VALVE 1
4 04705945 INLET VALVE 2
5 04705944 LIMIT SWITCH ASSEMBLY 1
. . . . .
6 04705030 SCREW 1
7 04705033 BLEEDER SCREW 1
8 04705983 SCREW 2
9 04705985 FASTENER 1
11 04705922 FILTER ELEMENT 1
. . . . .
12 04705975 SPRING 1
13 56013526 PLUG GF-400 1
14 04705974 THRUST WASHER 1
16 04705982 FASTENER 1
17 56212858 CYLINDER FOR PUMPUNIT SHG-50 56206268 1
. . . . .
19 04705973 PISTON 1
20 04705031 BASE PLATE 1
21 04705341 TANK 1
22 04705964 COVER 1
34 04705034 BALL 1
. . . . .
200 04705956 SEAL KIT 1

Sandvik Mining and Construction Oy, Loaders Turku © 2012


56021584 cB
19 (53) MAGNETIC VALVE 121024

Sandvik Mining and Construction Oy, Loaders Turku © 2012


56021584 cB
121024 MAGNETIC VALVE 20 (53)

Ref. Part no. Description EN Standard designation Qty


e
1 56024134 DIRECTIONAL VALVE SEE PAGE 5-22 1
2 04791332 BASE PLATE 1
3 00803590 MOUNTING PLATE 1
4 04182202 ADAPTER (HYDRAULIC) 4
5 04182684 ADAPTER TEE 1
. . . . .
6 73702153 HEXAGON SOCKET HEAD SCREW (FULL M5 X 50 12.9 4
THREAD)
7 06531975 SCREW M 5X35 SFS 222 4
8 06581405 PLAIN WASHER 5 , SFS 2041 4
9 06575105 HEXAGON NYLOC NUT M5 - 8 4

Sandvik Mining and Construction Oy, Loaders Turku © 2012


56024134 bB
21 (53) DIRECTIONAL VALVE 121024

Sandvik Mining and Construction Oy, Loaders Turku © 2012


56024134 bB
121024 DIRECTIONAL VALVE 22 (53)

Ref. Part no. Description EN Standard designation Qty


e
1 56030296 COIL 28V 1
2 56030297 NUT 1
200 56030298 SEAL KIT 1

Sandvik Mining and Construction Oy, Loaders Turku © 2012


56021209 aA
23 (53) PROTECTIVE STRUCTURE 121024

Sandvik Mining and Construction Oy, Loaders Turku © 2012


56021209 aA
121024 PROTECTIVE STRUCTURE 24 (53)

Ref. Part no. Description EN Standard designation Qty


e
1 56021205 COVER 1
2 56021207 BASE PLATE 1
3 06581409 WASHER, PLAIN M12 - 8 6
4 06575109 HEXAGON NYLOC NUT M12 - 8 , DIN 985 2
5 06530452 HEXAGON HEAD BOLT (HALF THREAD) M12X90 - 8.8 , ISO 4014 2
. . . . .
8 56019892 HANDLE 1
9 06574405 HEXAGON NUT M5 - 8 , SFS 2067 1
10 06530375 HEXAGON HEAD BOLT (HALF THREAD) M5X35 - 8.8 1
11 56040627 BUSHING D12/6-17 1
12 06575106 HEXAGON NYLOC NUT M6 - 8 , DIN 985 1
. . . . .
13 06530391 HEXAGON HEAD BOLT (HALF THREAD) M6X40 1
14 06581406 PLAIN WASHER 6 2
15 00697330 LOCKING SCREW M12*28 1

Sandvik Mining and Construction Oy, Loaders Turku © 2012


56046586
25 (53) LUBE UNIT ASSEMBLY 121024

Sandvik Mining and Construction Oy, Loaders Turku © 2012


56046586
121024 LUBE UNIT ASSEMBLY 26 (53)

Ref. Part no. Description EN Standard designation Qty


e
1 04705415 BASE PLATE 1
2 29604423 PLATE 1
3 04705135 LUBE UNIT SEE PAGE 5-28 5
4 04182201 ADAPTER, HYDRAULIC 4
5 04180301 ADAPTER (HYDRAULIC) P-H 4F42EDXS 7
. . . . .
6 04180601 ELBOW ADAPTER 7
7 06760002 ADAPTER (HYDRAULIC) 2
8 04112206 ADAPTER (HYDRAULIC) 3
9 06532013 HEXAGON SOCKET HEAD BOLT (HALF M 8X60 SFS 2219 2
THREAD)

Sandvik Mining and Construction Oy, Loaders Turku © 2012


04705135
27 (53) LUBE UNIT 121024

Sandvik Mining and Construction Oy, Loaders Turku © 2012


04705135
121024 LUBE UNIT 28 (53)

Ref. Part no. Description EN Standard designation Qty


e
1 PLUG 1
2 09370244 O-RING OR 10,1X1,6 3
3 PISTON 1
4 04705966 U-SEAL 8-4-2 2
5 PIN 1
. . . . .
6 04705967 U-SEAL 7-3-5 1
7 04705913 COVER 1
8 SCREW M 8X8 DIN 916 1
9 BODY 1
10 09370216 O-RING 2
. . . . .
11 SLIDE SG 012 1
12 09370242 O-RING OR 6,3X2,4 4
13 BODY 1
14 PLUG 2
15 FLANGE 1
. . . . .

Sandvik Mining and Construction Oy, Loaders Turku © 2012


56046587
29 (53) LUBE UNIT ASSEMBLY 121024

Sandvik Mining and Construction Oy, Loaders Turku © 2012


56046587
121024 LUBE UNIT ASSEMBLY 30 (53)

Ref. Part no. Description EN Standard designation Qty


e
1 04705417 BASE PLATE 1
2 56017170 PLATE 1
3 04705135 LUBE UNIT SEE PAGE 5-32 5
4 04705134 LUBE UNIT SEE PAGE 5-34 1
5 04182201 ADAPTER, HYDRAULIC 2
. . . . .
6 04180301 ADAPTER (HYDRAULIC) P-H 4F42EDXS 8
7 04180601 ELBOW ADAPTER 8
8 06760002 ADAPTER (HYDRAULIC) 2
9 04112206 ADAPTER (HYDRAULIC) 3
10 04910138 HEXACON SOCKET HEAD PLUG R 1/4 2
. . . . .
11 04910139 HEXACON SOCKET HEAD PLUG R 1/8 1
12 06532013 HEXAGON SOCKET HEAD BOLT (HALF M 8X60 SFS 2219 2
THREAD)

Sandvik Mining and Construction Oy, Loaders Turku © 2012


04705135
31 (53) LUBE UNIT 121024

Sandvik Mining and Construction Oy, Loaders Turku © 2012


04705135
121024 LUBE UNIT 32 (53)

Ref. Part no. Description EN Standard designation Qty


e
1 PLUG 1
2 09370244 O-RING OR 10,1X1,6 3
3 PISTON 1
4 04705966 U-SEAL 8-4-2 2
5 PIN 1
. . . . .
6 04705967 U-SEAL 7-3-5 1
7 04705913 COVER 1
8 SCREW M 8X8 DIN 916 1
9 BODY 1
10 09370216 O-RING 2
. . . . .
11 SLIDE SG 012 1
12 09370242 O-RING OR 6,3X2,4 4
13 BODY 1
14 PLUG 2
15 FLANGE 1
. . . . .

Sandvik Mining and Construction Oy, Loaders Turku © 2012


04705134
33 (53) LUBE UNIT 121024

12

2
10

Sandvik Mining and Construction Oy, Loaders Turku © 2012


04705134
121024 LUBE UNIT 34 (53)

Ref. Part no. Description EN Standard designation Qty


e
1 PLUG 1
2 09370244 O-RING OR 10,1X1,6 3
3 PISTON 1
4 04705966 U-SEAL 8-4-2 2
5 PIN 1
. . . . .
6 04705967 U-SEAL 7-3-5 1
7 04705913 COVER 1
8 SCREW M 8X8 DIN 916 1
9 BODY 1
10 09370216 O-RING 2
. . . . .
11 SLIDE SG 011 1
12 09370242 O-RING OR 6,3X2,4 4
13 BODY 1
14 PLUG 2
15 FLANGE 1
. . . . .

Sandvik Mining and Construction Oy, Loaders Turku © 2012


56041202
35 (53) ADAPTER ASSEMBLY 121024

Sandvik Mining and Construction Oy, Loaders Turku © 2012


56041202
121024 ADAPTER ASSEMBLY 36 (53)

Ref. Part no. Description EN Standard designation Qty


e
1 29605680 DIVIDER BLOCK 1
2 04182201 ADAPTER, HYDRAULIC 4
3 04182401 ADAPTER, ELBOW R 1/4 - 9/16 2
4 06532011 HEXAGON SOCKET HEAD SCREW (FULL M8X50 - 8.8 , ISO 4762 2
THREAD)

Sandvik Mining and Construction Oy, Loaders Turku © 2012


56027358 aA
37 (53) CENTRALIZED LUBRICATION KIT 121024

Sandvik Mining and Construction Oy, Loaders Turku © 2012


56027358 aA
121024 CENTRALIZED LUBRICATION KIT 38 (53)

Ref. Part no. Description EN Standard designation Qty


e
1 56038376 WIRING HARNESS SEE PAGE 5-40 1
2 56037891 WIRING HARNESS SEE PAGE 5-42 1

Sandvik Mining and Construction Oy, Loaders Turku © 2012


56038376 a
39 (53) WIRING HARNESS 121024

Sandvik Mining and Construction Oy, Loaders Turku © 2012


56038376 a
121024 WIRING HARNESS 40 (53)

Ref. Part no. Description EN Standard designation Qty


e
1 04900638 CONNECTOR 1
2 56021003 ACCESSORIES, CONNECTOR 1
3 08002284 CONTACT, MALE 3
4 56021000 ACCESSORIES, CONNECTOR STRAIGHT ADAPTER FOR DT04-3P 1
CONNECTOR,SNAPS ON NW
5 56024744 PREWIRED CONNECTOR 2
. . . . .
6 56016575 ADAPTER, TEE 1
7 08001991 PLASTIC CONDUITS FOR CABLE 0.66
8 08001993 CONDUIT, CABLE, PLASTIC 0.3
9 56016045 FITTING PIECE 2
18 56024746 FITTING CONNECTION REAR AND FRONT RISER 2
. . . . .
19 56016948 CONNECTOR 1
21 56014897 CLIP 1

Sandvik Mining and Construction Oy, Loaders Turku © 2012


56037891 bB
41 (53) WIRING HARNESS 121024

Sandvik Mining and Construction Oy, Loaders Turku © 2012


56037891 bB
121024 WIRING HARNESS 42 (53)

Ref. Part no. Description EN Standard designation Qty


e
1 56016143 CONNECTOR 1
2 56016144 ACCESSORIES, CONNECTOR 1
3 08002284 CONTACT, MALE 4
4 56021001 ACCESSORIES, CONNECTOR STRAIGHT ADAPTER FOR DT04-4P 1
CONNECTOR
5 56024743 PREWIRED CONNECTOR 1
. . . . .
6 56024746 FITTING CONNECTION REAR AND FRONT RISER 1
7 85287019 BUSHING, TERMINAL 2
8 56015502 ADAPTER TEE 1
9 08001991 PLASTIC CONDUITS FOR CABLE 0.975
10 08001745 GLAND, CABLE 1
. . . . .

Sandvik Mining and Construction Oy, Loaders Turku © 2012


56027790 eE
43 (53) CENTRAL GREASING ASSEMBLY 121024

Sandvik Mining and Construction Oy, Loaders Turku © 2012


56027790 eE
121024 CENTRAL GREASING ASSEMBLY 44 (53)

Ref. Part no. Description EN Standard designation Qty


e
1 56042094 LUBE UNIT SEE PAGE 5-46 1
2 56025568 DISTIBUTING BLOCK SEE PAGE 5-52 1
4 04110507 CONNECTOR K-WEV 6LRK 6
5 04111204 ADAPTER (HYDRAULIC) 3
6 04182400 ADAPTER, ELBOW R 1/8 - 9/16 4
. . . . .
7 06760002 ADAPTER (HYDRAULIC) 3
8 56027836 PIPE ORFS D 8X1 AISI 304 1
9 56027837 PIPE ORFS D 8X1 AISI 304 1
10 56027838 PIPE D 6X1 AISI 304 1
11 56027839 PIPE D 6X1 AISI 304 1
. . . . .
12 56049708 PIPE D 6X1 AISI 304 1
13 56027841 PIPE D 6X1 AISI 304 1
14 56027842 PIPE D 6X1 AISI 304 1
15 56203449 PIPE D 6X1 AISI 304 1
16 56027844 PIPE D 6X1 AISI 304 1
. . . . .
17 56027845 PIPE D 6X1 AISI 304 1
18 56027846 PIPE D 6X1 AISI 304 1
19 56027847 PIPE D 6X1 AISI 304 1
20 02867370 HYDRAULIC HOSE R2T-04-0350-V4A-V4A-0-0 2
21 29603427 HYDRAULIC HOSE R2T-4-850-V4A-V4A 2
. . . . .
22 56007651 HOSE CLAMP 18
23 04705934 FASTENER 8X2 5
24 55019921 FASTENER 6X3 6
25 04110404 ADAPTER (HYDRAULIC) K-GEV 6 L/R 1
26 00851410 HYDRAULIC HOSE R2T-04-0300-J4A-J4A-0-0 1
. . . . .
28 04180301 ADAPTER (HYDRAULIC) P-H 4F42EDXS 2
29 29521421 HYDRAULIC BLOCK ASSEMBLY 1
30 06530426 HEXAGON HEAD BOLT (HALF THREAD) M10X45 - 8.8 , ISO 4014 1
31 06581408 WASHER, PLAIN 1

Sandvik Mining and Construction Oy, Loaders Turku © 2012


56042094
45 (53) LUBE UNIT 121024

Sandvik Mining and Construction Oy, Loaders Turku © 2012


56042094
121024 LUBE UNIT 46 (53)

Ref. Part no. Description EN Standard designation Qty


e
1 04705414 BASE PLATE 1
2 04705135 LUBE UNIT SEE PAGE 5-48 3
3 04705134 LUBE UNIT SEE PAGE 5-50 1
4 56034430 PRESSURE SWITCH HPK-70-IP65 2
5 04182770 CONNECTOR FOR GAUGE 2
. . . . .
6 56020540 INSTRUMENT ADAPTER 9/16-18 / 9/16-20 2
7 04182201 ADAPTER, HYDRAULIC 2
8 55026258 SWIVEL NUT MALE ADAPTER ORFS 9/16-18 - BSP 1/4 2
9 04110404 ADAPTER (HYDRAULIC) K-GEV 6 L/R 7
10 09371820 USIT-SEAL U/SC 13,7X20X1,5 , 70 SHORE A 2
. . . . .
11 04910139 HEXACON SOCKET HEAD PLUG R 1/8 1
12 06532009 HEXAGON SOCKET HEAD SCREW (FULL M 8X40 SFS 2219 2
THREAD)

Sandvik Mining and Construction Oy, Loaders Turku © 2012


04705135
47 (53) LUBE UNIT 121024

Sandvik Mining and Construction Oy, Loaders Turku © 2012


04705135
121024 LUBE UNIT 48 (53)

Ref. Part no. Description EN Standard designation Qty


e
1 PLUG 1
2 09370244 O-RING OR 10,1X1,6 3
3 PISTON 1
4 04705966 U-SEAL 8-4-2 2
5 PIN 1
. . . . .
6 04705967 U-SEAL 7-3-5 1
7 04705913 COVER 1
8 SCREW M 8X8 DIN 916 1
9 BODY 1
10 09370216 O-RING 2
. . . . .
11 SLIDE SG 012 1
12 09370242 O-RING OR 6,3X2,4 4
13 BODY 1
14 PLUG 2
15 FLANGE 1
. . . . .

Sandvik Mining and Construction Oy, Loaders Turku © 2012


04705134
49 (53) LUBE UNIT 121024

12

2
10

Sandvik Mining and Construction Oy, Loaders Turku © 2012


04705134
121024 LUBE UNIT 50 (53)

Ref. Part no. Description EN Standard designation Qty


e
1 PLUG 1
2 09370244 O-RING OR 10,1X1,6 3
3 PISTON 1
4 04705966 U-SEAL 8-4-2 2
5 PIN 1
. . . . .
6 04705967 U-SEAL 7-3-5 1
7 04705913 COVER 1
8 SCREW M 8X8 DIN 916 1
9 BODY 1
10 09370216 O-RING 2
. . . . .
11 SLIDE SG 011 1
12 09370242 O-RING OR 6,3X2,4 4
13 BODY 1
14 PLUG 2
15 FLANGE 1
. . . . .

Sandvik Mining and Construction Oy, Loaders Turku © 2012


56025568
51 (53) DISTIBUTING BLOCK 121024

Sandvik Mining and Construction Oy, Loaders Turku © 2012


56025568
121024 DISTIBUTING BLOCK 52 (53)

Ref. Part no. Description EN Standard designation Qty


e
1 29605680 DIVIDER BLOCK 1
2 04182201 ADAPTER, HYDRAULIC 3
3 04182401 ADAPTER, ELBOW R 1/4 - 9/16 1
4 04182600 ADAPTER, ELBOW 9/16 - 9/16 1
5 04910138 HEXACON SOCKET HEAD PLUG R 1/4 2
. . . . .
6 06581407 WASHER, PLAIN 2
7 06530412 HEXAGON HEAD BOLT (HALF THREAD) M8X55 - 8.8 , ISO 4014 2

Sandvik Mining and Construction Oy, Loaders Turku © 2012

L217D376
TABLE OF CONTENTS
LH517
121024
Sandvik Mining and Construction Oy, Loaders Turku © 2012
5. LUBRICATION SYSTEM
* 5604
56046550 bB
1 (53)
GREASE LUBRICATION SYSTEM
121024
Sandvik Mining and Construction Oy, Loaders Turku © 2012
56046550 bB
121024
GREASE LUBRICATION SYSTEM
2 (53)
Sandvik Mining and Construction Oy, Loaders Turku © 2012
Ref.
Part no.
De
56046550 bB
3 (53)
GREASE LUBRICATION SYSTEM
121024
Sandvik Mining and Construction Oy, Loaders Turku © 2012
56046550 bB
121024
GREASE LUBRICATION SYSTEM
4 (53)
Sandvik Mining and Construction Oy, Loaders Turku © 2012
Ref.
Part no.
De
56046551 aA
5 (53)
GREASE LUBRICATION SYSTEM
121024
Sandvik Mining and Construction Oy, Loaders Turku © 2012
56046551 aA
121024
GREASE LUBRICATION SYSTEM
6 (53)
Sandvik Mining and Construction Oy, Loaders Turku © 2012
Ref.
Part no.
De
56046552 aB
7 (53)
GREASE LUBRICATION SYSTEM
121024
Sandvik Mining and Construction Oy, Loaders Turku © 2012
56046552 aB
121024
GREASE LUBRICATION SYSTEM
8 (53)
Sandvik Mining and Construction Oy, Loaders Turku © 2012
Ref.
Part no.
De
56046689
9 (53)
GREASING BLOCK
121024
Sandvik Mining and Construction Oy, Loaders Turku © 2012

You might also like