NCPAP300 Service Manual for Neonates
NCPAP300 Service Manual for Neonates
NCPAP300
SERVICE MANUAL
NASAL CPAP UNIT
SERVICE MANUAL
Model : nCPAP300
Ref. No : SM-7.2.3-31
Issue : 01
Issue date : Feb’ 2013
Introduction
Intended Use:
A continuous positive airway pressure unit is a device intended to assist infant
breathing by delivering a predetermined percentage of oxygen in the breathing air
through nasal opening. This unit is used in hospital environment.
nCPAP is to be used in combination with nCPAP Generator or bubble CPAP kit for
breathing with CPAP-Continuous Positive Airway Pressure in combination with the
enriching of the inhaling gas mixture with oxygen for applying on humans exclusively
for the support of patients with spontaneous breathing.
The nCPAP 300 from Phoenix is an effective system for delivery of NCPAP to neonates
and infants. This system permits the flow rate, pressure and oxygen concentration of
the air provided to the infant to be controlled accurately.
The nCPAP 300 features a user-friendly display and controls. A reliable system of alarms
is provided for the utmost safety of the infant.
1
WARNING
Equipment should be serviced by trained Phoenix authorized service personnel
only.
No service and or maintenance should be done during use with infant.
WARNING: To avoid risk of electric shock, this equipment must be connected
to a supply main with protective earth only.
Use proper tools for service.
Equipment should be switched OFF and isolated from the supply mains during
the servicing.
2
Technical Specifications
3
Central gas supply
Working pressure supply : 3 to 6 bar
Consumption of O2 : 15 LPM (Max)
Consumption of Air : 15 LPM (Max)
Dimensions
Base unit dimensions : 520 mm diameter
Pillar unit dimensions : 125 (L) x 85 (W) x 1080 (H) mm
Control unit dimensions : 290 (L) x 250 (W) x 150 (H) mm
Total dimensions : 520 (L) x 520 (W) x 1300 (H) mm
Weight : 15 kg
Mass including safe working load : 42 Kg
Mobility : Four castors with brakes
4
WIRING DIAGRAM
Title
nCPAP300 WIRING DIAGRAM
210mm
210mm
INVERTER
2
-
AIR
BLACK
VALVE 1
RED
2
O2
LCD
VALVE 1 J1
180mm 2
1
180mm
295mm
295mm
2
3
LCD BACKLIGHT
WHITE
WHITE
11.1V/2AH
BLACK
BLACK
BATTERY J5
- 6
1400mm
1400mm
5
- + 4
1
2
3
4
1
J2 3
15V/DC OUT 2
1
BLACK
RED
VALVE
nCPAP300
2
220mm
4
220mm
220mm
220mm
SWITCH
MAIBOARD
290mm
290mm
180mm
180mm
1 3
SMPS/15V/4AH
BLACK
BLACK
RED
RED
J1
BLACK
BLACK
230V/AC IN 4
RED
RED
3
2 J10
1
1
2
3
BLACK SWITCH
170mm
YELLOW180mm
170mm
2
J8 J9
2 4
20 PIN FRC 16 PIN FRC
330mm
330mm
TIMER
POWER IN
BLACK
BROWN
BLACK
N E L
RED
EMI FILTER
O2 SENSOR 3
2
1
5
APNEA KEY ALARM INDICATOR
250mm
250mm
240mm
240mm
16 PIN FRC
1
2
APNEA KEY
1
2
ALARM INDICATOR
KEYBOARD
Title
nCPAP300 wiring diagram
6
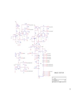
CIRCUIT DIAGRAM
AVCC
U11A
4
3
+ 1
2
-
R88 10k
C118 LTC2052
11
HONEYWELL PRESSURE SENSOR 0.1uF U11B
AVCC
11
SX4
LTC2052 U11C
4
R87 6 -
6 3 7 10
5 2 5 + 8
1K + R92 4k7
4 1 9 PRESSURE
-
C79 SX01DD4 R90
4
0.1uF/1206 LTC2052 10K C72
11
C116
0.1uF 1uF
U11D
4
R94
12 R95 1k
+ 14 1K 10K R93
13
-
LTC2052 R89
11 10k
Title
<nCPAP1000>
7
AVCC
R134 100R
4
2 0.1uF
Q2
- 5 2 7
LM385,1.25V LTC2052 ICS + 7 3 6
11
2 3 1210-2D 6 4 5
-
C16 Q3 LTC2052 R130
R143 ICS 0R
11
0.1uF C17 2 3 1210-2D
LM385,1.25V
1
R142 0R
0.1uF
1
0R R1310R
C112
R141
720R
0.1uF C108
R135
AVCC 0.1uF 720R
R118
AVCC
VCC_BAR
0.1uF C94 10R C96
0.1 uF C92
0.1uF
R119 C97
17
7
1k U6 0.1 uF
VA+
VD+
R91 100R R125
J10 REF_V
O2_POSITIVE 1
REF_V O2_FLOW_POSITIVE
1 C71 AIN1+
2 0.1uF 10K R124 20 2
19 VREF+ AIN1- O2_FLOW_NEGATIVE
4k
CON2 VREF-
R97 0R 8 24
18 VA- AIN2+ AIR_FLOW_POSITIVE
O2_NEGATIVE DGND 23
AIN2- AIR_FLOW_NEGATIVE
R96
0R 6 22
C2 AIN3+ O2_POSITIVE
R144 22 nF 21
AIN3- O2_NEGATIVE
C91
AIR_WAY_PRESSURE_POSITIVE 5
C1 CS5534
HONEYWELL PRESSURE SENSOR 100R 3
AIN4+ AIR_WAY _PRESSURE_POSITIVE
AVCC C117
SX3 0.1uF 12 4
OSC1 AIN4- AIR_WAY _PRESSURE_NEGATIVE
6 1 Y2
5 2
4 3 4.9152 MHz 11
C78 SX01DD4 C119 OSC2
0.1uF 0.1uF
R145
AIR_WAY_PRESSURE_NEGATIVE 16 CS_ADC_SELECT
CS
100R
SDI
15
14
SDI ANALOG SECTION
SDO
SDO
13 SCLK
A0
A1
SCLK
9
10
Title
<nCPAP1000>
8
VCC_BAR VCC_BAR
LCD_CONT + C21
J8 R105
VCC_BAR C22 47UF
3
0.1uF C11 1uF/1206
/RD 2 1
J12
LCD_A0 4 3 /WR
16
LCD_D1 6 5 LCD_D0 2 1 C10 U5
LCD_D3 8 7 LCD_D2 2 1 2 C8
VCC
LCD_D5 10 9 LCD_D4 3 1uF/1206 3 C+ V+ 6
LCD_D7 12 11 LCD_D6 POT/SM 4 C1- V-
CON3
1
/RESET 14 13 /CS 5 C2+ 1uF/1206
16 15 -VCC_23V C2- VCC_BAR
18 17
J9
20 19 O2_UP_KEY O2_DOWN_KEY
J4
LCD C9 1uF/1206 TXD0 11 14 VCC_BAR MUTE_KEY 1 2 SET_ALARM_KEY
TXD1 10 T1IN T1OUT 13 1 FLOW_UP_KEY 3 4 FLOW_DOWN_KEY
VCC_BAR VCC_BAR RXD0 12 T2IN R1IN 7 2 APNEA_SET_KEY 5 6
GND
RXD1 9 R1OUT T2OUT 8 3 7 8 ALARM_LED_-
R2OUT R2IN 4 ALARM_BUZZER_- 9 10
J6 POWER_LED
E1 5 11 12
MAX232A
15
B1 1 2 E0 R86 13 14 ALARM_MUTE_LED
RS232
CPU_RESET 3 4 10k ALARM_MUTE 15 16
5 6 VCC_BAR IN4007/1206 KEY BOARD VCC_BAR
PGM VALVE_OFF D15 100K/0805
R85
IN4007/1206 D16
U10A VALVE_CONTROL
16
3
WDG_CLR 1 2 13 R71 SY S_FAIL_INT
B
CLR
VCC
A Q 2.2K/0805
VCC_BAR
R R72 15
REXT/CEXT
10uF
C58 4
GND
14 Q SYS_FAIL_ALARM
CEXT
8
74HC123
U12A
U12B
4
2 - LM358 4
1 6 LM358 R101R
CONTRAST_PWM R99 4K7 R104 -
100K R103 1k 3 + 7 LCD_CONT
5 +
C74 C75 C80
8
9
REF_V
VCC_BAR POWER_SENSE
BATT_LEVEL
RXD0 R74 FAN_FAIL_SENSE
VCC_BAR O2_VALVE JTAG
SIP1 10K AIR_VALVE VCC_BAR
2
7 G0 R8 0RG_I/O13 4 SIP6
CPU_RESET 8 G1 FAN_PWM R63 10UF 5 E0 2 1
9 G3 6 E1 3
1uF + C111 C E2 4
G4 LED_PWM LED_PWM R60 VCC_BAR E3 5 10K
CPU_RESET
J7
10K R132 R84 0R E4 6
COMPRESSURE1 1 E5 7
O2_UP_KEY R58 COMPRESSURE2 2 E6 8
C113 RXD1 3 E7 9
4 C
O2_DOWN_KEY R57 10UF COMPRESSURE 5
APNEA_SET_KEY R54
22
53
52
21
64
62
63
20
61
60
59
58
57
56
55
54
1
R83 LCD_D0
PF0(ADC0)
PF1(ADC1)
PF2(ADC2)
PF3(ADC3)
PF4(ADC4/TCK)
PF5(ADC5/TMS)
PF6(ADC6/TDO)
PF7(ADC7/TDI)
GND
GND
PEN
GND
AREF
RESET
VCC
VCC
AVCC
CS_ADC_SELECT R52 U8
VCC_BAR CS_ADC_SELECT
2 51 A0 R82 LCD_D1
1 2 A0 SCLK SCLK R47 E1 3 (RXD0/PDI) PE0 PA0(AD0) 50 A1
3 A1 E2 4 (TXD0/PDO) PE1 PA1(AD1) 49 A2
4 A2 E3 5 (XCK0/AIN0) PE2 PA2(AD2) 48 A3 R81 LCD_D2
SIP5 5 A3 SDI SDI R46 E4 6 (OC3A/AIN1) PE3 PA3(AD3) 47 A4
6 A4 E5 7 (OC3B/INT4) PE4 PA4(AD4) 46 A5
7 A5 E6 8 (OC3C/INT5) PE5 PA5(AD5) 45 A6 R80 LCD_D3
8 A6 SDO SDO R40 E7 9 (T3/INT6) PE6 PA6(AD6) 44 A7
9 A7 (IC3/INT7) PE7 PA7(AD7) 43 G_I/O9
C 4K7 PG2(ALE) 42 G_I/O0 R79 LCD_D4
BUZZER_PWM BUZZER_PWM R39 B0 10 PC7(A15) 41 G_I/O1
B1 11 (SS) PB0 PC6(A14) 40 G_I/O2
B2 12 (SCK) PB1 Atmega128SMD PC5(A13) 39 G_I/O3 R78 LCD_D5
AIR_PWM AIR_PWM R37 B3 13 (MOSI) PB2 PC4(A12) 38 G_I/O4
B4 14 (MISO) PB3 PC3(A11) 37 G_I/O5
(OC0) PB4 PC2(A10)
COMPRESSURE2
B5 15 36 G_I/O6 LCD_D6
C25 FLOW_DOW N_KEY
R77
(OC1A) PB5 PC1(A9)
C47 CS_ADC_SELECT
16 35
C56 COMPRESSURE1
(RXD1/INT2) PD2
(TXD1/INT3) PD3
R76 LCD_D7
(SDA/INT1) PD1
(SCL/INT0) PD0
C31 MUTE_KEY
TOCS1/1PG4
/CS
RXD1
TOSC2/PG3
TXD1
(XCK1) PD5
A0
SDA
SCL
(IC1) PD4
PG0(WR)
PG1(RD)
(T1) PD6
(T2) PD7
23
10PF XTAL2
C33
C59
C48
C45
C29
C28
C24
24 R62 COMPRESSURE1
22pF 22pF SET_ALARM_KEY Y3 XTAL1
CRY STAL
33
34
18
19
25
26
29
30
31
32
27
28
22pF
22pF
22pF
22pF
22pF
22pF
22pF
22pF
22pF
22pF
22pF
G0
G1
G3
G4
D0
D1
D4
D5
D6
D7
22pF SDI
D2
D3
C46 C103
VCC_BAR
22pF SDO 10PF R59 VALVE_OFF D0 2 1
C44 D1 3
FLOW_UP_KEY
C49 APNEA_SET_KEY
22pF BUZZER_PWM D2 4
C50 O2_DOWN_KEY
C42 D5 7
C54 FAN_PWM
C52 LED_PWM
O2_PWM R55 D6 8
RXD0
22pF
TXD0
C39 LCD_BACK_LIGHT 9
R19
R20
R21
R136
R127
D7
22pF CONTRAST_PWM C VCC_BAR
C38 R53 ALARM_MUTE_LED 10K
C60
C57
C55
R30
R27
R26
R25
R148
R29
R28
22pF /WR
C36 B0 2 1
/RD R51 SCL B1 3
C73 SCL 4
22pF
22pF
22pF
22pF
22pF
22pF
22pF
22pF
B2 SIP3
B3 5
SYS_FAIL_INT
7
/RD
B5
/CS
10K
LCD_A0
8
SET_ALARM_KEY
B6
FLOW_DOWN_KEY
B7 9
/RESET
MUTE_KEY
RXD1
C
TXD1
C68 LCD_D0
C67 LCD_D1
C66 LCD_D2
C65 LCD_D3
C64 LCD_D4
C63 LCD_D5
C62 LCD_D6
C61 LCD_D7
C27 /RESET
VCC_BAR
1 2 G_I/O0 VCC_BAR
3 G_I/O1 2WAY _VALVE
10K 4 G_I/O2
5
22pF
22pF
22pF
22pF
22pF
22pF
22pF
22pF
22pF
G_I/O3 Title
SIP4 6 G_I/O4 <nCPAP1000>
7 G_I/O5 C120
C
8
9
G_I/O6
G_I/O7
0.1uF
CPU SECTION Size
B
Document Number
<pms/nCPAP1000/V1.2/Page4>
Rev
10
R98 12K 12V_VCC
2
RFP30P05/IRF9540 10uF
POWER_LED
MAIN_14.3V MOFET4 C83 C84
12V_ON 1 0. 1uF/ 1206
J11 D181N5408 SW1 D5 D4
3
MAI NS_POWER 1 3
1
2 2 4 I N5408 IN5408
3 C3 VCC_BAR
D-EXTERNAL
4 MOFET3 1000uF/25V VCC_BAR
SW DPST
AVCC
POWER/MOLEX U1 L2 10uH/S
FET_ON 1 7 6 L1 R11 1R
Not Require 47UF 2 ON/OFF FB 1
C87 C86 C85 VIN VOUT C5 C89 C12 C13 C14
3
RFP30P05/IRF9540 SS24 D1 33uH/L C15
D17 47UF 47UF 4 3 0. 01uF 47UF 10uF 47UF/ CASE-B 10UF/0805
GND CB C1 C2 0. 1uF
LM2676/ TO263 SS24
MBR2045CT/TO_1 47UF 47UF
F1
BATTERY
FUSE
TO_BATT_SENSE
R110
47K R3
R17 20K TO_BATT_SENSE
22K MAINS_POWER
2
R13 Q5
1 BC557 R109
REF_2.46V 22K
R113 3K3 D6 R49
3
10K FET_ON MAI N_14.3V 33K
U3A R111
1
R43 100R
LM358
3
D7 2 - R12 R4 IN4007/1206 BATT_LEVEL
3 1 1 Q4 10K
KA431 3 + BC547 R42 POWER_SENSE R112 100R
12K D13 10K D25
2
2
C20 C23 10K
8
D8 EXTERNAL LINK
MAIN_14.3V MOFET1
VCC_BAR
RFP30P05/I RF9540
IN4007/ 1206 D3 D2 J1
3 2 1 2 1 2
MAINS_POWER 1
2
IN5408 I N5408
Not Require 3
MOFET2
LCD_BACKLIGHT
C6 C7
1
BATTERY D14 RFP30P05/IRF9540 R41 47UF R2
2 3 10UF
R65
1
3
133R R1
R66 1 Q1
6.8K LCD_BACK_LIGHT BC547
2
10K C4
1uF
U9 UC3906
1 16
2 CS0 DS 15
R67 3 CSM DSO 14
3.3K 4 CSP CMP 13 R68
5 CL VS 12 0.1uF/1206 470R
C114 6 VIN CE 11
0.1uF/1206 7 GND TB 10 C53
L3 8 NPI SLC 9 U3B
4
OCT NOCI VALVE_CONTROL
6 LM358
- R114
7 12V_ON
10uH/S 5 +
VCC_BAR 4k7/0805
8
R70 R64
2.2K 392K
R115
10K/0805
R116
10K/0805
Title
<nCPAP1000>
12-02-2012
POWER SUPPLY SECTION Date: 12-02-2012 Sheet 1 of 1
11
RFP30P05/ IRF9540
12V_VCC 3 2 FAN_+ VCC_BAR
2
MOFET5
R23 D27 SDA
100K C95 Y1
0.1uF/1206 1N4007/1206 U2
8
CRYSTAL
1
FAN_- 1 5
VCC
2 X1 SDA
3
R22 10K R117 6 X2 7
1 Q6 FAN_FAIL_SENSE SCL SCLK SQW/OUT
FAN_PWM BC547 22K
GND
R14 R15 D26 C93 3
2
D10 C30 10R/1W 10R/1W 0. 1uF VBAT
+
10uF 5.1VZ
4
1
5. 1VZ DS1307
BT1
VCC_BAR
3.3V/LI
2
LS1 ALARM_LED_-
BUZZER SYS_FAIL_ALARMD22 IN4007/1206
3
1
C76 IN4007/ 1206D23 1 Q10
2 BC 547
D20 0.1uF LED_PWM 2k7 R106
2
SYS_FAIL_ALARM + C82
ALARM_BUZZER_-
IN4007/1206 0. 1uF
3
2k7 R100 D21
1 Q9
BC547
BUZZER_PWM IN4007/1206
2
+ C77
0. 1uF 12V_VCC RFP30P05/IRF9540
3 2
MOFET7 C 40
1000uF/25V
+ D30
IN4007/1206
12K C106
1
22K 0. 1uF/1206
R45 C109 + R138
U 7A 10uF
8
100K R38 R140
3
O2_PWM 3 R44 100R R129 1K
+ 1 1 R139
2 O2_VALVE
-
D 12 BC547 8.6K D31
2
LM358 22K Q8 C105
4
12V_VCC 5.1VZ C41 R35 5.1VZ 0.1uF/1206 J5
0. 1uF/1206 4.7R /1WATT
1
2
3
FAN_+ 4
C37 RFP30P05/I RF9540 FAN_- 5
0. 1uF/1206 3 2 6
VALVE/FAN /MOLEX
12V_VC C MOFET6
I N4007/ 1206
R 126 C34 +
C100
1000uF/25V
0.1uF/1206 D29
1
U 7B 12K
8
100K R33
3
AIR_PWM 5 22K R31 R121
+ 7 1 Q7 C99 + 100R
6
- R120 1K
D11 R32 BC547 10uF R128 AI R_VALVE
2
C35 LM358 22K
4
5. 1VZ 0. 1uF/1206 8. 6k
R16 D 28 C98
4.7R/1WATT 0.1uF/1206
VCC _BAR 5.1VZ
JP2 JUMPER
1 2
J2
1
JUMPER 2
JP1
2
1 2 CON2
12V_VC C D24
R107
1 Tit le
2WAY_VALVE <nCPAP1000>
R108 R
3
12
CALIBRATION
Procedure for enter in to Calibration Menu
1. Press the Set Alarm key and switch the machine on. Keep the key pressed.
“NCPAP 300”
4. Adjust the displayed password to ‘1000’ use the flow control keys.
13
1-Air Flow Calibration
Requirements
Important Note
1. If the Calibration steps terminated before completing all the steps, Error message will be generated
and Equipment will not work.
2. Input pressure should be in (3-4) bar range.
3. The ADC counts value will be displayed on the bottom of display
4. Whenever pressing the Flow+ & Flow- key, the power applied to the valve will display on the center of
the display.(Max value 1000)
5. When the Air Flow increasing on the Flow Analyzer, The ADC counts should increase with respect to
the Flow. If it is decrease, Switch OFF the equipment and check the sensor pneumatic connection.
6. In the 0.0lpm Calibration, The Flow Adjustment Keys will not work.
7. When try to increase the flow, if the Flow not increase, Please checks the Electrical and Pneumatic
connections.
Steps to follow
14
2-OXYGEN FLOW CALIBRATION
Requirements
Important Note
1. If the Calibration steps terminated before completing all the steps, Error message will be generated
and Equipment will not work.
2. Input pressure should be in (3-4) bar range.
3. The ADC counts value will be displayed on the bottom of display
4. Whenever pressing the Flow+ & Flow- key, the power applied to the valve will display on the center of
the display (Max value 1000).
5. When the Air Flow increasing on the Flow Analyzer, The ADC counts should increase with respect to
the Flow.
6. If it is decrease, Switch OFF the equipment and check the sensor pneumatic connection.
7. In the 0.0lpm Calibration, The Flow Adjustment Keys will not work.
8. When try to increase the flow and If the Flow not increased, Please check the Electrical and
Pneumatic connections.
STEPS TO FOLLOW
15
3-FiO2 CALIBRATION
REQUIREMENTS
IMPORTANT NOTE
1. Before enter in to this mode, Air flow and Oxygen Flow calibrations should have completed
successfully.
2. Air flow will increased (by equipment itself) to 5 LPM (Liter per minute), while 21% Oxygen
calibration.
3. Oxygen flow will increase (by equipment itself) to 5lpm at 100% Oxygen calibration.
4. Should be complete all the steps in single attempt.
STEPS TO FOLLOW
16
4- Airway Pressure Calibration
Requirements
Important Note
1. If the Calibration steps terminated before completing all the steps, Error message will be generated
and Equipment will not work.
2. Input pressure should be in (3-4) bar range.
3. The ADC counts value will be displayed on the bottom of display
4. Whenever pressing the Flow+ & Flow- key, the power applied to the valve will display on the center of
the display (Max value 1000).
5. When the Air Flow increasing on the Flow Analyzer, The ADC counts should increase with respect to
the Flow.
6. If it is decrease, Switch OFF the equipment and check the sensor pneumatic connection.
7. When try to increase the flow and If the Flow not increased, Please check the Electrical and
Pneumatic connections.
STEPS TO FOLLOW
17
5-FLOW PRESSURE CALIBRATION
Requirements
Important Note
1. If the Calibration steps terminated before completing all the steps, Error message will be generated
and Equipment will not work.
2. Input pressure should be in (3-4) bar range.
3. The ADC counts value will be displayed on the bottom of display
4. Whenever pressing the Flow+ & Flow- key, the power applied to the valve will display on the center of
the display (Max value 1000).
5. When the Air Flow increasing on the Flow Analyzer, The ADC counts should increase with respect to
the Flow.
6. If it is decrease, Switch OFF the equipment and check the sensor pneumatic connection.
7. When try to increase the flow and if the Flow not increased, please check the Electrical and
Pneumatic connections.
STEPS TO FOLLOW
1. Remove Air input and O2 input connections to nCPAP1000.
2. Connect patient circuit, pressure generator, and standard Low pressure measuring instrument on a
single pressure path.
3. Enter into the [Link] PRESSURE CALIBRATION mode
4. After counts stabilized press MUTE key.
5. Connect Air input connection.
6. Please maintain the pressure generator out in closed condition.
7. Increase the Air flow using Flow+ & Flow- keys.
8. Once the standard pressure reading reached 7cmH2O, stop the Air flow adjustment.
9. After counts stabilized, press MUTE key.
10. Press SET ALARM key return to calibration main menu
18
6-RTC TIME SET
1. Select the”6. RTC TIME SETTING “option in Calibration mode.
2. Press MUTE ky to enter in to that mode.
3. Hrs/Min/Sec
4. FLOW+ - Increment the digit
5. FLOW- - Decrement the digit
6. MUTE - Digit change
7. APNEA - Save / Exit
10-DIAGNOSTIC MODE
1. Select the “DIAGNOSTIC MODE” Option
2. The system will check all the internal peripherals and display the status of the peripherals.
19
Troubleshooting
1. Gas mixture not delivered at patient end (a) Check the patient end of the nasal prongs for obstructions. Reconnect loose ends or remove the obstructions
(b) Check the generator for loose ends and obstructions. If the problem persists, Remove the connection connect
new generator or remove the obstruction.
(c) Check the proximal airway tube. Connection for loose
ends. If the problem persists, refit the loose ends.
(d) Check the patient circuit for leaks or blocks. If the problem persists, call Phoenix Service
2. Oxygen concentration remains low (a) Check whether the nCPAP 300 is connected to an O2
line/cylinder. Connect the machine to an O2 line/cylinder properly.
(b) Check the O2 line for oxygen supply. Provide the oxygen supply (4 Bar).
(a) Check whether the nCPAP is connected to an Connect the airline to the air supply inlet properly.
3. Oxygen concentration remains high
air supply line/compressor.
(b) Check there is a supply of air in the line. If the line is connected, ensure that the supply of air
pressure is adequate. If the problem persists, call the
hospital maintenance staff.
4. Airway pressure remains low (a) Check the patient circuit for loose connections.
Refit loose connections and Position the prongs correctly.
(b) Check whether the nasal prongs .are fitted correctly in the
Fit the nasal prong properly.
baby's nose.
5. Airway pressure remains high Check the flow rate. Adjust the flow (if required) using the flow (‘+’ and ‘-‘) key’s.
If the problem persists, call Phoenix Service.
6. Battery symbol is displayed on panel (a) Check whether the power cord is fitted correctly. Connect the cord correctly.
(b) Verify that the mains power supply voltage is
Call the hospital maintenance staff.
between 110 V and 230 V.
7. Blinking battery symbol is displayed, Connect the nCPAP 300 to the mains power supply If problem persists, call Phoenix Service
accompanied by an audible alarm and charge the battery.
8. Apnea alarm is produced when the baby Check whether the nasal prongs are placed correctly
If not working, call Phoenix Service
is breathing and connected to the nCPAP 300.
9. No display on the panel (a) Check whether the power cord is connected correctly. Connect cord properly and Switch on the power switch. If
(b) Check whether the ON/OFF switch at the rear of problem persists, Call Phoenix Service.
the nCPAP 300 is switched on.
20
Contact Details
When calling the PHOENIX service team, please provide the following information:
3. Serial number of the unit (Refer the Batch Sticker at the base of the unit)
6. The name and telephone number of the person to contact after service is completed
21









