0% found this document useful (0 votes)
306 views5 pages

2013 D 2.5 TCI-A2 Schematic Diagrams Engine Electrical System Engine Control System (ETC) Schematic Diagrams

Copyright
© © All Rights Reserved
We take content rights seriously. If you suspect this is your content, claim it here.
Available Formats
Download as PDF, TXT or read online on Scribd
0% found this document useful (0 votes)
306 views5 pages

2013 D 2.5 TCI-A2 Schematic Diagrams Engine Electrical System Engine Control System (ETC) Schematic Diagrams

Copyright
© © All Rights Reserved
We take content rights seriously. If you suspect this is your content, claim it here.
Available Formats
Download as PDF, TXT or read online on Scribd
You are on page 1/ 5

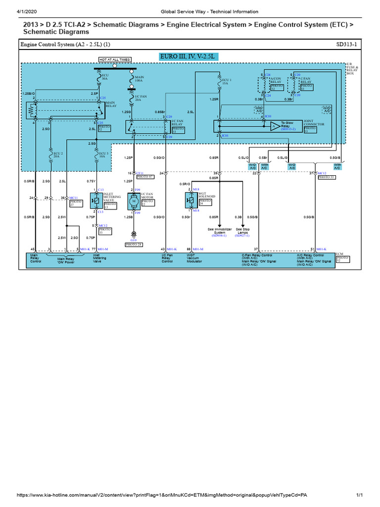
4/1/2020 Global Service Way - Technical Information

2013 > D 2.5 TCI-A2 > Schematic Diagrams > Engine Electrical System > Engine Control System (ETC) >
Schematic Diagrams
Engine Control System (A2 - 2.5L) (1) SD313-1

HOT AT ALL TIMES


EURO III, IV, V-2.5L
E/R
FUSE &
RELAY
5 C24 5 C20 BOX
ECU
30A MAIN A/CON C/FAN
100A ECU 1
15A RELAY RELAY
PHOTO PHOTO
32 33
1.25B/O 2.5P 3 C24 3 C20
I/C FAN
2 1 C25 20A 1.25R 0.3Br 0.3Br
MAIN
RELAY
With W/O
1.25G 0.85Br 2.5L A/C A/C
1 3 C29 1 4 JC01
I/C FAN JOINT
4 3 5 C25 RELAY To Glow CONNECTOR
PHOTO A Relay
2.5O 2.5L 32 PHOTO (SD313-2) PHOTO
33 33
2 5 C29 2 JC01

2.5G

ECU 2 ECU 3
20A 10A 1.25P 0.5G/O 0.85R 0.5L/O 0.5Br 0.5L/G 0.5G/B

W/O With W/O With


A/C A/C A/C A/C
16 CF11 24 39 22 37 MC12
PHOTO 87 0.85R PHOTO 33
0.5R/B 2.5G 2.5L 0.75Y 1.25P
0.5R/O
1 C13 2 F09 2 M18
INLET I/C FAN WGT
24 29 36 MC11 METERING MOTOR SOLENOID
PHOTO VALVE M PHOTO PHOTO
27 PHOTO 22 24
13
2 C13 1 M18
1 F09
0.5R/B 2.5G 2.5W 0.75P 1.25B 0.5G/O 0.5Gr 0.85R 0.3B 0.5G/B 0.5G/B

5 MC12
PHOTO See Immobilizer See Stop
33 System Lamps
(SD954-1) (SD927-1)
2.5W 2.5O 0.75P
G10
PHOTO 28
45 3 1 5 M01-K 77 M01-M 43 M01-K 88 M01-M 37 51 M01-K
Main Inlet I/C Fan WGT C/Fan Relay Control A/C Relay Control ECM
Relay Metering Relay Vaccum (With A/C) (With A/C) PHOTO
Main Relay 52
Control 'ON' Power Valve Control Modulator Main Relay 'ON' Signal Main Relay 'ON' Signal
(W/O A/C) (W/O A/C)

https://www.kia-hotline.com/manualV2/content/view?printFlag=1&oriMnuKCd=ETM&imgMethod=original&popupVehlTypeCd=PA 1/1
4/1/2020 Global Service Way - Technical Information

2013 > D 2.5 TCI-A2 > Schematic Diagrams > Engine Electrical System > Engine Control System (ETC) >
Schematic Diagrams
Engine Control System (A2 - 2.5L) (2) SD313-2
HOT AT ALL TIMES HOT IN ON OR START
E/R I/P
FUSE & JUNCTION
RELAY BOX
BOX JOINT
GLOW CLUSTER IG 1 See Passenger
60A 10A 15A Compartment CONNECTOR
JOINT Fuse Details PHOTO 53
From ECU 1 CONNECTOR (SD120-4)
15A A
(SD313-1) PHOTO
33 See Passenger 0.5G 1.25W 20 19 JM01
Compartment 3 MI21
3 JC01 0.5W
Fuse Details
0.5L 5.0W (SD120-4) 0.5G 1.25W PHOTO 49
1 MF11 PHOTO 87
2 5 C26 8 I16-2 0.5L
GLOW INSTRUMENT
RELAY CLUSTER 1 F12
PHOTO PHOTO AIR
32 CHECK 36 FLOW
GLOW ENGINE SENSOR
4 1 C26
PHOTO
21
CHECK
0.5L 5.0B
Tacho
28 MC12 5 4 2 3 F12
1 2 I16-1 6 I16-2
PHOTO PHOTO 17
33 0.3Y 0.3G 0.3G 0.5R 0.5L/B 0.5R/O 0.5G 0.5Y
1 C16
0.5L GLOW
PLUG 18 19 MI11 19 MI21 10 4 2 3 MF11
PHOTO 49 PHOTO 49 PHOTO 87

0.3Y 0.3G 0.3G 0.5L 0.5R/O 0.5G 0.5Y

85 M01-M 41 55 35 19 M01-K 58 53 71 4 M01-M


ECM
Glow Glow Engine Check Engine ON/START AFS AFS AFS Air Temp.
Relay IND. IND. Speed Input Signal Frequency Ground Signal PHOTO
Control Signal 52

APS.1 APS.2 Start CPS


Switch Neutral
Power Signal Ground Power Signal Ground Input Switch Supply Ground Signal

24 25 26 29 13 14 M01-K 79 52 40 47 59 M01-M
0.5Gr 0.5Gr 0.5G 0.5R 0.5P/B
4 MC11
PHOTO 33 19 27 17 MC12
0.5Y/O 0.5L 0.5P 0.5W 0.5R 0.5Y 0.5Gr
PHOTO 33
1 C32 0.5B 0.5R 0.5P/B
NEUTRAL
See Starting System SWITCH
(SD360-1) 1 3 2 C11
PHOTO
5 3 4 6 1 2 M11 19 CAMSHAFT
ACCEL PEDAL POSITION
2 C32 SENSOR
POSITION SENSOR TR
0.85B PHOTO
PHOTO
48 14

G08 PHOTO 15

https://www.kia-hotline.com/manualV2/content/view?printFlag=1&oriMnuKCd=ETM&imgMethod=original&popupVehlTypeCd=PA 1/1
4/1/2020 Global Service Way - Technical Information

2013 > D 2.5 TCI-A2 > Schematic Diagrams > Engine Electrical System > Engine Control System (ETC) >
Schematic Diagrams
Engine Control System (A2 - 2.5L) (3) SD313-3
See Indicator
& Gauges
PHOTO 11 PHOTO 11 PHOTO 11 PHOTO 11 (SD940-1)
INJECTOR #1 INJECTOR #2 INJECTOR #3 INJECTOR #4
FUEL 0.3Y
TEMPERATURE
SENSOR 16 MC12 PHOTO 33
PHOTO 13
0.5Y
2 C08
1 2 C18 WATER
2 1 C41-1 2 1 C41-2 2 1 C41-3 2 1 C41-4 SENDER TEMPERATURE
SENSOR &
SENSOR SENDER
PHOTO
L/O G/O Lg L Y/L Y/G G/R Br/B 0.75B 0.75G/B 14

1 3 C08
4 9 3 8 2 7 1 6 MC15 0.5Br 0.5R/B
PHOTO
17 23 6 1 16 MC11
0.75R 0.75B 0.75W 0.75Br 0.75L 0.75G 0.75W/B 0.75Gr 0.75B 0.75G/B PHOTO 27
0.5Br 0.5R/B
26 27 74 50 75 51 25 3 10 46 9 45 M01-M
Low High Low High Low High Low High Fuel Fuel ECM
Signal Ground
Temp. Temp. PHOTO
Injector #1 Injector #2 Injector #3 Injector #4 Sensor Ground WTS 52

Brake CKPS
Main Redundant Clutch
Switch Switch Switch Signal(+) Signal(-) Shield

32 30 17 M01-K 36 60 87 M01-M
0.5W 0.3Y 0.3P See Starting System 0.5Y 0.5G 0.5B/O
(SD360-1)
2 M23
CLUTCH
SWITCH
PHOTO
See Stop Lamps 48 0.5Y 0.5G 0.5B/O
(SD927-1)
1 M23
12 5 13 MC11
0.3B PHOTO
0.5Y 0.5G 0.5B/O 27

13 JM01
See Ground JOINT
Distribution CONNECTOR
(SD130-1) PHOTO
53 0.5Y 0.5G 0.5B/O
11 JM01
3 2 1 C09
2.0B CRANKSHAFT
POSITION
SENSOR
S PHOTO
N 19
G01 PHOTO 46

https://www.kia-hotline.com/manualV2/content/view?printFlag=1&oriMnuKCd=ETM&imgMethod=original&popupVehlTypeCd=PA 1/1
4/1/2020 Global Service Way - Technical Information

2013 > D 2.5 TCI-A2 > Schematic Diagrams > Engine Electrical System > Engine Control System (ETC) >
Schematic Diagrams
Engine Control System (A2 - 2.5L) (4) SD313-4

A/C BOOST
PRESSURE PRESSURE
P TRANSDUCER SENSOR
PHOTO PHOTO
U 16
7
P
3 2 1 M32

1 2 4 C38

0.5W 0.5P/B 0.5P


See Data
Link Details See A/C Control (Manual) System See Vehicle
(SD200-1) (SD971-1) (SD971-2) Speed System
(SD436-1) 22 18 25 MC11
PHOTO 27

0.5P 0.5L 0.5R 0.5O 0.5L 0.5L 0.3G 0.5G 0.5L 0.5W 0.5P/B 0.5P

22 8 20 47 48 58 16 28 27 M01-K 13 41 67 M01-M
Power Signal Ground CAN CAN A/C Blower A/C Vehicle Sensor Sensor Sensor ECM
LOW HIGH Switch Switch Thermo Speed Signal Supply Ground PHOTO
APT Switch Sensor 52

EGR Feedback RPS IMMO.


Ground
Supply Signal Ground Motor (-) Motor (+) Shield Signal Supply Ground Interface IND. GND
65 16 20 83 84 28 35 38 19 M01-M 31 38 39 6 4 2 M01-K
0.5B/O 0.5Br 0.5R 0.5G

0.5L/B 0.5P/B 0.5O/B 0.5W 0.5Br 0.5G 0.3O 0.5B 2.5B 2.5B 2.5B

0.5B/O 0.5Br 0.5R 0.5G

33 26 31 MC12 2 3 27 9 17 10 MC11
PHOTO PHOTO 27
33 0.5B/O 0.5B 0.5W 0.5Y See Immobilizer System
(SD954-1)

0.5L/B 0.5P/B 0.5O/B 0.5W 0.5B

0.5B 0.5W 0.5Y


6 4 5 3 1 C15 1 3 2 C19
ELECTRONIC RAIL
EGR P PRESSURE
VALVE SENSOR
M PHOTO PHOTO
15 16 G03
PHOTO 31/52

https://www.kia-hotline.com/manualV2/content/view?printFlag=1&oriMnuKCd=ETM&imgMethod=original&popupVehlTypeCd=PA 1/1
4/1/2020 Global Service Way - Technical Information

2013 > D 2.5 TCI-A2 > Schematic Diagrams > Engine Electrical System > Engine Control System (ETC) >
Schematic Diagrams
Engine Control System (A2 - 2.5L) (5) SD313-5

THROTTLE DEFFERENTIAL EGT


CONTROL PRESSURE SENSOR #1
ACTUATOR SENSOR
PHOTO
PHOTO PHOTO 17
13 P 84
M
1 2 C31-1

2 1 3 F18
5 4 3 2 1 C30

0.5O/B 0.5L/O 0.5R 0.5W 0.5B 0.5Y/O 0.5Gr 0.5G/O 0.5G/O 0.5B

31 33 26 35 32 MC11 22 21 23 MF11 11 7 MC11


PHOTO 27 PHOTO 87 PHOTO 27

0.5O/B 0.5L/O 0.5R 0.5W 0.5Y 0.5Y/O 0.5Gr 0.5G/O 0.5G/O 0.5B/W

64 15 72 93 92 8 66 44 5 22 M01-M
Supply Signal Ground Signal Supply Ground Signal Ground ECM
Motor (-) Motor (+)
PHOTO
Feedback DPS 52

ITS
Water In
Fuel Sensor IND. Ground Signal Signal Ground
95 21 34 6 23 M01-M

0.5Gr/O 0.5W/O 0.5O/B 0.5Br/B 0.5P/B

35 34 MC12
See Indicator PHOTO 33
& Gauges 17 18
(SD940-2) 0.5W/O 0.5O/B MF11
PHOTO
87
11 9 CF11
PHOTO 87
0.5Br/B 0.5P/B
0.5W/O 0.5O/B

2 1 F39 1 2 F17
INTAKE EGT
TEMPERATURE SENSOR #2
SENSOR PHOTO
PHOTO 84
79

*CPF : Catalyzed Particulate Filter

https://www.kia-hotline.com/manualV2/content/view?printFlag=1&oriMnuKCd=ETM&imgMethod=original&popupVehlTypeCd=PA 1/1

You might also like