0% found this document useful (0 votes)
86 views4 pages

نسخة من MDP3430 PS3

Copyright
© © All Rights Reserved
We take content rights seriously. If you suspect this is your content, claim it here.
Available Formats
Download as PDF, TXT or read online on Scribd
0% found this document useful (0 votes)
86 views4 pages

نسخة من MDP3430 PS3

Copyright
© © All Rights Reserved
We take content rights seriously. If you suspect this is your content, claim it here.
Available Formats
Download as PDF, TXT or read online on Scribd
You are on page 1/ 4

Cairo University System Dynamics MDP 3430

Faculty of Engineering Year 2023 - 2024


Mechanical Design and Production Department 1st Semester

Problem Set 3

Problem 1
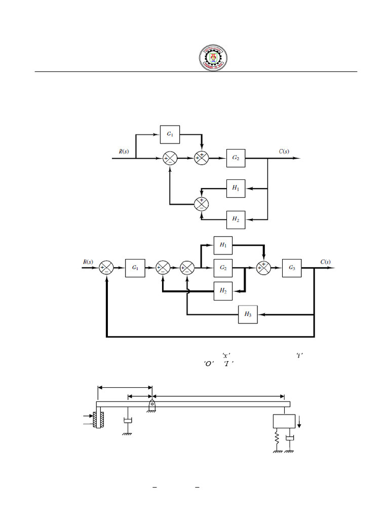
Use the block diagram reduction technique to find the closed loop transfer function C(s)/R(s).

a)

b)

Problem 2
Write the equations relating the output mass displacement ‘x’ to the input current ‘i’ to the solenoid.
The moment of inertia of the lever about the fulcrum ‘O’ is ‘Io’. Find the system transfer function.

L1
L2 L3

i
c1 O x
m

k c

CUFE – MDP 3430 – System Dynamics


1/4
Problem 3
A fan having moment of inertia ‘J’ is rotating in a viscous damping medium of coefficient ‘C’. This
fan is driven by a DC armature controlled motor through a heavy gear reduction stage. The system is
controlled using a signal from a potentiometer of constant ‘kp’, this signal is amplified and transmitted
to the motor which drives the mechanical system. Find the transfer function between the control signal
and the rotational speed of the fan.

x R L
Jg1,Ng1
Amplifier
ka

kp
𝜔 C
J
Jg2,Ng2

Problem 4
An electric heater is used to heat water to a set temperature ‘TS’. A thermocouple is used to measure
the water temperature. The heat generated ‘h’ is proportional to the difference between the temperature
set ‘TS’ and the water temperature ‘T’, such that h=k (TS - T).
For a steady state flow across the heater ‘𝑚̇’ having an inlet temperature ‘Ti’, assuming no heat loss,
and a well insulated tank. The liquid in the tank is perfectly mixed with uniform temperature.
Therefore, a single temperature is used to describe the temperature of the liquid in the tank and the
outflowing liquid.
Write the system governing equation and draw its block diagram. Find the system transfer functions.
[h = heat generated (Watt), 𝑚̇ = water mass flow rate (kg/s), c = specific heat (J/kg°C].

Thermocouple
h
T TS
Ti
Heater
k

Problem 5
Deduce the equations governing the dynamics of the hydraulic control system shown in the figure. The
system input is the pressure ‘P’ acting on the bellows of area ‘a’ which controls the mass displacement
‘y’ through the hydraulic servo valve. Draw the system block diagram and find its transfer function.

CUFE – MDP 3430 – System Dynamics


2/4
P PS
a CS
x

KS y
q KP q
KL
CP
A M

Problem 6
Write the equations relating the piston displacement ‘x’ to the air pressure ‘P’ acting on the bellows of
area ‘a’. Draw the system block diagram, and then find its transfer function.

B
P
a m x
L1 L2

k c Ps A

L3 L4

Problem 7
The figure shows a servomechanism which controls the gap between two rollers in a steel rolling
machine. The gap width is controlled by moving the upwards roller using the command input voltage
‘u’. The rolled sheet actual thickness ‘x’ is sensed by a photocell and a feedback voltage ‘v’ (v = kp x).
An electronic control circuit is used to control the armature of a DC motor, its input voltage is ‘e’ (e =
u - v) and related to the output voltage ‘w’ by the proportional integral controller (w= k1e+ k2 ∫e dt).
The motor angular rotation is ‘θ’ is transformed to a linear displacement ‘y’ by a mechanical
transmission of 95% such that (y=nθ). The thickness ‘x’ is proportional to ‘y’ (x=By). During rolling,
the roller is affected by a disturbing force ‘P’. Derive the system governing equations. Draw the system
block diagram. For no disturbance P = 0, find the transfer function X(s)/U(s).

CUFE – MDP 3430 – System Dynamics


3/4
R L
u
Electronic T,θ
e control w Mechanical
circuit transmission
η=95%

v F,y
m
Photo-
cell k c

x Rolled sheet P

CUFE – MDP 3430 – System Dynamics


4/4

You might also like