Data Structure
Networking
RDBMS
Operating System
Java
MS Excel
iOS
HTML
CSS
Android
Python
C Programming
C++
C#
MongoDB
MySQL
Javascript
PHP
- Selected Reading
- UPSC IAS Exams Notes
- Developer's Best Practices
- Questions and Answers
- Effective Resume Writing
- HR Interview Questions
- Computer Glossary
- Who is Who
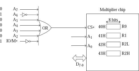
Basic or simple data transfer in 8085
The simplest data transfer scheme is the basic or simple data transfer. This method is beneficial to us when we have accurate knowledge of the Input-Output device timing characteristics. When we become familiar that the device is ready for transferring data, we execute the instructions IN and OUT, depending on the required data transfer direction. In this case when the Input Output port gets connected in the system as an I/O-mapped I/O port. If we connect the port as a memory-mapped I/O port, “MOV M, A”, “MOV A, M”, or any other memory reference instruction is used which depends on the direction of data transfer.
|
A1 |
A0 |
Selected Register |
| 0 |
0 |
R0 |
| 0 |
1 |
R1 |
| 1 |
0 |
R2L (LS Byte of Product) |
| 1 |
1 |
R2H (MS Byte of Product) |
An example to be cited as we have a hypothetical multiplier chip. We use the registers R0 and R1 for loading the two 8-bit numbers to get multiplied. The 16-bit product gets available in R2H and R2L when the entire multiplication process is over. Address pins A1 and A0 selects a register as shown in the following.
