Optical Networks - Devices



In this chapter, we will discuss the various components of optical devices.

Isolator

Isolator is a non-reciprocal device that allows light to pass along a fiber in one direction and offers very high attenuation in the opposite direction. Isolators are needed in the optical system to prevent unwanted reflections, coming back down a fiber and disrupting the operation of a laser (producing noise). In manufacturing isolators Faradays Effect is used, which is polarization dependent.

Isolator

Isolators are constructed using optical polarizers, analyzers and Faradays rotator. The optical signal passes through the polarizer, oriented parallel to the incoming state of polarization. Faradays rotator will rotate the polarization of optical signal by 45 degrees.

The signal then passes through the analyzer, which is oriented at 45 degrees with respect to the input polarizer. The isolator passes an optical signal from left to right and changes its polarization by 45 degrees and produces about 2 dB loss.

Circulator

Circulators are micro-optic devices and can be used with any number of ports, however, commonly 3 ports/4 ports circulators are used. It has a relatively low loss 0.5 dB to 1.5 dB port-to-port.

Circulator

The basic function of a circulator is shown in the above figure. Light entering any particular port (say port 1) travels around the circulator and exits at the next port (say port 2). Light entering at port 2 leaves at port 3, and so on. The device is symmetric in operation around a circle. Circulators are micro-optic devices and can be made with any number of ports. However, 3 and 4 port circulators are very common. Circulators have very low loss. Typical port-to-port loss is around .5 to 1.5 db.

Splitters and Couplers

Couplers and splitters are used to combine optical signals and/or split the optical signals. The vast majority of single mode optical couplers employ the principle of resonant coupling. Two SM fiber cores are placed parallel and close to one another. Optical power transfers from one core to another and back by electromagnetic wave induction. Power coupling depends on the length of the coupling section.

Three important characteristics are −

  • Return Loss − The amount of power reflected and lost.

  • Insertion Loss − The amount of signal lost in total transit through a device.

  • Excess Loss − Additional loss of a device above theoretical loss.

Types of Couplers

  • Y couplers
  • Star couplers
    • Fused fiber
    • Mixing plate
    • Planar (free space)
    • 3 dB coupler
  • Beam splitter

Filters

Filters are used to select the signal in trans path and receiver from many signals. The gratings are filters. Switches, modulators, AWGs, multiplexers, etc. are considered as types of filters.

Following are the types of filters −

  • Fabry-Perot
  • Tunable filter
  • In-fiber Bragg grating filter

Filters are used in front of an LED to narrow the line width before transmission. Filters will be very useful in WDM networks for −

  • A filter placed in front of an incoherent receiver can be used to select a particular signal from many arriving signals.

  • WDM networks are proposed which use filters to control which path through a network a signal will take.

Fiber Bragg Gratings are the most important optical filter in the communications world.

Fiber Bragg

Modulators

Modulators consist of a material that changes its optical properties under the influence of an electric or magnetic field. In general, three approaches are used −

  • Electro-optic and Magneto-optic effects
  • Electro-absorption effects
  • Acoustic modulators

Due to mechanical vibrations Ref. Index of material changes. Acoustic modulators use very high frequency sound. By controlling the intensity of sound, we can control the amount of light deflected and hence, construct a modulator.

Following are some of its advantages −

  • They can handle quite high power.

  • Amount of light refracted is linearly proportional to the intensity of sound waves.

  • They can modulate different wavelengths at the same time.

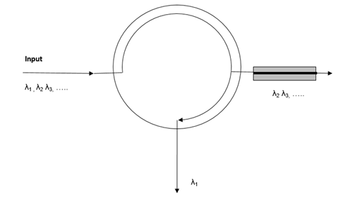
Optical ADM

An optical filter is used to isolate or drop the desired wavelength from multiple wavelengths arriving on a fiber. Once a wavelength is dropped, another channel employing the same wavelength can be added or inserted on to the fiber, as it leaves OADM.

A simple ADM has only 4 input and output channels, each with four wavelengths. In OADM, wavelengths might be amplified, equalized or further processed. OADM arranges the wavelengths from input fiber to output fiber using optical cross-connect.

Optical ADM

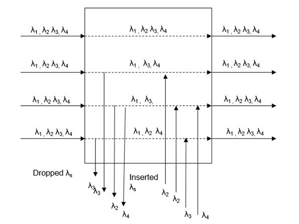
Optical Cross-Connect

An optical x-connect can take four input fibers, each carrying four wavelengths, and rearrange the 16 wavelengths, on to the four output fibers. A simple transponder inside OXC will shuffle one of the wavelengths to an available channel.

Optical Cross-Connect
Advertisements